Запчасти Case IH 61MS (34) - MOWER DECK

Схема запчастей Case IH 61MS - (34) - MOWER DECK
FIT
1:1
100%

Артикул

Название

Примечание

Количество

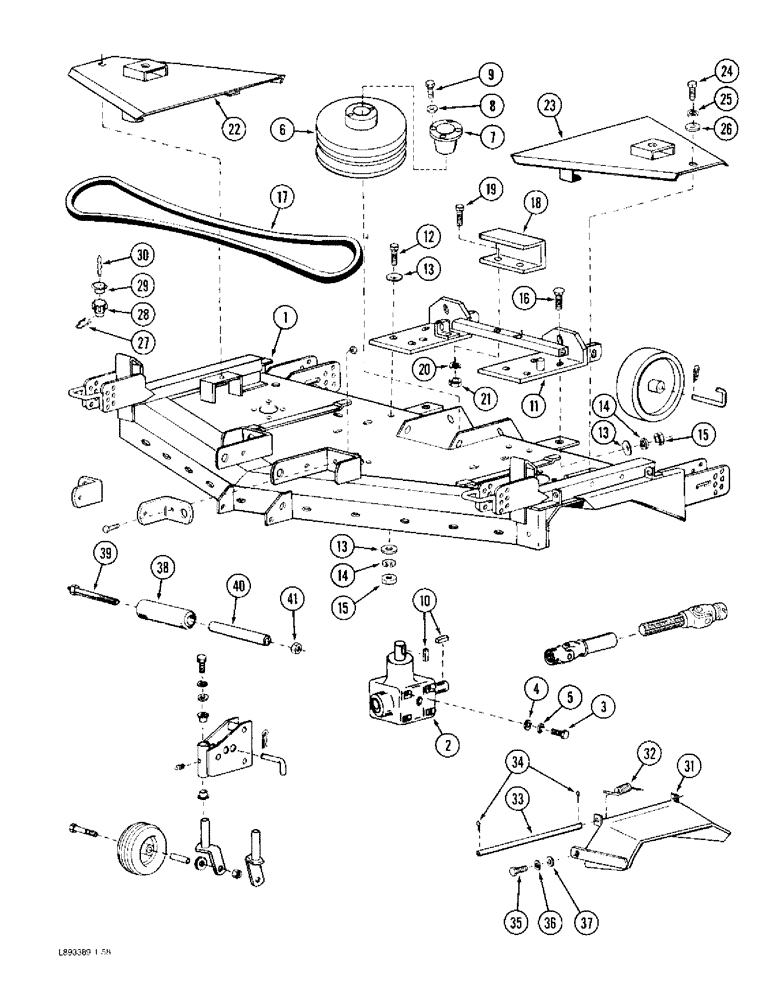
1

1346603C1

SUPPORT

HOUSING - mower

1шт.

2

REF

INSTRUCTION

GEARBOX ASSEMBLY

1шт.

REF#2 COMMENTS SHOULD READ (SEE PAGE 44,45)

1шт.

3

413-512

BOLT,Hex, 5/16" - 18 x 3/4", Gr 5

- hex, 5/16 NC x 3/4 inch

8шт.

4

495-21038

WASHER,5/16"

(3/8 x 7/8 x 5/64") 5/16"

8шт.

5

492-11031

LOCK WASHER,5/16"

WASHER, LOCK, 5/16"

8шт.

6

1346605C1

PULLEY

- drive

1шт.

7

1346606C1

HUB

- pulley

1шт.

8

492-11025

LOCK WASHER,1/4"

WASHER, LOCK, 1/4"

2шт.

10

1954929C1

BUCKET TOOTH KEY

KEY - square, shaft

2шт.

11

1346607C1

BRACKET

- rear mounting

1шт.

12

413-820

BOLT,Hex, 1/2" - 13 x 1-1/4", Gr 5

- hex, 1/2 NC x 1-1/4 inch

4шт.

13

495-11053

WASHER,1/2", SAE

(17/32" x 1-1/16" x 3/32") 1/2", SAE

10шт.

14

80679

LOCK WASHER,1/20.507 CST ZND

WASHER, LOCK, 1/2"

6шт.

15

425-108

NUT,1/2" - 13, Gr 5

NUT, , Hex 1/2"-13, G5

6шт.

16

434-820

CARRIAGE BOLT,Sht Sq Nk, 1/2" - 13 x 1 1/4", Gr 5

BOLT - round head square neck, 1/2 NC x 1-1/4 inch

2шт.

17

1973204C1

BELT,0.66" W x 130.99" L

V-BELT , Drive, Mower 0.66" W x 130.99" L

1шт.

18

1346608C1

BRACKET

- up stop

1шт.

19

413-528

BOLT,Hex, 5/16" - 18 x 1-3/4", Gr 5

2шт.

20

492-11031

LOCK WASHER,5/16"

WASHER, LOCK, 5/16"

2шт.

21

425-105

NUT,5/16"-18, G5

- hex, 5/16 inch NC

2шт.

22

1973063C1

COVER

- V-belt, right

1шт.

23

1973062C1

COVER

- V-belt, left

1шт.

24

413-616

BOLT,Hex, 3/8" - 16 x 1", Gr 5

- hex, 3/8 NC x 1 inch

2шт.

25

492-11038

LOCK WASHER,3/8"

2шт.

26

495-81142

WASHER,0.41" ID x 1.5" OD x 0.06" Thk

- flat, 13/32 x 1-1/2 x 1/16 inch

2шт.

27

1960263C1

PIN

- cotter, hair type

1шт.

28

1958444C1

COUPLING

COUPLER - hose, wash

1шт.

29

1958445C1

CAP

- coupler

1шт.

30

1958446C1

CHAIN (AG)

CHAIN - hose

1шт.

31

1954995C1

DEFLECTOR

- grass (with decal)

1шт.

32

1954965C1

SPRING

- tension, deflector

1шт.

33

1954958C1

ROD

- mounting, deflector

1шт.

34

432-820

COTTER PIN,1/8" x 1 1/4"

PIN, SPLIT (COTTER), 1/8" x 1-1/4"

2шт.

35

413-616

BOLT,Hex, 3/8" - 16 x 1", Gr 5

- hex, 3/8 NC x 1 inch

1шт.

36

492-11038

LOCK WASHER,3/8"

1шт.

37

495-81142

WASHER,0.41" ID x 1.5" OD x 0.06" Thk

- flat, 13/32 x 1-1/2 x 1/16 inch

1шт.

38

1978614C1

ROLLER

- deck

1шт.

39

1978615C1

BOLT,Hex, 1/2" - 13 x 7 1/2"

ASSEMBLY - pivot, roller

1шт.

40

1978616C1

SPACER

- roller

1шт.

41

131-1182

LOCK NUT,1/2"-13, GA

NUT - hex top lock, 1/2 inch NC

1шт.

9

413-420

BOLT,Hex, 1/4" - 20 x 1-1/4", Gr 5

2шт.

Выбрано товаров: 42