Запчасти Case IH 61MS (36) - MOWER DECK

Схема запчастей Case IH 61MS - (36) - MOWER DECK
FIT
1:1
100%

Артикул

Название

Примечание

Количество

1981523C1

KIT

- caster mounting

2шт.

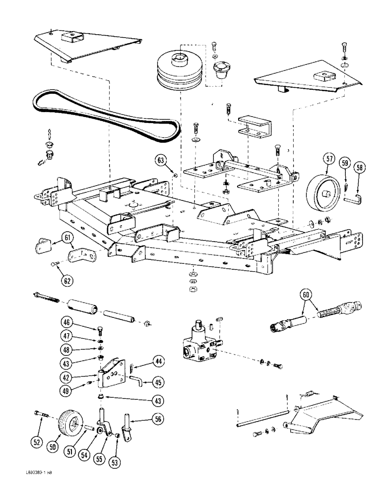
42

1981519C1

BRACKET

MOUNT - front caster

1шт.

43

1958184C1

BUSHING

- pivot, support

2шт.

44

407207R1

CLIP

PIN - cotter, hair type, 3/32 inch (Package of 50)

1шт.

45

1954990C1

PIN

- support, wheel

1шт.

46

413-612

BOLT,Hex, 3/8" - 16 x 3/4", Gr 5

1шт.

47

492-11038

LOCK WASHER,3/8"

1шт.

48

495-81142

WASHER,0.41" ID x 1.5" OD x 0.06" Thk

- flat, 13/32 x 1-1/2 x 1/16 inch

1шт.

49

219-10

LUBE NIPPLE,1/4" - 28 NPTF

FITTING - grease, straight, 1/4-28 taper x 11/16 inch long

1шт.

1981522C1

WHEEL

KIT - caster wheel

2шт.

50

NSS

NOT SOLD SEPARAT

WHEEL

1шт.

51

1973315C1

SPACER

- wheel

1шт.

52

413-880

BOLT,Hex, 1/2" - 13 x 5", Gr 5

- hex, 1/2 NC x 5 inch

1шт.

53

131-1182

LOCK NUT,1/2"-13, GA

NUT - hex top lock, 1/2 inch NC

1шт.

54

495-21056

WASHER,1/2"

- flat, 9/16 x 1-3/8 x 3/32 inch

1шт.

55

1981521C1

PIVOT

CASTER ASSEMBLY - right (1")

1шт.

56

1981520C1

PIVOT

CASTER ASSEMBLY - left (1")

1шт.

57

1958408C1

WHEEL

- rear, gauge

2шт.

58

1958410C1

PIN

- gauge wheel

2шт.

59

NSS

NOT SOLD SEPARAT

PIN - cotter, hair type, 3/32 inch (See note)

1шт.

60

REF

INSTRUCTION

SHAFT ASSEMBLY - PTO

1шт.

61

1981518C1

BRACKET

- slide support

2шт.

62

413-616

BOLT,Hex, 3/8" - 16 x 1", Gr 5

- hex, 3/8 NC x 1 inch

4шт.

63

230-4216

LOCK NUT,3/8"-16, GA

NUT - hex lock, 3/8 inch NC

4шт.

Выбрано товаров: 24