Запчасти Case IH M172 (68) - FRONT MOUNTING (58) - ATTACHMENTS/HEADERS

Схема запчастей Case IH M172 - (68) - FRONT MOUNTING (58) - ATTACHMENTS/HEADERS
FIT
1:1
100%

Артикул

Название

Примечание

Количество

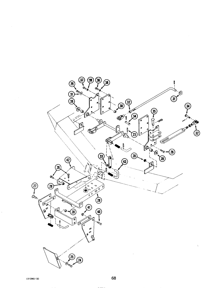
23

38-31632

PIN,1/4" x 2", Coiled

2шт.

24

413-512

BOLT,Hex, 5/16" - 18 x 3/4", Gr 5

- hex, 5/16 NC x 3/4 inch

2шт.

25

495-21034

WASHER

- flat, 5/16 inch NC

2шт.

26

413-616

BOLT,Hex, 3/8" - 16 x 1", Gr 5

- hex, 3/8 NC x 1 inch

8шт.

27

433-620

CARRIAGE BOLT,Sq Nk, 3/8" - 16 x 1 1/4", Gr 5

BOLT, CARRIAGE, Short NK, 3/8"-16 x 1 1/4", G5

4шт.

28

232-5316

FLANGE NUT,Flg, 3/8"-16

NUT - hex lock, 3/8 inch NC

12шт.

29

413-832

BOLT,Hex, 1/2" - 13 x 2", Gr 5

4шт.

30

231-5348

FLANGE NUT,Flg, 1/2"-13

NUT - hex lock, 1/2 inch NC

4шт.

31

495-21056

WASHER,1/2"

- flat, 9/16 x 1-3/8 x 3/32 inch

5шт.

32

425-148

JAM NUT,Jam, 1/2"-13, G5

- hex jam, 1/2 inch NC

2шт.

33

1993222C1

SLEEVE

SPACER - 1/2 x 3/4 x 3/8 inch

2шт.

34

1993095C1

PIN

- clevis, 1/2 x 1-3/4 inch

2шт.

35

27-12300

CLEVIS PIN,3/4" x 3"

PIN - clevis, 5/8 x 3 inch

1шт.

36

614-14035

BOLT,Hex, M14 x 2 x 35mm, Cl 8.8, Full Thd

- 14mm x 35mm, class 8.8

4шт.

37

628-14040

BOLT,Hex, M14 x 2 x 40mm, Cl 10.9, Full Thd

- hex, 14 mm - 2.00 x 40 mm, class 10.9

4шт.

38

492-11056

LOCK WASHER,9/16"

WASHER, LOCK, 9/16"

8шт.

39

495-21106

WASHER,1"

- flat, 1-1/16 x 2-1/2 x 9/64 inch

2шт.

40

413-1032

BOLT,Hex, 5/8" - 11 x 2", Gr 5

4шт.

41

232-53110

FLANGE NUT,Flg, 5/8"-11

NUT - hex lock, 5/8 inch NC

4шт.

42

1993210C1

CHANNEL

ASSEMBLY - mounting

1шт.

43

1993217C1

PIN

- detach

2шт.

Выбрано товаров: 21