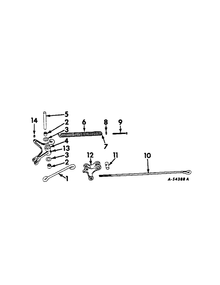
Запчасти Case IH 100 (A-04) - BELLCRANK, GAG AND LIFT LEVER AND BALANCING SPRING

Схема запчастей Case IH 100 - (A-04) - BELLCRANK, GAG AND LIFT LEVER AND BALANCING SPRING
FIT
1:1
100%

Артикул

Название

Примечание

Количество

1

458912R2

ROD

bellcrank lift

1шт.

2

454154R1

BUSHING

bellcrank

2шт.

3

557274R1

WASHER

1-5/32 x 2 x 11 ga

2шт.

4

465245R11

LEVER

BELLCRANK W/BUSHING, 1961 and since

1шт.

4

458910R21

CRANK

BELLCRANK W/BUSHING, 1958-1961 order 465245R11 and 465986R1

1шт.

432-1624

COTTER PIN,1/4" x 1 1/2"

Pin, Split (Cotter), 1/4" x 1 1/2"

1шт.

515212R1

PIN, 3/4 x 2-11/16 dld std-hd

1шт.

5

458911R1

PIN,28.57mm OD x 219.07mm L

SHAFT, bellcrank

1шт.

13135R1

Pin, Split (Cotter), 3/8" x 1 3/4" 3/8" x 1 3/4"

1шт.

142535

GROOVED PIN,5/16" x 2", Type A

Pin, Grooved, 5/16" x 2", Type A

1шт.

6

MA22110

SPRING

cutter bar balancing, 52 coils

1шт.

7

M1425

PLUG

spring

1шт.

8

PO10535

WASHER

17/32 x 1-1/4 x 11 ga

1шт.

9

Q822

BOLT

1/2 x 6 special sq-hd, adjusting balancing spring

1шт.

102637

NUT,1/2"-13, G5

1шт.

10

458915R1

BOLT

ROD, gag

1шт.

102639

NUT,5/8"-11, G5

2шт.

11

458914R1

PIN

PIVOT, gag rod

1шт.

12

458913R1

LEVER

gag and lift

1шт.

432-1624

COTTER PIN,1/4" x 1 1/2"

Pin, Split (Cotter), 1/4" x 1 1/2"

2шт.

Q839

SPLIT PIN/SAFETY PIN

PIN, 3/4 x 2-5/8 dld std-hd

2шт.

13

109461

LUBE NIPPLE,1/8"-27 x .66 lg

NIPPLE, LUBE, 1/8"-27 x .66 lg

1шт.

14

465986R1

BUSHING

bellcrank, 1961 and since

1шт.

Выбрано товаров: 0