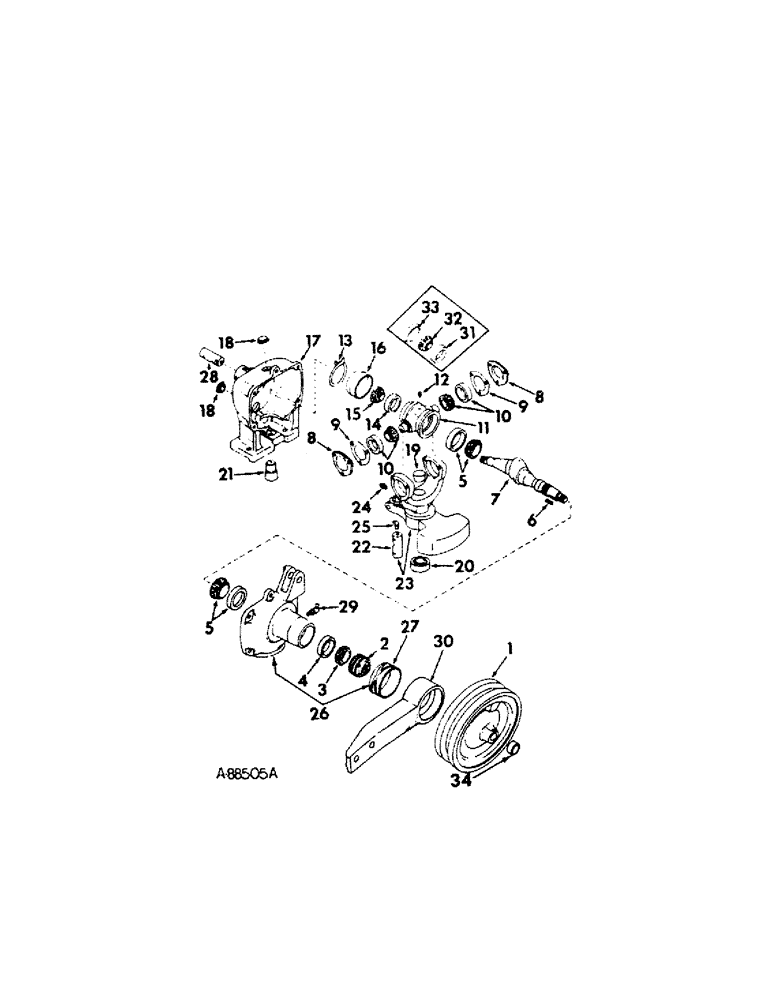
Запчасти Case IH 1000 (K-07[A]) - FLYWHEEL, PULLEY, BALANCED HEAD HOUSING

Схема запчастей Case IH 1000 - (K-07[A]) - FLYWHEEL, PULLEY, BALANCED HEAD HOUSING
FIT
1:1
100%

Артикул

Название

Примечание

Количество

1

478787R11

PULLEY

ASSY, flywheel

1шт.

478789R1

WASHER

pulley

1шт.

2

478788R1

LOCK NUT

lock

1шт.

There is no seal, although there was one previously; now the nut itself acts as a seal

1шт.

3

651818R91

ROLLER BEARING,31.77 mm ID x 16.08 mm

BEARING ASSY, housing cone

1шт.

4

651817R1

BEARING CUP

BEARING, housing cup

1шт.

4

651817R1GV

BEARING CUP

Value, Bearing Cup

1шт.

5

478790R91

BEARING ASSY,38.1mm ID x 72.02mm OD x 20.64mm W

BEARING W/SEAL, wobble shaft housing

2шт.

6

Q53

KEY,1/4" Sq x 1", Par

(1) product (NSS) 1/4" Sq x 1", Par

1шт.

7

478786R11

SHAFT

ASSY, wobble

1шт.

254771R1

NUT

3/4-16 special hex.

2шт.

21211R1

WASHER

25/32 x 1-1/2 x 7 ga C-Z

1шт.

8

458958R1

COVER

CAP, yoke brg

2шт.

26329R1

BOLT,1/4" x 1", Gr 5

SCREW, 1/4-20 x 1 phc

6шт.

9

458955R1

SHIM,50.8mm ID x 76.2mm OD x 0.05mm Thk

yoke bearing cap .002

2шт.

9

458956R1

SHIM

yoke bearing cap .006, or as required

6шт.

9

458957R1

SHIM,50.8mm ID x 63.5mm OD x 0.25mm Thk

yoke bearing cap .010, or as required

6шт.

10

458952R91

ROLLER BEARING

W/SEAL, balance yoke roller

2шт.

11

458953R3

HOUSING

balanced head brg

1шт.

12

13019R1

FITTING

1/8-27 ptf str vented lub

1шт.

13

317596R1

HOSE CLAMP,#42, 2 5/8", Spring

CLAMP, bearing housing cap

1шт.

14

371883R1

BEARING CUP

Balanced head housing

1шт.

15

371882R91

ROLLER BEARING,20.64mm ID x 49.23mm OD x 19.84mm W

Assy, Balanced head housing

1шт.

16

458954R1

CYLINDER END CAP

CAP, crankshaft brg housing

1шт.

461678R1

SEAL

SEALER, crankshaft brg housing cap

1шт.

17

487047R1

HOUSING

wobble

1шт.

143865C1

BOLT,Hex, 1/2" - 13 x 1 1/4", Gr 5, Nylon Pellet

SCREW W/NYLON PELLET INSERT, 1/2-13 x 1-1/4 hex-hd cap

4шт.

143866C1

BOLT,Hex, 1/2" - 13 x 1 3/4", Gr 5, Nylon Pellet

SCREW W/NYLON PELLET INSERT, 1/2-13 x 1-3/4 hex-hd cap

1шт.

181461

BOLT,Hex, 9/16" - 18 x 2 1/2", Gr 5

SCREW, 9/16-18 x 2-1/2 hex-hd cap, front hinge pin clamp bolt

1шт.

472215R1

LOCK NUT,9/16"-12, GB

NUT, 9/16-18 hex., two-way lock

1шт.

18

464197R1

PLUG

button

2шт.

19

458993R2

PLUG

balance yoke grease chamber cork, built, Serial Range: 1968-1973

1шт.

20

467146R91

BEARING ASSY,24.99mm ID x 52mm OD x 15mm W

balance yoke pivot stud

1шт.

21

458961R2

STUD

balance yoke pivot

1шт.

102615

SET SCREW,Hex Skt, 1/2" - 13 x 1/2"

SCREW, 1/2-13 x 1/2 hex-hd soc-hd cup-pt set

1шт.

462800R1

WASHER

1.000 x 1.625 x .250 felt

1шт.

22

458973R4

PIN,25.41mm OD x 77.72mm L

knife

1шт.

336132R1

BOLT,1/2" - 20 x 2 3/8", Gr 8

1/2-NF x 2-3/8 pln type 8

1шт.

25-118

NUT,1/2"-20, G5

1/2-20 hex.

1шт.

543115R1

LOCK WASHER

1/2 ext-tooth lock

2шт.

23

487048R11

YOKE

ASSY, balance

1шт.

336132R1

BOLT,1/2" - 20 x 2 3/8", Gr 8

SCREW, 1/2-20 x 2-3/8 type 4 hex-hd cap

1шт.

25-118

NUT,1/2"-20, G5

1/2-20 hex.

1шт.

543115R1

LOCK WASHER

1/2 ext-tooth lock, folded internal rim

2шт.

24

86636814

LUBE NIPPLE,1/4"-28 x .52" lg

FITTING, 1/4-28 ptf str lub

1шт.

25

219-31

LUBE NIPPLE,30 Degree Elbow, 1/8" - 27 NPTF

FITTING, 1/8-27 ptf 30 degree angle lub

1шт.

26

478797R91

HOUSING

ASSY, wobble shaft

1шт.

519416R1

HEADED PIN,3/4" x 2 5/16"

PIN, 3/4 x 2 5/16 std-hd

1шт.

20340R1

COTTER PIN,1/4" x 1 1/2"

Pin, Split (Cotter), 1/4" x 1 1/2"

1шт.

27

467215R1

BUSHING,82.44mm ID x 87.15mm OD x 41.15mm L

rear shaft housing

1шт.

28

487051R1

SHAFT

front hinge

1шт.

608700R1

WASHER

1-9/32 x 2 x 16 ga C-Z

1шт.

22442R1

COTTER PIN,5/16" x 2"

Pin, Split (Cotter), 5/16" x 2"

1шт.

29

461252R1

FITTING

1/8-27 ptf 30 deg angle lub

1шт.

30

467216R1

ARM

HINGE, rear

1шт.

109461

LUBE NIPPLE,1/8"-27 x .66 lg

NIPPLE, LUBE, , PTF 1/8"-27 x .66 lg

1шт.

179891

SHAFT

SCREW, 1/2-13 x 2-1/2 hex-hd cap

2шт.

102637

NUT,1/2"-13, G5

2шт.

103323

LOCK WASHER,1/2"

WASHER, LOCK, 1/2"

2шт.

31

Not used in this application

1шт.

32

Not used in this application

1шт.

33

Not used in this application

1шт.

34

222689C1

HOSE

balanced head drive shaft shield

1шт.

461851R1

BLOCK

runout check, for use in determining runout on assembled wobble shaft trunnion and wobble shaft housing during the servicing or overhauling of the balanced head of subject machine mower

1шт.

479342R94

KIT

1шт.

PACKAGE, wrist action shaft-service, consists of (1) bushing 458971R1, (1) cap 458954R1, (1) instructions 1019676R3 (NSS), (1) key Q53, (1) nut 254485R1, (2) nut 254771R1, (1) nut 103028, (1) bolt 181407, (2) shim 458955R1, (6) shim 458956R1, (6) shim 458957R1, (1) nut 271505, (2) washer 543115R1, (2) washer 462799R1, (1) washer 585556R1, (1) washer 21211R1, (6) screw 26329R1, (1) pin 458973R4, (1) fitting 109459, (1) screw 336132R1, (1) product graphic (NSS)

1шт.

Выбрано товаров: 66