Запчасти Case IH 110 (C-29) - HYDRAULIC MOTOR, COMMERCIAL SHEARING AND STAMPING CO.

Схема запчастей Case IH 110 - (C-29) - HYDRAULIC MOTOR, COMMERCIAL SHEARING AND STAMPING CO.
FIT
1:1
100%

Артикул

Название

Примечание

Количество

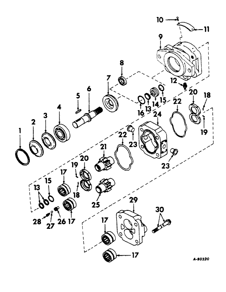
477900R91

MOTOR ASSEMBLY, hydraulic

1шт.

1

NSS

NOT SOLD SEPARAT

RING, snap, part of package, 478872R92

1шт.

2

NSS

NOT SOLD SEPARAT

SHIELD BEARING, part of package, 478872R92

1шт.

3

NSS

NOT SOLD SEPARAT

SEAL, bearing, part of package, 478872R92

1шт.

4

333727R91

BEARING ASSY, ball

1шт.

5

489041R1

KEY

1шт.

6

489040R1

SHAFT, drive

1шт.

7

NSS

NOT SOLD SEPARAT

SPACER, bearing

1шт.

8

Not used this application

1шт.

9

NSS

NOT SOLD SEPARAT

COVER, end

1шт.

10

NSS

NOT SOLD SEPARAT

SCREW, drive

1шт.

11

NSS

NOT SOLD SEPARAT

PLATE, name

1шт.

12

109461

LUBE NIPPLE,1/8"-27 x .66 lg

NIPPLE, LUBE, 1/8"-27 x .66 lg

1шт.

13

NSS

NOT SOLD SEPARAT

RING, back-up, part of package 478872R92

1шт.

14

484662R1

INSERT, bronze

1шт.

15

478543R1

O-RING,0.139" Thk x 0.859" ID, -212, Cl 5, 75 Duro

O-RING, 7/8 x 1-1/8 x 1/8 in.

2шт.

16

NSS

NOT SOLD SEPARAT

O-RING, 1-1/4 x 1-3/8 x 1/16 in., part of package 478872R92

1шт.

17

NSS

NOT SOLD SEPARAT

BEARING, roller

4шт.

18

NSS

NOT SOLD SEPARAT

SEAL, pocket, part of package 478872R92

1шт.

19

NSS

NOT SOLD SEPARAT

SEAL, pocket, part of package 478872R92

1шт.

20

NSS

NOT SOLD SEPARAT

PLATE, thrust

2шт.

21

NSS

NOT SOLD SEPARAT

GEAR, drive

1шт.

22

NSS

NOT SOLD SEPARAT

O-RING, 3-5/8 x 3-7/8 x 1/8 in., part of package 478872R92

2шт.

23

PLUG, plastic, shipping only

2шт.

24

NSS

NOT SOLD SEPARAT

HOUSING

1шт.

25

NSS

NOT SOLD SEPARAT

GEAR, driven

1шт.

26

297311R1

RETAINER, check ball

2шт.

27

17005R1

BALL,5/32" Dia

5/32 x grade 25 metal

2шт.

28

297312R1

SEAT, check ball

2шт.

29

NSS

NOT SOLD SEPARAT

COVER, end

1шт.

30

NSS

NOT SOLD SEPARAT

SCREW, cover

4шт.

478872R92

KIT

hydraulic motor repair, consists of reference nos. 1, 2, 3, 13, 14, 16, 18, 19 and 22

1шт.

Выбрано товаров: 0