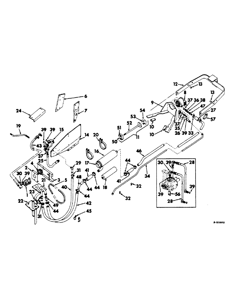
Запчасти Case IH 110 (C-31) - HYDRAULIC DRIVE AND RELATED PARTS, FOR INTERNATIONAL 424 AND 2424 SERIES TRACTORS

Схема запчастей Case IH 110 - (C-31) - HYDRAULIC DRIVE AND RELATED PARTS, FOR INTERNATIONAL 424 AND 2424 SERIES TRACTORS
FIT
1:1
100%

Артикул

Название

Примечание

Количество

1

477900R91

MOTOR ASSEMBLY, hydraulic, for components see list of parts under details of hydraulic motor

1шт.

2

477808R1

BRACKET, hydraulic motor mounting

1шт.

19285R1

BOLT

1/2 x 1-1/4 in. C-Z crg

4шт.

12686R1

CARRIAGE BOLT,Sq Nk, 1/2" - 13 x 1/2", Gr 2, Full Thd

BOLT, CARRIAGE, Short NK, 1/2"-13 x 1 1/2", G2, Full Thd

2шт.

120378

NUT,Hex, 1/2" - 13, Gr 5

NUT, 1/2"-13, G5

6шт.

120384

WASHER,1/2"

LOCK, 1/2"

6шт.

3

477806R21

SHIELD

ASSEMBLY, front drive mounting

1шт.

114505

JAM NUT,Jam, 1/2"-13, G5

1шт.

102639

NUT,5/8"-11, G5

2шт.

15043

ANCHOR

BOLT, 5/8 x 1-1/2 in. crg

2шт.

NLS

NO LONGER SERVICED

1/2 x 2 in. sq-hd cup-pt set

1шт.

103325

LOCK WASHER,5/8"

WASHER, LOCK, 5/8"

1шт.

4

479144R1

PULLEY, drive, unit A

1шт.

4

477809R2

PULLEY

drive, unit B

1шт.

5

M32812

V-BELT,0.88" W x 52.41" L

0.88" W 52.41" L, Drive, Unit A

1шт.

5

567947R2

V-BELT,22.33 mm W

Drive, Unit B 22.33 mm W

1шт.

139063

SCREW, 3/8-16 x 5/16 in. cup-pt hex socket set

1шт.

6

463387R3

PLATE, mounting LH

1шт.

NLS

NO LONGER SERVICED

SCREW, 5/8 x 1-3/4 in. C-Z cap

3шт.

492-11062

BEARING WASHER,5/8"

WASHER, LOCK, 5/8"

3шт.

7

463388R2

PLATE

mounting RH

1шт.

271548

BOLT (SPREADER),Hex, 5/8" - 11 x 1 3/4", Gr 5

SCREW, 5/8 x 1-3/4 in. C-Z cap

2шт.

492-11062

BEARING WASHER,5/8"

WASHER, LOCK, 5/8"

2шт.

8

479145R92

PUMP ASSY, front PTO driven, unit B, only serviceable item is

1шт.

168318C93

SEAL KIT

seal repair

1шт.

180177

BOLT,Hex, 1/2" - 13 x 1 1/2", Gr 5

SCREW, 1/2 x 1-1/2 in. C-Z cap

2шт.

120384

WASHER,1/2"

LOCK, 1/2"

2шт.

120378

NUT,Hex, 1/2" - 13, Gr 5

NUT, 1/2"-13, G5

2шт.

9

379337R11

BRACKET ASSEMBLY, unit B

1шт.

180179

BOLT,Hex, 1/2" - 13 x 1 3/4", Gr 5

SCREW, 1/2 x 1-3/4 in. C-Z cap

4шт.

446221

WASHER,7/16"

.500 x 1.125 x .064

2шт.

120384

WASHER,1/2"

LOCK, 1/2"

2шт.

10

379340R1

SPACER, pump bracket, unit B

2шт.

11

479146R91

COUPLING ASSEMBLY, FPTO driven pump, for gasoline engine, unit B

1шт.

11

480765R91

COUPLING ASSEMBLY, FPTO driven pump, for diesel engine, unit B

1шт.

180126

BOLT,Hex, 3/8" - 16 x 1 1/2", Gr 5

SCREW, 3/8 x 1-1/2 in. C-Z cap

4шт.

120394

WASHER,3/8", SAE

WASHER, .406 x .812 x .051

4шт.

219760

BACK-UP RING

1 in. jam, used on crankshaft

1шт.

12

469338R91

GUARD ASSEMBLY, pump, unit B

1шт.

13

C13756

SPACER

unit B

4шт.

87337

BOLT,Hex, 3/4" - 10 x 3", Gr 5

4шт.

87340

LOCK WASHER,Helical Spring, 0.759" ID, CST, ZND

WASHER, LOCK, 3/4"

4шт.

14

479147R2

PLATE, reservoir mounting, unit B

1шт.

271548

BOLT (SPREADER),Hex, 5/8" - 11 x 1 3/4", Gr 5

SCREW, 5/8 x 1-3/4 in. C-Z cap

1шт.

413-1024

BOLT,Hex, 5/8" - 11 x 1-1/2", Gr 5

SCREW, rear hole and through tank mtg-brkt.

1шт.

492-11062

BEARING WASHER,5/8"

WASHER, LOCK, , Unit B 5/8"

1шт.

15

477810R91

VALVE

ASSEMBLY, unit B, for components see list of parts under details of hydraulic motor operating valve

1шт.

113-257

BOLT,Hex, 3/8" - 16 x 2-1/2", Gr 5

SCREW, 3/8 x 2-1/2 in. C-Z cap

2шт.

120377

NUT,3/8" - 16, Gr 5

2шт.

120382

LOCK WASHER,Helical Spring, 3/8"

WASHER, LOCK, 3/8"

2шт.

16

480903R91

BODY, oil filter, unit B

1шт.

17

476764R91

CYLINDER END CAP

CAP, oil filter, unit B

1шт.

18

471942R92

FILTER, ELEMENT

FILTER, oil, unit B

1шт.

19

476829R1

ROD, support, unit B

1шт.

120377

NUT,3/8" - 16, Gr 5

4шт.

120382

LOCK WASHER,Helical Spring, 3/8"

WASHER, LOCK, 3/8"

4шт.

20

476830R1

CLAMP, filter, unit B

2шт.

180125

SCREW,Hex, 3/8" - 16 x 1 3/8", Gr 5

3/8 x 1-3/8 in. C-Z cap

2шт.

120377

NUT,3/8" - 16, Gr 5

2шт.

120382

LOCK WASHER,Helical Spring, 3/8"

WASHER, LOCK, 3/8"

2шт.

21

480623R91

COVER ASSEMBLY, hitch housing upper, unit B

1шт.

22

480629R91

COVER ASSEMBLY, lower, unit B

1шт.

23

379794R1

O-RING,0.103" Thk x 1.237" ID, -124, Cl 5, 75 Duro

1-1/4 x 1-7/16 x 3/32 in., unit B

1шт.

24

BRACKET, seat bumper, unit B, discontinued for service

1шт.

25

479363R91

HOSE, hydraulic 15 in., unit B

1шт.

26

480998R91

HOSE, hydraulic pump 19 in., unit B

1шт.

27

470387R1

HOSE, front section, unit B

1шт.

28

653337R91

HOSE, hydraulic 49 in., unit A

2шт.

29

477814R1

ELBOW

return line, unit B, from valve pump

1шт.

30

9410978

ELBOW,90 Degree, 7/8"-14, 37 Degree x 7/8"-14, O-Ring

37 deg hydraulic flared adj

2шт.

31

274086R91

HOSE CLAMP,0.94/1.63 Type F Worm

CLAMP, hose, unit B

2шт.

32

468256R1

CLAMP

pressure tube, unit B

2шт.

180122

BOLT,Hex, 3/8" - 16 x 1", Gr 5

3/8 x 1 in. C-Z cap

2шт.

120377

NUT,3/8" - 16, Gr 5

Unit B 3/8"-16, G5

2шт.

131099

LOCK WASHER,3/8"

WASHER, LOCK, , Unit B 3/8"

2шт.

33

39142H

COLLAR CLAMP

CLAMP, hose, unit B

2шт.

34

468241R11

TUBE ASSEMBLY, pressure, unit B

1шт.

35

479156R1

CONNECTOR, unit B

1шт.

36

479158R1

CONNECTOR, reducer, unit B

1шт.

37

297459R1

O-RING,0.116" Thk x 1.048" ID, -914, Cl 6, 90 Duro

7/8 in. OD tube, unit B

3шт.

38

307915R1

O-RING,0.118" Thk x 1.475" ID, -920, Cl 6, 90 Duro

1-1/4 in. OD tube, unit B

1шт.

39

364885R1

O-RING,0.097" Thk x 0.755" ID, -910, Cl 6, 90 Duro

5/8 in. OD tube, 4 for unit A, 5 for unit B

1шт.

40

476831R1

HOSE, pump line 57 in. long, unit B

1шт.

41

480901R1

HOSE

suction 5 in. long, unit B

2шт.

42

476832R1

HOSE, 62 in. long, unit B, filter to reservoir suction

1шт.

43

653318R91

HOSE

hyd 34 in. long, unit B

2шт.

44

274087R91

HOSE CLAMP,1.50/2.38 Type F Worm

CLAMP, hose, unit B

6шт.

45

468257R1

CLAMP, suction hose, unit B

2шт.

113-257

BOLT,Hex, 3/8" - 16 x 2-1/2", Gr 5

SCREW, 3/8 x 2-1/2 in. C-Z cap

1шт.

120377

NUT,3/8" - 16, Gr 5

1шт.

131099

LOCK WASHER,3/8"

WASHER, LOCK, 3/8"

1шт.

46

476833R91

PIPE, pump to filter suction, unit B

1шт.

47

480988R91

FITTING, str hose insert, unit B

1шт.

48

476834R91

PIPE, filter to reservoir suction hose, unit B

1шт.

49

476835R91

FITTING, suction line, unit B

1шт.

50

378870R91

HUB

ASSEMBLY, splined, unit B

1шт.

51

380809R1

BLOCK

splined hub, unit B

4шт.

52

379342R1

FLANGE AND SHAFT ASSEMBLY, unit B, for gasoline engines

1шт.

52

480766R1

FLANGE AND SHAFT ASSEMBLY, unit B, for diesel engines

1шт.

180126

BOLT,Hex, 3/8" - 16 x 1 1/2", Gr 5

SCREW, 3/8-16 x 1-1/2 in. C-Z hex-hd cap

4шт.

120394

WASHER,3/8", SAE

WASHER, 13/32 x 13/16 in. x .065 ga

4шт.

425-1516

JAM NUT,Jam, 1"-14, G5

1-14 hex. jam

1шт.

53

380810R1

BLOCK

hub, unit B

4шт.

54

479160R91

HUB

ASSEMBLY, splined, unit B

1шт.

55

9403376

CAP,37 Degree, 1 5/16"-12

tube, unit B

1шт.

56

484665R1

BAR, valve latch, unit A

1шт.

9635884

BOLT,Hex, 5/16" - 18 1", Full Thd, Gr 5

5/16-18 x 1 C-Z cap

1шт.

120393

BEARING WASHER,5/16", SAE

WASHER, 11/32 x 11/16 x 1/16 C-Z

3шт.

57

274088R1

CLAMP, hose, unit B

1шт.

Выбрано товаров: 109