Запчасти Case IH 120 (D-02) - PIVOT FRAME, BREAKAWAY ARM, LATCH SUPPORT PLATE AND SUPPORT

Схема запчастей Case IH 120 - (D-02) - PIVOT FRAME, BREAKAWAY ARM, LATCH SUPPORT PLATE AND SUPPORT
FIT
1:1
100%

Артикул

Название

Примечание

Количество

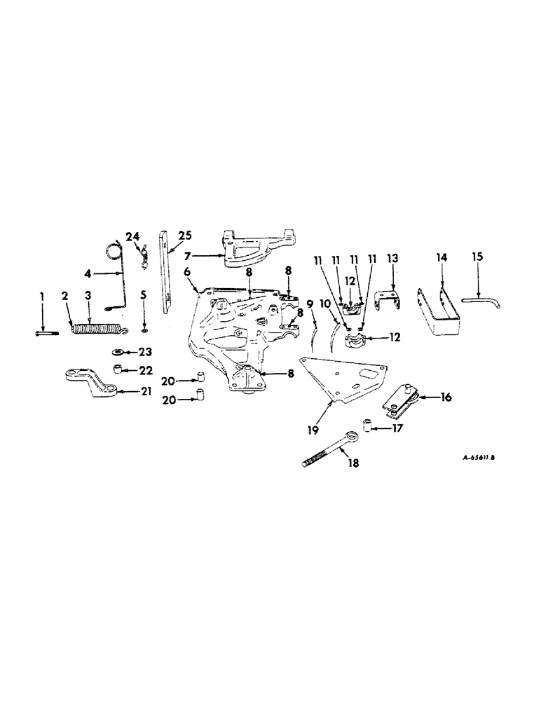
1

570640R1

BOLT (SPREADER),Adj, Hex, 1/2" - 13 x 4", Full Thd

BOLT, 1/2 x 4 in. special mach, spring adjusting

1шт.

105608

NUT

1/2 in.

1шт.

12026

CLIP

WASHER, 17/32 x 1-1/4 in. x 16 ga

1шт.

28407K

WASHER

17/32 x 1-1/4 x 22 ga

1шт.

2

M1425

PLUG

spring

1шт.

3

PO199A

SPRING

breakaway latch, 25 coils

1шт.

4

464962R1

SUPPORT

hydraulic hose, special, 1961-1962

1шт.

5

PO12898

WASHER

29/32 x 1-1/2 in. x 11 ga, used on 462764R92

2шт.

6

465210R41

FRAME, pivot

1шт.

17629R1

BOLT,Hex, 5/8" - 11 x 3"

W/NUT, 5/8 x 3 in. mach

4шт.

17651R1

BOLT,Hex, 5/8" - 11 x 3 1/4"

W/NUT, 5/8 x 3-1/4 in. mach

1шт.

103325

LOCK WASHER,5/8"

WASHER, LOCK, 5/8"

5шт.

575810R1

WASHER

21/32 x 1-1/2 in. x 11 ga

3шт.

7

465211R1

ARM, breakaway

1шт.

280954

NUT,3/4"-10, G5

3шт.

80280173

BOLT,Hex, 3/4" - 10 x 2 3/4", Gr 5

SCREW, 3/4 x 2-3/4 in. C-Z cap

3шт.

87340

LOCK WASHER,Helical Spring, 0.759" ID, CST, ZND

WASHER, LOCK, 3/4"

3шт.

615168R1

WASHER

25/32 x 1-1/2 in. x 11 ga

2шт.

8

109461

LUBE NIPPLE,1/8"-27 x .66 lg

NIPPLE, LUBE, 1/8"-27 x .66 lg

4шт.

9

524452R1

VALVE SPRING

SPRING, hinge coupling stop

1шт.

10

524453R1

VALVE SPRING

SPRING, hinge coupling stop

1шт.

17448R1

BOLT (SPREADER)

BOLT W/NUT, 1/2 x 1-1/4 in. mach

1шт.

103323

LOCK WASHER,1/2"

WASHER, LOCK, 1/2"

1шт.

11

458890R1

SHIM

pivot frame, or as required

32шт.

12

458889R1

CAP

pivot frame

2шт.

102639

NUT,5/8"-11, G5

4шт.

413-1068

BOLT,Hex, 5/8" - 11 x 4-1/4", Gr 5

SCREW, 5/8 x 4-1/4 in. cap, Course Threads

2шт.

280183

BOLT,Hex, 5/8" - 11 x 4 1/2", Gr 5

SCREW, 5/8 x 4-1/2 in. cap, Course Threads

2шт.

103325

LOCK WASHER,5/8"

WASHER, LOCK, 5/8"

4шт.

13

465225R1

BRACKET, jack

1шт.

14

465226R1

STAND, support

1шт.

17851R1

BOLT, 5/8 x 5-1/2 in. dld mach

1шт.

25-1210

SLOTTED NUT,5/8"-11, G5

NUT, 5/8 in. slotted

1шт.

103387

COTTER PIN,1/8" x 1 1/2"

Pin, Split (Cotter), 1/8" x 1 1/2"

1шт.

15

465227R1

ROD

PIN, lock

1шт.

520175R1

CLIP

PIN, quick attachable cotter

1шт.

16

462764R92

PULLEY

ROLLER, breakaway latch

1шт.

103409

PIN, SPLIT (COTTER),3/16" x 1 1/2"

1шт.

17

459396R2

BUSHING

latch strap pivot

1шт.

Q3480

WASHER

1-1/32 x 1-1/2 in. x 11 ga

2шт.

18

458907R1

BOLT

EYEBOLT, lead adjustment

1шт.

425-1012

NUT,3/4"-10, G5

3/4 in.

2шт.

19

458906R2

PLATE

latch support

1шт.

20

454154R1

BUSHING

caster wheel pivot

2шт.

21

465252R1

ARM

hydraulic lift, special

1шт.

17630R1

BOLT

W/NUT, 3/4 x 3 in.

1шт.

103326

LOCK WASHER,3/4"

WASHER, LOCK, 3/4"

1шт.

22

465253R1

BUSHING

lift arm

1шт.

23

23471S

WASHER

25/32 x 1-1/2 in. x 7 ga

1шт.

24

515030R1

CLAMP

hydraulic hose, special, 1962 and since

1шт.

18442R1

BOLT, 3/8 x 1-3/4 in C-Z crg

1шт.

458491R1

NUT, 3/8 in C-Z lock

1шт.

25

469932R1

SUPPORT, hydraulic hose, special, 1962 and since

1шт.

18496R1

BOLT,Hex, 1/2"-13 x 1 1/2", G2

1/2 x 1-1/2 in. C-Z mach

1шт.

120384

WASHER,1/2"

LOCK, 1/2"

1шт.

120369

NUT,3/8"-24, G5

WASHER, 17/32 x 1-1/16 x 13 ga C-Z

1шт.

Выбрано товаров: 56