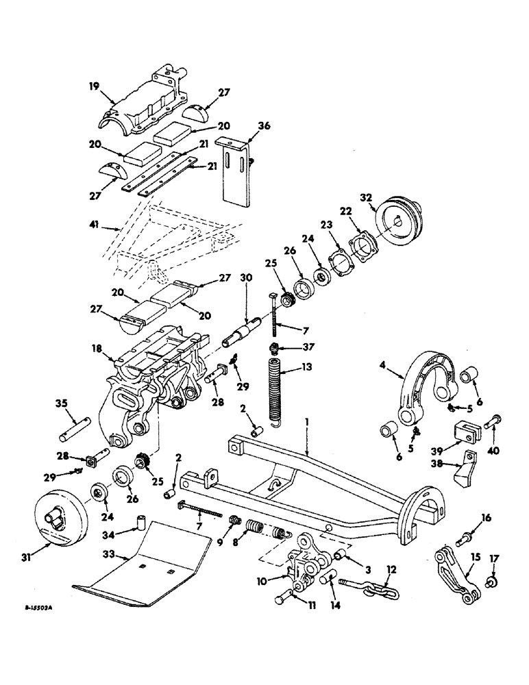
Запчасти Case IH 200 (F-04) - COUPLING FRAME, PENDULUM HOUSING AND RELATED PARTS

Схема запчастей Case IH 200 - (F-04) - COUPLING FRAME, PENDULUM HOUSING AND RELATED PARTS
FIT
1:1
100%

Артикул

Название

Примечание

Количество

1

481176R92

FRAME ASSEMBLY, coupling

1шт.

2

481183R1

BUSHING

coupling frame

2шт.

3

527132R1

BUSHING,19.06mm ID x 22.21mm OD x 25.4mm L

coupling frame, in rear bar

1шт.

4

481193R41

SECTOR ASSY, outer

1шт.

350523R1

BOLT (SPREADER),5/8" - 11 x 2 1/4"

BOLT, 5/8-11 x 2-1/4 sq-hd mach

3шт.

589068R1

WASHER

21/32 x 1-5/16 x 11 ga

12шт.

473211R1

LOCK NUT,5/8"-11, GB

NUT, 5/8-11 hex.

2шт.

5

109461

LUBE NIPPLE,1/8"-27 x .66 lg

NIPPLE, LUBE, , PTF 1/8"-27 x .66 lg

2шт.

6

481194R1

BUSHING

outer sector

2шт.

7

481419R1

BOLT, 1/2 x 7 sq-hd mach

2шт.

PO10535

WASHER

17/32 x 1-1/4 x 11 ga

1шт.

28407K

WASHER

17/32 x 1-1/4 x 22 ga

2шт.

105608

NUT

1/2-13 sq

2шт.

200835R1

WASHER

17/32 x 1-1/4 x 7 ga

1шт.

8

M1430

VALVE SPRING

SPRING, lift

1шт.

9

M1425

PLUG

lift spring

1шт.

10

481184R1

LEVER, lift

1шт.

11

514576R1

AXLE PIN

PIN, 3/4 x 2-5/16 std-hd

1шт.

432-1620

COTTER PIN,1/4" x 1 1/4"

Pin, Split (Cotter), 1/4" x 1 1/4"

1шт.

12

481185R91

BOLT ASSY, gag

1шт.

102639

NUT,5/8"-11, G5

2шт.

13

481137R1

SPRING, extension, 1966

1шт.

13

486731R1

SPRING

extension, 1967 & since

1шт.

14

458914R1

PIN

PIVOT, gag rod

1шт.

15

481191R1

LEVER

gag, order 486399R2 & 625565R1

1шт.

15

486399R2

LEVER

gag

1шт.

16

Q1335

AXLE PIN

PIN, 3/4 x 2 std-hd

1шт.

432-1620

COTTER PIN,1/4" x 1 1/4"

Pin, Split (Cotter), 1/4" x 1 1/4"

1шт.

17

481192R1

PIN, gag lever, 1966

1шт.

17

625565R1

PIN, gag lever, 1967 & since

1шт.

432-1620

COTTER PIN,1/4" x 1 1/4"

Pin, Split (Cotter), 1/4" x 1 1/4"

1шт.

18

481143R2

HOUSING, pendulum

1шт.

495538R1

PLUG, 3/8NPT vented pipe, on left forward side of housing

1шт.

484997R1

STRIP

1шт.

19

481160R1

CAP, pendulum housing

1шт.

306873C1

WASHER, 17/32 x 1 x 11 ga

4шт.

179889

BOLT,Hex, 1/2" - 13 x 2", Gr 5

SCREW, 1/2-13 x 2 hex-hd cap

4шт.

271566

SUPPORT,Hex, 5/8" - 11 x 3", Gr 5

SCREW, 5/8-11 x 3 hex-hd cap

4шт.

231-1408

LOCK NUT,1/2"-13, GB

NUT, 1/2-13 esna stop

4шт.

19508R1

LOCK NUT,5/8"-11, GB

NUT, 5/8-11 esna stop

4шт.

486258R1

WASHER

4шт.

20

481161R1

STRIP

DAMPER, rubber

4шт.

21

481171R1

SPACER, pendulum housing cap, or as required

8шт.

22

481162R1

HOUSING, brg cap

1шт.

179795

TILLAGE BLADE

SCREW, 1/4-20 x 3/4 hex-hd cap

4шт.

103319

LOCK WASHER,1/4"

WASHER, LOCK 1/4"

4шт.

23

481163R1

SHIM, brg cap housing .002

2шт.

23

481164R1

SHIM, brg cap housing .005

4шт.

23

481165R1

SHIM, brg cap housing .010

7шт.

24

364477R91

RING

SEAL, flywheel shaft oil

2шт.

25

560953R91

BEARING ASSY,1.375" ID x 2.875" OD x 0.9688"

BEARING, flywheel shaft cone

2шт.

26

165964R1

BEARING CUP

BEARING, flywheel shaft cup

2шт.

27

481166R1

SECTOR

4шт.

19845R1

LOCK PIN,3/8" x 2 3/4", Slotted

Pin, 3/8" x 2 3/4", Slotted

4шт.

28

481172R11

PIN ASSY, pivot

2шт.

32-1632

COTTER PIN,1/4" x 2"

PIN, SPLIT (COTTER), 1/4" x 2"

2шт.

29

219-37

LUBE NIPPLE,45 Degree Elbow, 1/4" - 28 NPTF

FITTING, 1/4-28NS 45 deg angle lub

2шт.

30

481149R11

SHAFT ASSY, flywheel

1шт.

31

481151R11

FLYWHEEL ASSY

1шт.

486349R1

KEY, 3/8 x 1-3/8 sq tapered

1шт.

32

481153R1

PULLEY, flywheel driven

1шт.

578673R1

KEY, 3/8 x 3/4 sq parallel

1шт.

441015R1

LOCK PIN,5/16" x 2 1/4", Slotted

1шт.

455257R1

LOCK PIN,3/16" x 2 1/4", Slotted

Pin, 3/16" x 2 1/4", Slotted

1шт.

33

481154R1

SHIELD, flywheel

1шт.

15041R1

CARRIAGE BOLT,Short Sq Nk, 1/2" - 13 x 1 1/2"

BOLT, 1/2 x 1-1/2 sq-nk crg

1шт.

15160R1

BOLT

1/2 x 3-1/4 sq-nk crg

1шт.

283856C1

WASHER

.531 x 1 x .1793

2шт.

Q3501

WASHER

25/32 x 1-1/4 x 16 ga

1шт.

231-1408

LOCK NUT,1/2"-13, GB

NUT, 1/2-13 esna stop

2шт.

34

582017R1

SPACER

flywheel shield

1шт.

35

481155R1

PIN, pivot

1шт.

615227R1

WASHER

1-1/32 x 1-3/4 x 11 ga

2шт.

13121R1

Pin, Split (Cotter), 1/4" x 1 1/2", self opening 1/4" x 1 1/2"

2шт.

36

481156R91

SUPPORT ASSY, drive pulley

1шт.

625691R1

SCREW, 1/2-13 x 3-1/2 hex-hd cap

1шт.

15174R1

BOLT (SPREADER)

BOLT, 1/2 x 3-1/2 sq-nk crg

2шт.

102637

NUT,1/2"-13, G5

3шт.

321295R1

NUT, 5/8-18 esna stop LH

1шт.

12258R1

WASHER

21/32 x 1-1/4 x 11 ga

1шт.

37

M1425

PLUG

lift spring, 1966

1шт.

37

600076R1

PLUG

lift spring, 1967 and since

1шт.

38

493874R91

SUPPORT, bar, 1967 and since, replaces 488458R1

1шт.

39

488459R1

YOKE, outer sector stud, 1967 and since

1шт.

40

464624R1

HEADED PIN,1/2" x 1 15/16"

PIN, 1/2 x 1-5/16 C-Z std-hd, 1967 & since

1шт.

137186

PIN, 1/8 x 1 C-Z cot.

1шт.

21830R1

LOCK PIN,3/16" x 1 1/4", Slotted

Pin, 3/16" x 1 1/4", Slotted

1шт.

41

FRAME ASSY, main, refer to main frame and related parts unit

1шт.

493875R1

CLIP, limiter

1шт.

181561

BOLT,Hex, 1/4" - 28 x 1/2", Gr 5

1/4-NF x 1/2 type 5

1шт.

492-11025

LOCK WASHER,1/4"

WASHER, LOCK, 1/4"

1шт.

Выбрано товаров: 91