Запчасти Case IH 200 (F-10) - HAY CONDITIONER DRIVE

Схема запчастей Case IH 200 - (F-10) - HAY CONDITIONER DRIVE
FIT
1:1
100%

Артикул

Название

Примечание

Количество

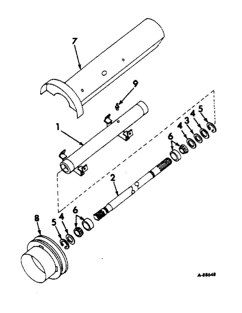
1

485716R1

SLEEVE ASSEMBLY, conditioner drive

1шт.

485733R1

SCREW, 5/8-11 x 5 hex-hd cap

4шт.

578274R1

WASHER

21/32 x 1 x 11 ga

4шт.

19508R1

LOCK NUT,5/8"-11, GB

NUT, 5/8-11 nylon insert

4шт.

473211R1

LOCK NUT,5/8"-11, GB

NUT, 5/8-11 C-Z 2-way lock

4шт.

2

485720R1

SHAFT, conditioner drive

1шт.

3

485721R1

SHIM, drive shaft .002

4шт.

3

485722R1

SHIM, drive shaft .005

6шт.

3

485723R1

SHIM, drive shaft .010

4шт.

4

785724R1

WASHER, drive shaft

3шт.

5

21193R1

SNAP RING,#137. Ext

Ring, Snap, #137, Ext

2шт.

6

459912R91

BEARING ASSY,1.3755" ID x 2.5635" OD x 0.74"

BEARING ASSEMBLY, drive shaft roller

2шт.

7

485726R11

SHIELD W/PRODUCT GRAPHIC ASSEMBLY

1шт.

179835

BOLT,Hex, 3/8" - 16 x 5/8", Gr 5, Full Thd

4шт.

103321

LOCK WASHER,3/8"

WASHER, LOCK, 3/8"

4шт.

8

485729R1

PULLEY ASSEMBLY, drive

1шт.

180124

BOLT,Hex, 3/8" - 16 x 1 1/4", Gr 5

SCREW, 3/8-16 x 1-1/4 hex-hd cap

4шт.

69981R1

LOCK NUT,3/8"-16, GB

NUT, 3/8-16 zn-pltd hex. lock

4шт.

9

18425R91

LUBE NIPPLE,1/8"-27 NPT x .83" lg

FITTING, 1/8-27 ptf pressure relief str lub

1шт.

M32813

V-BELT,0.88" W x 54.17" L

0.88" W 54.17" L, Drive

1шт.

Выбрано товаров: 20