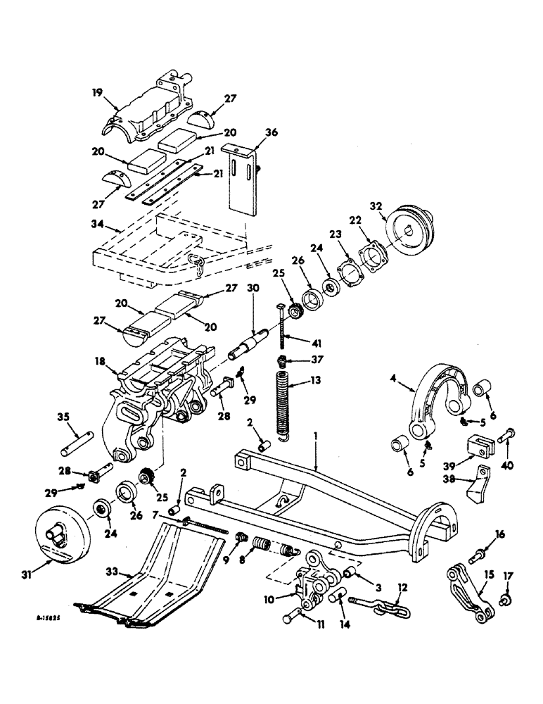
Запчасти Case IH 230 (J-06) - COUPLING FRAME, PENDULUM HOUSING AND RELATED PARTS

Схема запчастей Case IH 230 - (J-06) - COUPLING FRAME, PENDULUM HOUSING AND RELATED PARTS
FIT
1:1
100%

Артикул

Название

Примечание

Количество

1

481176R92

FRAME ASSY, coupling

1шт.

2

481183R1

BUSHING

coupling frame

2шт.

3

527132R1

BUSHING,19.06mm ID x 22.21mm OD x 25.4mm L

coupling frame

1шт.

4

481193R41

SECTOR ASSY, outer

1шт.

350523R1

BOLT (SPREADER),5/8" - 11 x 2 1/4"

BOLT, 5/8 x 2-1/4 sq-hd mach

3шт.

589068R1

WASHER

21/32 x 1-1/4 x 11 ga C-Z

12шт.

473211R1

LOCK NUT,5/8"-11, GB

NUT, 5/8-11 C-Z hex. lock

2шт.

5

109461

LUBE NIPPLE,1/8"-27 x .66 lg

NIPPLE, LUBE, , PTF 1/8"-27 x .66 lg

2шт.

6

481194R1

BUSHING

outer sector

2шт.

7

481419R1

BOLT, 1/2 x 7 sq-hd mach

1шт.

20601R1

WASHER

17/32 x 1-1/4 x 11 ga C-Z

1шт.

21376R1

WASHER, 17/32 x 1-1/2 x 22 ga C-Z

1шт.

125536

SQUARE NUT

1/2-13 C-Z sq

1шт.

8

M1430

VALVE SPRING

SPRING, lift

1шт.

9

M1425

PLUG

lift spring

1шт.

10

481184R1

LEVER, lift

1шт.

11

21379R1

PIN, 3/4 x 2-15/16 C-Z std-hd

1шт.

432-1620

COTTER PIN,1/4" x 1 1/4"

Pin, Split (Cotter), 1/4" x 1 1/4"

1шт.

12

481185R91

BOLT ASSY, gag

1шт.

280374

NUT,Hex, 5/8" - 11, Gr 5

5/8-11 C-Z hex.

2шт.

13

486731R1

SPRING

1шт.

14

458914R1

PIN

PIVOT, gag rod

1шт.

15

486399R2

LEVER

gag

1шт.

16

21377R1

HEADED PIN,3/4" x 2"

PIN, 3/4 x 2 C-Z std-hd

1шт.

432-1620

COTTER PIN,1/4" x 1 1/4"

Pin, Split (Cotter), 1/4" x 1 1/4"

1шт.

17

21378R1

PIN, 3/4 x 1-5/8 C-Z std-hd

1шт.

432-1620

COTTER PIN,1/4" x 1 1/4"

Pin, Split (Cotter), 1/4" x 1 1/4"

1шт.

18

481143R2

HOUSING, pendulum

1шт.

495538R1

PLUG, 3/8 NPT vented pipe

1шт.

484997R1

STRIP

5шт.

19

481160R1

CAP, pendulum housing

1шт.

179889

BOLT,Hex, 1/2" - 13 x 2", Gr 5

SCREW, 1/2-13 x 2 hex-hd cap

4шт.

271566

SUPPORT,Hex, 5/8" - 11 x 3", Gr 5

SCREW, 5/8-11 x 3 hex-hd cap

4шт.

306873C1

WASHER, 17/32 x 1-1/8 x 3/16

4шт.

231-1408

LOCK NUT,1/2"-13, GB

NUT, 1/2-13 esna stop

4шт.

486258R1

WASHER, 21/32 x 1-1/8 x 3/16

4шт.

19508R1

LOCK NUT,5/8"-11, GB

NUT, 5/8-11 esna stop

4шт.

20

481161R1

STRIP

DAMPER, rubber

4шт.

21

481171R1

SPACER, pendulum housing cap, or as required

8шт.

22

481162R1

HOUSING, brg cap

1шт.

179795

TILLAGE BLADE

SCREW, 1/4-20 x 3/4 hex-hd cap

4шт.

103319

LOCK WASHER,1/4"

WASHER, LOCK 1/4"

4шт.

23

481163R1

SHIM, brg cap housing - .002

2шт.

23

481164R1

SHIM, brg cap housing - .005

4шт.

23

481165R1

SHIM, brg cap housing - .010

7шт.

24

364477R91

RING

SEAL, flywheel shaft oil

2шт.

25

560953R91

BEARING ASSY,1.375" ID x 2.875" OD x 0.9688"

BEARING ASSY, flywheel shaft cone

2шт.

26

165964R1

BEARING CUP

BEARING, flywheel shaft cup

2шт.

27

481166R1

SECTOR

4шт.

19845R1

LOCK PIN,3/8" x 2 3/4", Slotted

Pin, 3/8" x 2 3/4", Slotted

4шт.

28

481172R11

PIN ASSY, pivot

2шт.

32-1632

COTTER PIN,1/4" x 2"

PIN, SPLIT (COTTER), 1/4" x 2"

2шт.

29

219-37

LUBE NIPPLE,45 Degree Elbow, 1/4" - 28 NPTF

FITTING, 1/4-28NS 45 deg angle lub

2шт.

30

481149R11

SHAFT ASSY, flywheel

1шт.

31

481151R11

FLYWHEEL ASSY

1шт.

486349R1

KEY, 3/8 x 1-3/8 sq tapered

1шт.

32

481153R1

PULLEY, flywheel driven

1шт.

578673R1

KEY, 3/8 x 3/4 sq parallel

1шт.

441015R1

LOCK PIN,5/16" x 2 1/4", Slotted

1шт.

455257R1

LOCK PIN,3/16" x 2 1/4", Slotted

Pin, 3/16" x 2 1/4", Slotted

1шт.

33

486740R1

SHIELD, flywheel

1шт.

15041R1

CARRIAGE BOLT,Short Sq Nk, 1/2" - 13 x 1 1/2"

BOLT, 1/2 x 1-1/2 sq-nk crg

2шт.

283856C1

WASHER

2шт.

231-1408

LOCK NUT,1/2"-13, GB

NUT, 1/2-13 esna stop

2шт.

34

FRAME ASSY, main, refer to main frame and related parts unit

1шт.

35

481155R1

PIN, pivot

1шт.

614451R1

WASHER

1-1/32 x 1-3/4 x 11 ga C-Z

2шт.

13121R1

Pin, Split (Cotter), 1/4" x 1 1/2" 1/4" x 1 1/2"

2шт.

36

481156R91

SUPPORT ASSY, drive pulley

1шт.

625691R1

SCREW, 1/2-13 x 2-1/2 C-Z hex-hd cap

1шт.

18711R1

BOLT,Short NK, 1/2"-13 x 3 1/2", G2

1/2 x 3-1/2 C-Z sq-nk crg

2шт.

120384

WASHER,1/2"

LOCK, 1/2"

2шт.

120378

NUT,Hex, 1/2" - 13, Gr 5

NUT, 1/2"-13, G5

3шт.

12258R1

WASHER

21/32 x 1-1/4 x 11 ga

1шт.

321295R1

NUT, 5/8-18 esna stop LH

1шт.

37

600076R1

PLUG

1шт.

38

493874R91

SUPPORT, bar

1шт.

39

488459R1

YOKE, outer sector stud

1шт.

40

464624R1

HEADED PIN,1/2" x 1 15/16"

PIN, 1/2 x 1-5/16 C-Z std-hd

1шт.

137186

PIN, 1/8 x 1 C-Z cot.

1шт.

21830R1

LOCK PIN,3/16" x 1 1/4", Slotted

Pin, 3/16" x 1 1/4", Slotted

1шт.

41

481419R1

BOLT, 1/2-13 x 7 sq-hd mach

1шт.

125536

SQUARE NUT

1/2 sq type 1

1шт.

21375R1

WASHER

.531 x 1.250 x .164

1шт.

21376R1

WASHER, .531 x 1.50 x .027

1шт.

493875R1

CLIP, limiter

1шт.

181561

BOLT,Hex, 1/4" - 28 x 1/2", Gr 5

1/4-NF x 1/2 type 5

1шт.

492-11025

LOCK WASHER,1/4"

WASHER, LOCK, 1/4"

1шт.

Выбрано товаров: 88