Запчасти Case IH 3110 (N-11) - REAR DRIVE UNIT

Схема запчастей Case IH 3110 - (N-11) - REAR DRIVE UNIT
FIT
1:1
100%

Артикул

Название

Примечание

Количество

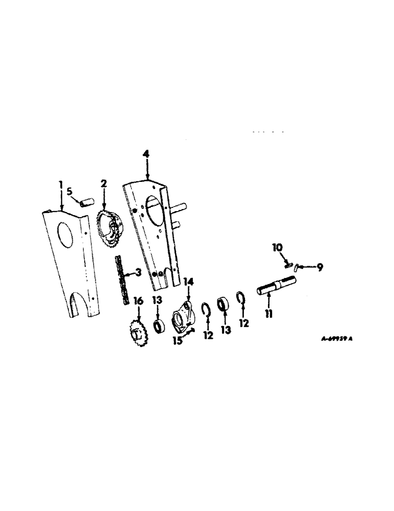
1

463399R21

SHIELD W/PRODUCT GRAPHIC, 56630C1, rear, unit A

1шт.

1

463396R11

SHIELD W/PRODUCT GRAPHIC, 56630C1, rear mounting, unit B

1шт.

180018

CONNECTING LINK

1/4 x 5/8 type 5

4шт.

492-11025

LOCK WASHER,1/4"

WASHER, LOCK, 1/4"

4шт.

2

465176R2

SPROCKET ASSY.

SPROCKET, PTO drive 40T

1шт.

180185

BOLT,Hex, 1/2" - 13 x 2 1/2", Gr 5

1/2 x 2-1/2 type 5

1шт.

120378

NUT,Hex, 1/2" - 13, Gr 5

NUT, 1/2"-13, G5

1шт.

120384

WASHER,1/2"

LOCK, 1/2"

1шт.

3

CHAIN, drive, use 75 links of 5/8 in. pitch stock roller chain from a 10 ft. roll marked 1791D, one connecting link 1310D and one offset link 1315D, units A

1шт.

3

CHAIN, drive, use 69 links of 5/8 in. pitch stock roller chain from a 10 ft. roll marked 1791D and one connecting link 1310D, unit B

1шт.

4

463397R41

PLATE ASSY, rear mounting, unit A

1шт.

180191

BOLT,Hex, 1/2" - 13 x 3 1/4", Gr 5

1/2 x 3-1/4 type 5

3шт.

120384

WASHER,1/2"

LOCK, 1/2"

3шт.

4

463393R11

PLATE

ASSY, rear mounting, unit B

1шт.

22880R1

BOLT, 7/16 x 7-3/4 type 5

3шт.

120383

LOCK WASHER,Helical Spring, 7/16"

WASHER, LOCK, 7/16"

3шт.

607891R1

WASHER

.469 x 1.000 x .054

6шт.

5

463398R1

SPACER

pipe, 3 for unit A

1шт.

6

Not used

1шт.

7

Not used

1шт.

8

Not used

1шт.

9

21651R1

LOCK PIN,5/16" x 2", Slotted

Pin, 5/16" x 2", Slotted

1шт.

9

22004R1

LOCK PIN,3/16" x 2", Slotted

Pin, 3/16" x 2", Slotted

1шт.

10

Q1482

KEY,5/16" Sq x 1", Par

5/16 x 1 sq parallel

2шт.

11

464253R1

SHAFT

rear drive

1шт.

12

360936R1

RING

int rear drive brg retaining

2шт.

13

ST211

BEARING, BALL,30 mm ID x 62 mm OD x 16 mm

BEARING, rear drive ball

2шт.

14

463359R1

HOUSING

rear drive

1шт.

180176

SCREW,Hex, 1/2" - 13 x 1 3/8", Gr 5

BOLT, 1/2 x 1-3/8 type 5

1шт.

120384

WASHER,1/2"

LOCK, 1/2"

1шт.

178374R1

WASHER

.531 x 1.250 x .054

1шт.

15

16884R1

FITTING, 1/8-27 PTF 65 deg angle vented lub

1шт.

16

464251R11

SPROCKET ASSY.

SPROCKET ASSY, driven

1шт.

Выбрано товаров: 33