Качественные детали и логистика
Оригинальные и аналоговые запчасти с доставкой по России, Казахстану и Беларуси
©2022 PartSell ООО "Система" ИНН 2463123282 ОГРН 1212400004838
Центральный офис: г. Красноярск, Академика Киренского, д.87, пом.4
Телефон: 8 (800) 777-65-74 Email: zakaz@partsell.ru
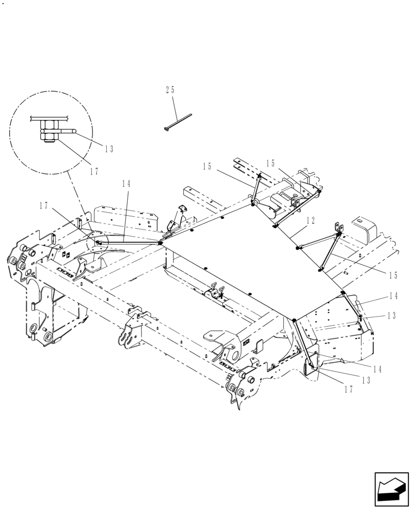
(006[3]) - SHIELD
№
Артикул
Название
Примечание
Количество
12
87638770
COVER
Poly
1шт.
13
115680
HOOK
Anchor
6шт.
14
273672
FASTENER
Rubber Strap, 9"
3шт.
15
86565824
Dual Hook Strap
5шт.
16
9638005
JAM NUT,Jam, 1/2"-13, G2
2шт.
17
594116
CABLE TIE,5/16" W x 21.5" L
CABLE STRAP
Выбрано товаров: 0