Запчасти Case IH 16 (16) - ROLLER FRAMES

Схема запчастей Case IH 16 - (16) - ROLLER FRAMES
FIT
1:1
100%

Артикул

Название

Примечание

Количество

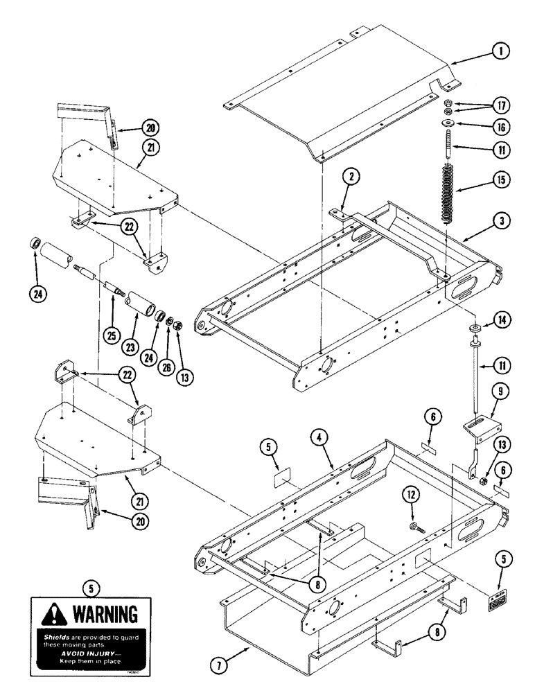
1

ZA551358

COVER

- roller, top

1шт.

2

ZA551355

BAR

- spring support

2шт.

3

ZA551776

FRAME

ASSEMBLY - roller, upper

1шт.

4

ZA551817

FRAME ASSY

FRAME ASSEMBLY - roller, lowre

1шт.

5

REF

INSTRUCTION

DECAL - warning, keep shields in place (See page 22)

2шт.

6

REF

INSTRUCTION

DECAL - reflector, red (See page 22)

2шт.

7

ZA551875

COVER

- roller, bottom

1шт.

8

ZA551870

BRACKET

- shield

4шт.

9

ZA551965

BRACKET

- tension rod

2шт.

11

ZA551931

ROD

- tension

2шт.

12

485734R1

CARRIAGE BOLT,Short NK, 1/2"-13 x 1 1/4", G5, Full Thd

BOLT - round head square neck, 1/2 NC x 1-1/4 inch

2шт.

13

120378

NUT,Hex, 1/2" - 13, Gr 5

NUT, 1/2"-13, G5

6шт.

14

ZA551397

WASHER

- rubber

2шт.

15

ZA741142

SPRING

- compression

2шт.

16

25556R1

WASHER,21/32" x 1 1/2" x .188", HDN

- flat, hardened

2шт.

17

280374

NUT,Hex, 5/8" - 11, Gr 5

- hex, 5/8 inch NC

4шт.

20

ZA551865

DEFLECTOR

- material

2шт.

21

ZA551866

SUPPORT

- bracket, idler roller

2шт.

22

ZA551357

BRACKET

- idler roller

4шт.

23

ZA551949

ROLLER

- idler

2шт.

24

131096C91

BEARING

- ball

4шт.

25

ZA551950

SHAFT

- idler roller

2шт.

26

120384

WASHER,1/2"

LOCK, 1/2"

4шт.

Выбрано товаров: 23