Качественные детали и логистика
Оригинальные и аналоговые запчасти с доставкой по России, Казахстану и Беларуси
©2022 PartSell ООО "Система" ИНН 2463123282 ОГРН 1212400004838
Центральный офис: г. Красноярск, Академика Киренского, д.87, пом.4
Телефон: 8 (800) 777-65-74 Email: zakaz@partsell.ru
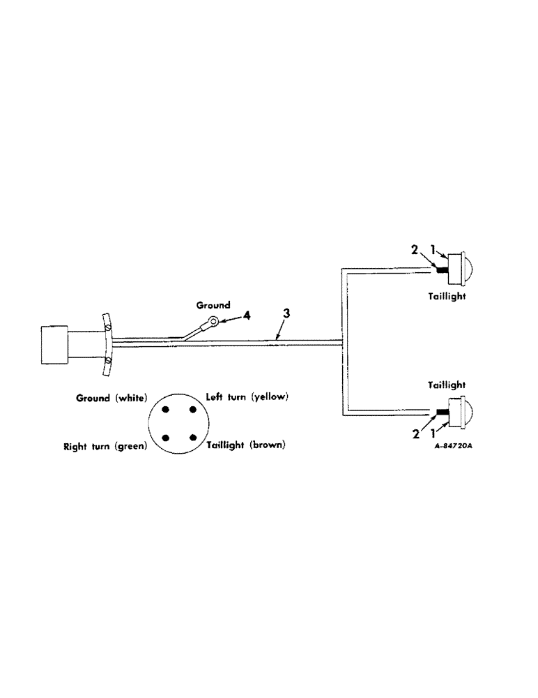
(B-148) - WIRING DIAGRAM, 1965 AND SINCE, PRODUCT GRAPHICS
№
Артикул
Название
Примечание
Количество
1
962350R91
TAILLIGHT, Consists of:
2шт.
964586R1
LENS
1шт.
964587R1
GASKET
964588R1
SNAP RING
964589R1
LICENSE WINDOW
964590R1
WIRING PIGTAIL
2
377630C1
CONNECTOR, ELEC
CONNECTOR, wire
4шт.
3
959499R92
HARNESS, wiring
4
NLS
NO LONGER SERVICED
TERMINAL
BOLT, 3/8 x 3/4 mach
NUT, 3/8
WASHER, 3/8 lock
90898R91
CONNECTION,ELECTRIC
CONNECTOR, female, For towing vehicle
2751254R1
INTERNATIONAL, outside frame angles
2752487R1
NAME, 5 tilt bed trailer, frame
1001029R3
DECAL
IH, outside frame angles
2750860R1
SAFETY, on front frame angle
Выбрано товаров: 0