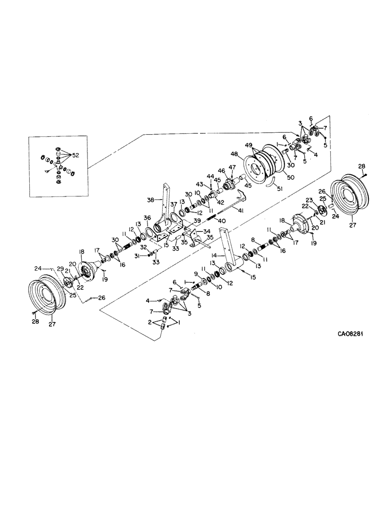
Запчасти Case IH 96 (G-04) - WHEELS AND WHEEL DRIVE, GROUND DRIVE RAKES

Схема запчастей Case IH 96 - (G-04) - WHEELS AND WHEEL DRIVE, GROUND DRIVE RAKES
FIT
1:1
100%

Артикул

Название

Примечание

Количество

1

124553

WOODRUFF KEY,#15, 1/4" x 1", HT

4шт.

2

ZA400519

SHAFT

AXLE

1шт.

3

ZA400513

JOINT

ASSY, universal

2шт.

4

80711

LUBE NIPPLE,65 Degree, 1/8" NPT x 7/8" lg

FITTING, 1/8 PTF short 65D lub

2шт.

5

1254012C1

RIVET

1/4 x 2-1/4 drilled

3шт.

6

103373

COTTER PIN,3/32" x 3/4"

Pin, Split (Cotter), 3/32" x 3/4"

3шт.

7

1265899C1

YOKE

4шт.

8

ZA400517

SHAFT

drive, 13-13/32 in. long

1шт.

9

Q3484

WASHER

1.281 x 1.875 x .054 pln (or as required)

2шт.

10

152450R1

SNAP RING,#125, Ext

RING, 1.156 ext ret

2шт.

11

22050R1

WASHER

1.281 x 1.750 x .054

2шт.

12

602957R91

BEARING ASSY,31.75mm ID x 59.13mm OD x 16mm W

W/CUPS ASSY, cone

4шт.

13

651817R1

BEARING CUP

BEARING, cup

4шт.

14

ZA400851

BRACKET

W/TWO BEARINGS, 651817R1, wheel

1шт.

15

219-31

LUBE NIPPLE,30 Degree Elbow, 1/8" - 27 NPTF

FITTING, 1/8 PTF short 30D lub

2шт.

16

133613H

NUT

1-1/4 in.

4шт.

17

ZA400594

SLEEVE

ASSY

2шт.

18

ZA400084

HUB

wheel drive

2шт.

19

80717

LUBE NIPPLE,45 Degree, 1/8" NPT x 7/8" lg

FITTING, 1/8 PTF short 45D lub

2шт.

20

ZA013239

RIVET, 1/4 x 1-3/8 drilled

2шт.

21

1254006C1

SPRING

2шт.

22

ZA400083

PAWL

drive

2шт.

23

ZA400081

HUB

ratchet

1шт.

24

103384

COTTER PIN,1/8" x 3/4"

Pin, Split (Cotter), 1/8" x 3/4"

2шт.

25

432-68

COTTER PIN,3/32" x 1/2"

Pin, Split (Cotter), 3/32" x 1/2"

2шт.

26

1254013C1

RIVET

3/8 x 3-1/8 drilled

2шт.

27

455169R92

WHEEL

ASSY, 15 in., for 5.00-15 tire

2шт.

28

549962R1

BOLT,1 1/2" - 20 x 1 1/2", Class 3

wheel hub

8шт.

29

ZA400082

HUB

ratchet

1шт.

30

ZA400518

SHAFT

drive, 19-23/32 in. long

1шт.

31

473211R1

LOCK NUT,5/8"-11, GB

NUT, 5/8-11 hex lock

1шт.

32

NLS

NO LONGER SERVICED

.656 x 1.312 x .074

1шт.

33

27803R1

SPACER,7/8" Tube x 3 1/4"

7/8 x 3.250 tube

1шт.

34

ZA400537

CAM

shifter, 96 rake

1шт.

34

ZA400538

CAM

shifter, 97 rake

1шт.

35

ZA400096

SLIDE

shifter

1шт.

36

ZA400533

BRACKET

shifter, 96 rake

1шт.

36

ZA400534

BRACKET

shifter, 97 rake

1шт.

37

ZA400535

BRACKET

shifter, 96 rake

1шт.

37

ZA400536

BRACKET

shifter, 97 rake

1шт.

38

ZA400850

BRACKET

W/TWO BEARINGS, 651817R1, wheel

1шт.

39

27387R1

WASHER,17/32" x 1.002" x .150", Stainless

.531 x 1.002 x .134 pln

4шт.

40

1254005C1

SPRING

1шт.

41

ZA400587

YOKE

ASSY

1шт.

42

ZA400656

CLUTCH

HUB, clutch, 96 rake

1шт.

42

ZA400657

CLUTCH

HUB, clutch, 97 rake

1шт.

43

120378

NUT,Hex, 1/2" - 13, Gr 5

NUT, 1/2"-13, G5

1шт.

44

1253999C1

SCREW

set

1шт.

45

1254011C1

BUSHING

hub

2шт.

46

ZA400660

HUB

W/TWO BUSHINGS, 1254011C1, drive, 96 rake

1шт.

46

ZA400661

HUB

W/TWO BUSHINGS, 1254001C1, drive, 97 rake

1шт.

47

219-8

LUBE NIPPLE,1/4" - 28 NPTF

NIPPLE, LUBE, 1/4"-28 NPT x .54" lg

1шт.

48

ZA400192

PULLEY

SHEAVE, drive, half

1шт.

49

ZA400191

SPACER

for sheave

6шт.

50

ZA400092

PULLEY

SHEAVE, drive, half

1шт.

51

ZA400875

BELT,0.879" W x 140.99" L

Round 0.879" W x 140.99" L

1шт.

52

150635R92

SPIDER

KIT, cross

2шт.

Выбрано товаров: 57