Запчасти Case IH 960 (9-22) - CASTER WHEEL ASSEMBLY (09) - CHASSIS

Схема запчастей Case IH 960 - (9-22) - CASTER WHEEL ASSEMBLY (09) - CHASSIS
FIT
1:1
100%

Артикул

Название

Примечание

Количество

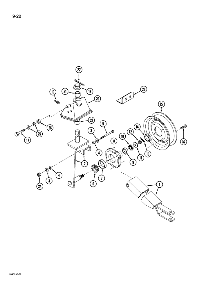
1

ZA400685

TOW BAR

TONGUE ASSEMBLY (860 and 960 Rakes)

1шт.

1

ZA400787

EXTENSION

TONGUE ASSEMBLY - extended (970 Rakes)

1шт.

2

ZA401014

SPINDLE

ASSEMBLY

1шт.

3

25976R1

WASHER,21/32" x 1 5/16" x .150", HDN

- flat, hardened

2шт.

4

60847C1

BUSHING

SPACER - spindle

2шт.

5

20166R1

BOLT,Hex, 5/8" - 11 x 6", Gr 5

- hex, 5/8 NC x 6 inch

1шт.

602957R91

BEARING ASSY,31.75mm ID x 59.13mm OD x 16mm W

- spindle inner, with seal, Includes: Ref. 6 & 7

1шт.

6

NSS

NOT SOLD SEPARAT

CONE - inner cone

1шт.

7

651817R1

BEARING CUP

CUP - bearing, outer

1шт.

8

472220R2

HUB

- wheel

1шт.

Order 138643 screw separately. This is required to plug tapped hole.

1шт.

9

651814R1

BEARING CUP

CUP - bearing, outer

1шт.

10

651815R91

BEARING ASSY,7.508" ID x 17.82" OD x 6"

CONE - bearing, outer

1шт.

10

651815R91GV

BEARING CONE

Value, Cone Bearing

1шт.

11

446257

WASHER,3/4" x 1 3/4" x .148"

- flat, 13/16 x 1-3/4 x 1/8 inch

1шт.

12

NLS

NO LONGER SERVICED

- hex slotted, 5/8 inch NF

1шт.

13

103385

COTTER PIN,1/8" x 1"

PIN, SPLIT (COTTER), 1/8" x 1"

1шт.

14

522021R1

CAP

- hub

1шт.

15

455169R92

WHEEL

- 15 x 4-1/2 KB

1шт.

16

549962R1

BOLT,1 1/2" - 20 x 1 1/2", Class 3

- hex conical, 1/2 NF x 1-1/2 inch

4шт.

17

24861R1

BOLT,Hex, 1/2" - 13 x 1 1/4", Gr 8

- hex, 1/2 NC x 1-1/2 inch

8шт.

18

1980909C1

WASHER

- 1-25/32 x 2-1/2 x 1/16 inch

3шт.

19

219-8

LUBE NIPPLE,1/4" - 28 NPTF

NIPPLE, LUBE, , straight 1/4"-28 NPT x .54" lg

1шт.

20

ZA401085

PIVOT

SUPPORT - caster pivot (860 and 960 Rake), Includes: Ref. 21

1шт.

20

ZA401086

PIVOT

SUPPORT - caster pivot (970 Rake), Includes: Ref. 21

1шт.

21

ZA526610

BUSHING,1.757" ID x 2.004" OD x 1.25"

BEARING - lift arm

2шт.

22

132-351

COTTER PIN,1/4" x 2 1/4"

Pin, Split (Cotter), 1/4" x 2 1/4"

1шт.

23

ZA401175

SUPPORT

ANGLE - hose bulkhead (Required only with hydraulic drive)

1шт.

24

473211R1

LOCK NUT,5/8"-11, GB

NUT - hex lock, 5/8 inch NC

1шт.

25

26273R1

WASHER

- flat, 17/32 x 1-1/16 x 1/8 inch

16шт.

26

131-1153

LOCK NUT,1/2"-13, GC

NUT, LOCK, 1/2"-13, GC

8шт.

Выбрано товаров: 31