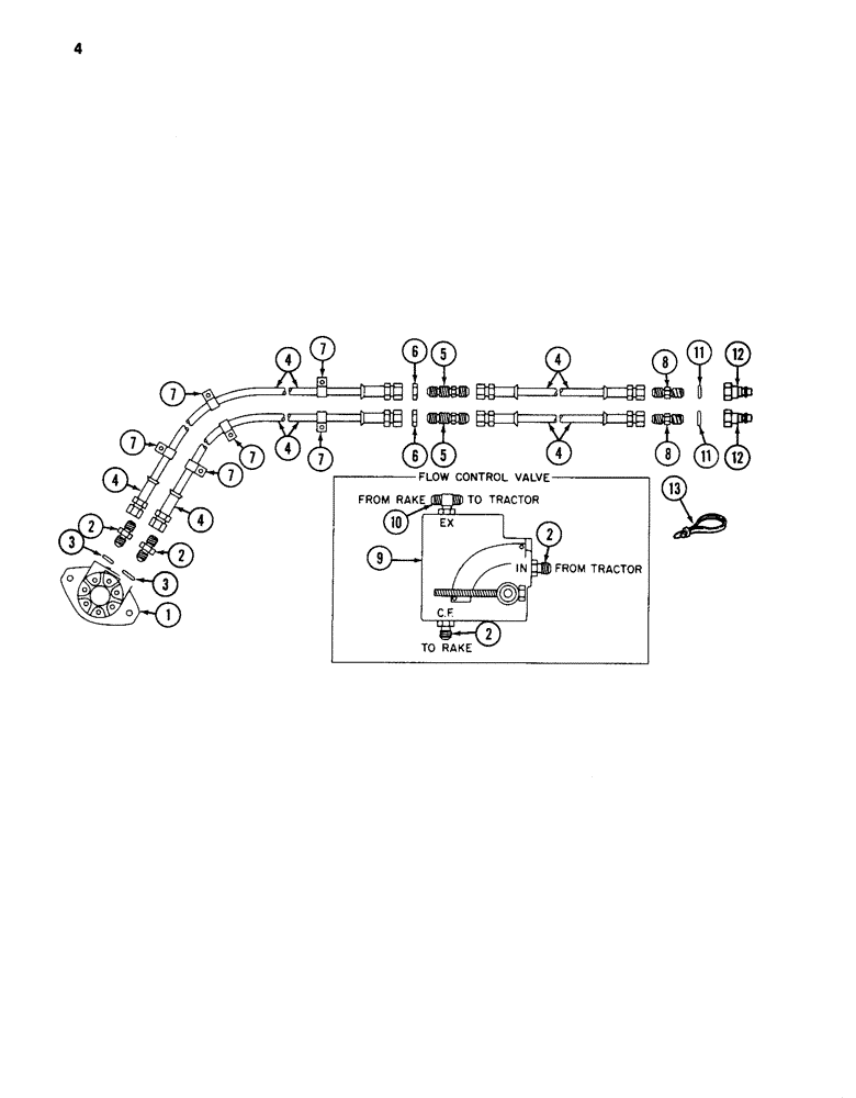
Запчасти Case IH 97 (04) - HYDRAULIC MOTOR FLOW CONTROL VALVE AND HOSES, FOR 96 AND 97 HYDRAULIC DRIVE RAKES

Схема запчастей Case IH 97 - (04) - HYDRAULIC MOTOR FLOW CONTROL VALVE AND HOSES, FOR 96 AND 97 HYDRAULIC DRIVE RAKES
FIT
1:1
100%

Артикул

Название

Примечание

Количество

1

REF

INSTRUCTION

MOTOR ASSEMBLY - hydraulic (17.9 cubic inch)(See Page 9)

1шт.

26317R1

BOLT,Hex, 1/2" - 13 x 1 1/4", Gr 8

- hex prevailing torque, 1/2 NC x 1-1/4 inch, Grade 8

2шт.

2

9410204

HYD CONNECTOR,7/8"-14, 37 Degree x 7/8"-14, O-Ring

CONNECTOR - short, 5/8 inch tube, 7/8-14 thread

4шт.

3

364885R1

O-RING,0.097" Thk x 0.755" ID, -910, Cl 6, 90 Duro

- 5/8 inch OD tube

2шт.

4

ZA400698

HOSE ASSY.

HOSE ASSEMBLY - hydraulic, 1/2 inch ID x 130 inch (3302 mm)

4шт.

5

9403256

FITTING,Blkhd, 7/8"-14, 37 Degree x 7/8"-14, 37 Degree

UNION - bulkhead, 5/8 inch tube, 7/8-14 thread

2шт.

6

NLS

NO LONGER SERVICED

- hex jam, 7/8 inch NF

2шт.

7

299413C1

CLAMP

- coated closed, 13/16 inch diameter

6шт.

8

9410204

HYD CONNECTOR,7/8"-14, 37 Degree x 7/8"-14, O-Ring

CONNECTOR - short, 5/8 inch tube, 7/8-14 thread (Used on couplers with 7/8-14 straight thread)

2шт.

8

384539R1

HYD CONNECTOR,7/8"-14, 37 Degree x 3/4"-16, O-Ring

CONNECTOR - short, 1/2 inch tube 3/4-16 thread x 5/8 inch 7/8-14 thread (Used on couplers with 3/4-16 straight thread)

2шт.

8

9402710

HYD CONNECTOR,7/8"-14, 37 Degree x 1/2"-14, NPTF

CONNECTOR - flared tube, 5/8 inch tube, 7/8-14 thread x 1/2 inch 1/2-14 PT (Used on couplers with 1/2-14 pipe thread)

2шт.

9

ZA733125

VALVE

ASSEMBLY - flow control (See Note A)

1шт.

675683R1

SNAP RING,#93, Ext

Ring, Snap, #93, Ext

2шт.

391912R1

O-RING,0.737" ID x 0.103" Width

- 3/4 x 15/16 x 3/32 inch, class 6

2шт.

413-432

- hex, 1/4 NC x 2 inch

2шт.

120375

NUT,Hex, 1/4" - 20, Gr 5

2шт.

492-11025

LOCK WASHER,1/4"

WASHER, LOCK, 1/4"

2шт.

10

9411119

TEE,7/8"-14, 37 Degree x 7/8"-14, O-Ring Br

- adjustable, 5/8 inch OD tube, 7/8-14 thread

1шт.

11

364885R1

O-RING,0.097" Thk x 0.755" ID, -910, Cl 6, 90 Duro

- 5/8 inch OD tube (Used on couplers with 7/8-14 straight thread)

2шт.

11

570828R1

O-RING,0.087" Thk x 0.644" ID, -908, Cl 6, 90 Duro

- 1/2 inch OD tube (Used on couplers with 3/4-16 straight thread)

2шт.

12

395149R1

QUICK MALE COUPLING

COUPLER - self-sealing male half (Poppet type, 7/8-14 straight thread)(Will work with ISO female half but at low efficiency)

2шт.

12

544787R91

COUPLING, BREAK AWAY

COUPLER - self-sealing male half (Ball type, 7/8-14 straight thread)(Will not work with ISO female half)

2шт.

12

1272399C2

QUICK MALE COUPLING

COUPLER - self-sealing male half (ISO standard, 7/8-14 straight thread)

2шт.

12

1285718C2

QUICK MALE COUPLING

COUPLER - self-sealing male half (ISO standard, 3/4-16 straight thread)

2шт.

13

306132C1

CABLE TIE,14.5" L

STRAP - tie (For hose) 14 in

4шт.

Выбрано товаров: 25