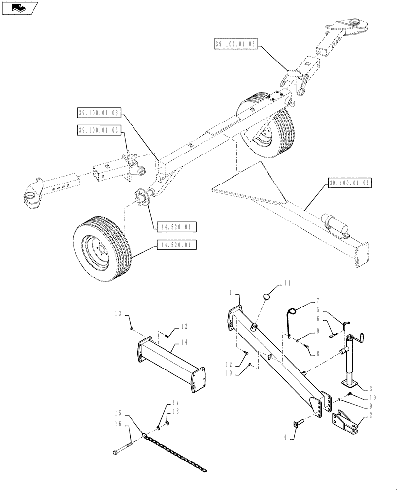
Запчасти Case IH WR102B (39.100.01[01]) - TONGUE & HITCH ASSEMBLY (39) - FRAMES AND BALLASTING

Схема запчастей Case IH WR102B - (39.100.01[01]) - TONGUE & HITCH ASSEMBLY (39) - FRAMES AND BALLASTING
12
8
0
10
home
12
9
3
11
16
13
14
4
5
7
2
18
6
19
17
44.520.01
39.100.01 03
39.100.01 03
39.100.01 03
39.100.01 02
44.520.01
1
9
15
FIT
1:1
100%

Артикул

Название

Примечание

Количество

1

84428890

TONGUE

Red

1шт.

2

84222433

HITCH

Red

1шт.

3

SIT220197

STAND

1шт.

4

86836401

PIN

2шт.

5

86836402

PIN

1шт.

6

216698

COTTER PIN,0.125" OD x 1.75" L

3шт.

7

84222406

TUBE

1шт.

8

300389

BOLT,M12 x 1.75 x 35mm, Cl 8.8

1шт.

9

86511324

WASHER,13mm ID x 24mm OD x 2.5mm Thk

3шт.

10

100038

NUT,M12 x 1.75, Cl 8

1шт.

11

84225551

PLASTIC PLUG

1шт.

12

120090

BOLT,Hex, M16 x 50mm, Cl 8.8

12шт.

13

86000441

NUT,M16 x 2.0, Cl 8

12шт.

14

84222431

DRAWBAR

12 Wheel Only

1шт.

15

850116

CHAIN

1шт.

16

86639173

BOLT,Hex, M22 x 160mm, Cl 10.9

1шт.

17

86509829

LOCK WASHER,24.5mm ID x 40mm OD x 5mm Thk

1шт.

18

86729941

NUT,M22 x 2.5, Cl 8

1шт.

19

43151

BOLT,Hex, M12 x 20mm, Cl 8.8, Full Thd

2шт.

Выбрано товаров: 0