Запчасти Case IH WR201 (55.511.AJ) - ELECTRICAL, FRONT (55) - ELECTRICAL SYSTEMS

Схема запчастей Case IH WR201 - (55.511.AJ) - ELECTRICAL, FRONT (55) - ELECTRICAL SYSTEMS
39.100.ay
10
7
9
5
8
9
3
4
55.504.bm
2
1
6
5
8
10
5
FIT
1:1
100%

Артикул

Название

Примечание

Количество

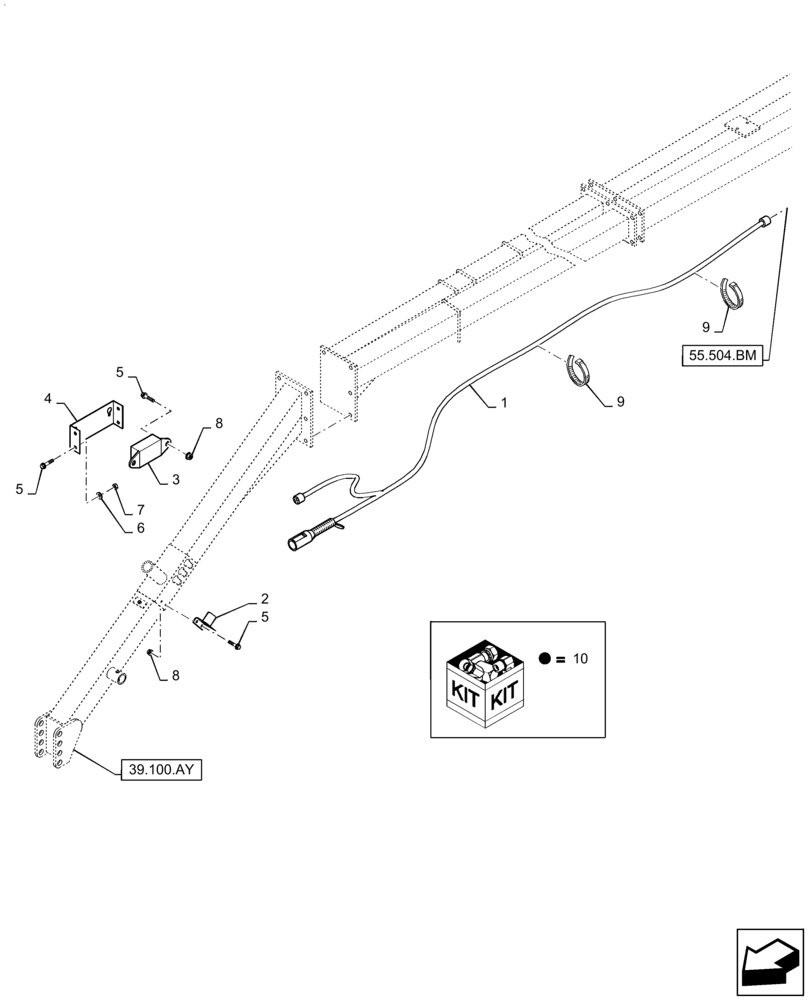
1

86643198

WIRE HARNESS

Front

1шт.

2

9611467

HOLDER

Plug

1шт.

3

86561136

MODULE

Lighting Control

1шт.

4

87034857

COVER

1шт.

5

458-412

BOLT,Hex, 1/4" - 20 x 3/4", Gr 5

8шт.

6

322357

BELLEVILLE WASHER,M6 Bolt Size x 14mm OD x 1.3mm Thk

4шт.

7

425-104

NUT,1/4"-20, Cl 5

4шт.

8

231-5344

FLANGE NUT,Flg, 1/4"-20

4шт.

9

529070

CABLE TIE,368.3mm L

CABLE STRAP

1шт.

10

87018997

KIT

Lights

1шт.

Contains All Parts On Figures 55.100.01 & 02

1шт.

Выбрано товаров: 11