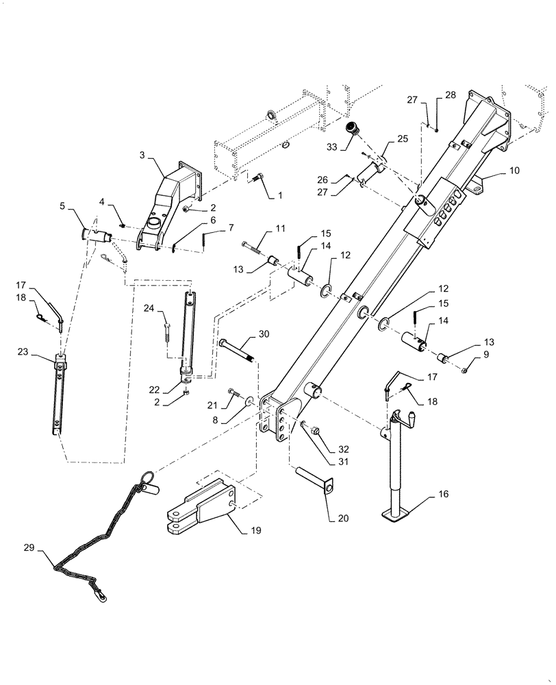
Запчасти Case IH WR302 (39.100.AY[01]) - FRAME, FRONT, ASSY (39) - FRAMES AND BALLASTING

Схема запчастей Case IH WR302 - (39.100.AY[01]) - FRAME, FRONT, ASSY (39) - FRAMES AND BALLASTING
15
27
21
8
31
24
19
32
12
16
30
14
27
4
11
7
13
23
10
33
29
17
3
12
20
28
25
26
22
15
2
14
18
2
9
13
6
18
5
17
1
FIT
1:1
100%

Артикул

Название

Примечание

Количество

1

385922

BOLT,Hex, M16 x 2 x 45mm, Cl 8.8

12шт.

2

86000441

NUT,M16 x 2.0, Cl 8

14шт.

3

47647418

TUBE

RH

1шт.

4

62161

LUBE NIPPLE,M8 x 1.25, Str

2шт.

5

47647432

BUSHING

2шт.

6

47647437

SHIM

2шт.

7

412689

LOCK PIN,8mm OD x 50mm L, Slotted

2шт.

8

9511052

WASHER,13.5mm ID x 44mm OD x 4mm Thk

4шт.

9

100038

NUT,M12 x 1.75, Cl 8

5шт.

10

47647733

DRAWBAR

Front

1шт.

11

374887

BOLT,Hex, M12 x 1.75 x 100mm, Cl 8.8

1шт.

12

87562757

WASHER,2.03" ID x 2.75" OD x 0.12" Thk

2шт.

13

47647736

BUSHING

2шт.

14

47647738

BUSHING

2шт.

15

14607871

ROLL PIN,8mm OD x 70mm L

2шт.

16

84351282

JACK

Stand

1шт.

17

86836402

PIN

5шт.

18

216698

COTTER PIN,0.125" OD x 1.75" L

5шт.

19

47647740

HITCH

1шт.

20

86836401

PIN

2шт.

21

43151

BOLT,Hex, M12 x 20mm, Cl 8.8, Full Thd

2шт.

22

47647741

ARM

Outer

2шт.

23

47647742

ARM

Inner

2шт.

24

350616

BOLT,M16 x 2 x 90mm, Cl 8.8

2шт.

25

SML49722

HOLDER

Operator's Manual

1шт.

26

120100

BOLT,M6 x 20mm, Cl 8.8

3шт.

27

10523401

WASHER,6.15mm ID x 18mm OD x 2mm Thk

6шт.

28

353308

NUT,M6 x 1.0, Cl 8

3шт.

29

797900

CHAIN

Assy, Safety

1шт.

30

86980476

BOLT,Hex, M22 x 2.5 x 150mm, Cl 8.8

1шт.

31

86509829

LOCK WASHER,24.5mm ID x 40mm OD x 5mm Thk

1шт.

32

86729941

NUT,M22 x 2.5, Cl 8

1шт.

33

84225551

PLASTIC PLUG

1шт.

Выбрано товаров: 33