Запчасти Case IH WR302 (88.100.44[03]) - KIT, 14 - KCKR WHEEL LIFT LINKAGE, ASN YGZSM1001 (88) - ACCESSORIES

Схема запчастей Case IH WR302 - (88.100.44[03]) - KIT, 14 - KCKR WHEEL LIFT LINKAGE, ASN YGZSM1001 (88) - ACCESSORIES
20
2
6
19
19
1
21
18
16
3
15
4
9
13
10
4
5
11
18
12
11
9
7
17
14
10
8
8
FIT
1:1
100%

Артикул

Название

Примечание

Количество

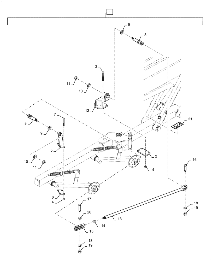
1

48072215

KIT

Wheel Lift Linkage, Incl 2 - 21

1шт.

2

48072526

PLATE

Mounting, Red

1шт.

3

86508574

BOLT,Hex, M10 x 120mm, Cl 8.8

4шт.

4

100037

LOCK NUT,M10 x 1.5, Cl 8

8шт.

5

48072527

BRACKET

Front, Red

1шт.

6

48072528

PLATE

Mounting, Red

1шт.

7

83931335

BOLT,Hex, M10 x 1.5 x 75mm, Cl 8.8

4шт.

8

48072529

PIN

25 x 137, M16

2шт.

9

47684504

WASHER

Shim

2шт.

10

47684505

WASHER

Shim

2шт.

11

86000441

NUT,M16 x 2.0, Cl 8

2шт.

12

48072524

BRACKET

Rear, Red

1шт.

13

48072531

TIE-ROD

Red

1шт.

14

920091705

THIN NUT

M20

1шт.

15

48072532

CLEVIS

Red, M20

1шт.

16

47675587

PIN

Threaded

1шт.

17

48072534

CLEVIS

M20 x 65, M12

1шт.

18

86511324

WASHER,13mm ID x 24mm OD x 2.5mm Thk

2шт.

19

100038

NUT,M12 x 1.75, Cl 8

2шт.

20

86511327

WASHER,21mm ID x 37mm OD x 3mm Thk

1шт.

21

51400341

DECAL

Warning Sign

1шт.

Выбрано товаров: 21