Запчасти Case IH WR401 (35.900.01) - HYDRAULIC SYSTEM (35) - HYDRAULIC SYSTEMS

Схема запчастей Case IH WR401 - (35.900.01) - HYDRAULIC SYSTEM (35) - HYDRAULIC SYSTEMS
20
5
22
28
11
6
11
23
9
12
5
32
5
23
13
18
2
9
17
9
11
24
16
3
3
5
26
24
11
13
11
22
17
19
11
22
4
30
27
1
2
8
27
10
26
4
23
5
28
1
23
16
11
9
31
11
11
14
7
22
21
13
16
15
25
16
4
17
4
11
10
33
29
15
FIT
1:1
100%

Артикул

Название

Примечание

Количество

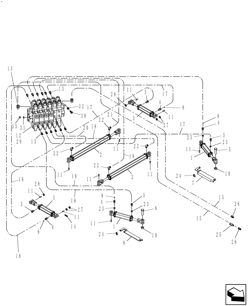
1

84241962

HYDRAULIC CYLINDER

Wing, 3" x 8", For breakdown, see Fig 35.900.04

2шт.

2

84241963

HYDRAULIC CYLINDER

Frame, Opening Cylinder, 3.5" x 60", See Fig. 35.900.02

2шт.

3

9450

HYDRAULIC CYLINDER,Double Acting, 28.57mm Rod, 254mm Stroke

Lift, For Breakdown see Fig. 35.900.03

2шт.

4

84231026

UNION

3/8" Male Adapter

4шт.

5

84173776

UNION

3/8" nptf x Female

4шт.

6

280285

BOLT,Hex, 1" - 8 x 4", Gr 5

2шт.

7

84241965

BAR

LH Transport

1шт.

8

84241967

BAR

RH Transport

1шт.

9

84241429

ORIFICE

.062

4шт.

10

280286

NUT,1"-8, GB

2шт.

11

1945

PIN

10шт.

12

84241969

VALVE

1шт.

13

218-5253

HYD CONNECTOR,9/16" - 18 ORB x 3/8" - 18 NPT

14шт.

14

87315704

HAIR PIN COTTER

23/32 X 2 X .135

20шт.

15

84241975

HYDRAULIC HOSE

3/8 X 288", 1/2"mp and 3/8" mp

2шт.

16

84241977

HYDRAULIC HOSE

1/4"x288", 3/8"mp and 3/8"mp

4шт.

17

84241978

HYDRAULIC HOSE

1/4" x 210", 3/8"mp and 3/8"mp

3шт.

18

84241980

HYDRAULIC HOSE

1/4" x 36", 3/8"mp and 1/2" mp

1шт.

19

84241982

HYDRAULIC HOSE

1/4" x 96", 3/8"mp and 1/2"mp

1шт.

20

84241983

HYDRAULIC HOSE

1/4" x 60", 3/8"mp and 1/2"mp

1шт.

21

84241985

HYDRAULIC HOSE

1/4" x 20", 3/8"mp and 1/2"mp

1шт.

22

87331082

FITTING

Union, 1/2" male and 1/2" npsm

4шт.

23

221-89

REDUCER,Hex, 1/2" x 3/8" NPT

4шт.

24

132757

LINCH PIN,11.11mm OD x 44.45mm L

2шт.

25

84231020

CHECK VALVE

1шт.

26

9801618

QUICK MALE COUPLING,1/2" - 14

2шт.

27

84241990

SPACER

5/16" x 1"

4шт.

28

84241991

SPACER

3/4" x 1"

2шт.

29

84241971

SOLENOID

12шт.

30

88434

BOLT,Hex, 3/8" - 16 x 3/4", Gr 5

2шт.

31

80681

LOCK WASHER,5/16"

6шт.

32

80680

LOCK WASHER,3/8 0.381 CST ZND

2шт.

33

9635082

NUT,5/16" - 18, Gr 5

6шт.

34

47786258

SEAL KIT

1шт.

Выбрано товаров: 34