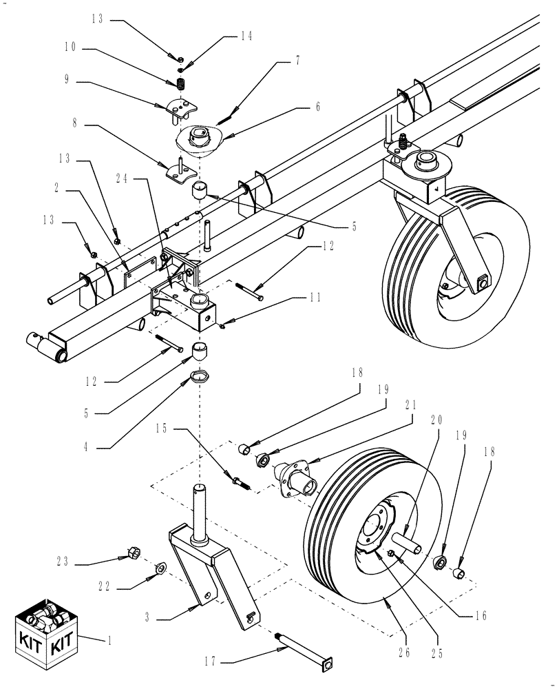
Запчасти Case IH WRX301 (44.520.04) - THIRD WHEEL KIT, 12 WHEEL (44) - WHEELS

Схема запчастей Case IH WRX301 - (44.520.04) - THIRD WHEEL KIT, 12 WHEEL (44) - WHEELS
21
13
13
18
16
22
7
5
13
17
18
23
25
19
10
1
3
12
2
6
5
9
11
8
14
15
12
26
24
19
20
4
FIT
1:1
100%

Артикул

Название

Примечание

Количество

1

717638016

DIA KIT, ADD PROD

Third Wheel; Includes: Ref. 2 - 26, Includes: Installation Instructions

1шт.

2

86836641

PLATE

2шт.

3

86836072

SUPPORT

2шт.

4

86977891

WASHER

2шт.

5

86729986

BUSHING,50.4mm ID x 60mm OD x 50mm L

4шт.

6

86836694

BRAKE DISC

2шт.

7

440437

PIN,10mm OD x 80mm L

2шт.

8

86836041

BRAKE PAD

2шт.

9

86836047

BRAKE PAD

2шт.

10

86836018

SPRING

2шт.

11

62161

LUBE NIPPLE,M8 x 1.25, Str

2шт.

12

328048

BOLT,M12 x 1.75 x 147.68mm OAL, Cl 8.8

8шт.

13

100038

NUT,M12 x 1.75, Cl 8

10шт.

14

86511324

WASHER,13mm ID x 24mm OD x 2.5mm Thk

2шт.

15

86900700

SPECIAL BOLT

10шт.

16

87021907

WHEEL NUT

10шт.

17

86729999

PIN

2шт.

18

86836077

SPACER

4шт.

19

210043

BALL BEARING,30mm ID x 62mm OD x 16mm W

4шт.

20

87025931

SPACER

2шт.

21

87025929

HUB

2шт.

22

86836239

WASHER

2шт.

23

86729942

NUT,M22 x 2.5, Cl 8

2шт.

24

87659889

SUPPORT

Support

2шт.

25

86729958

RIM

6 x 15, 5 Bolt Holes

2шт.

26

PL

PROCURE LOCALLY

Tire, 205-75 x 15"

2шт.

Выбрано товаров: 26