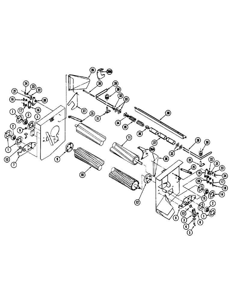
Запчасти Case IH 475 (19A) - HAY CONDITIONER, NUMBER 8352501 AND AFTER

Схема запчастей Case IH 475 - (19A) - HAY CONDITIONER, NUMBER 8352501 AND AFTER
FIT
1:1
100%

Артикул

Название

Примечание

Количество

1

F8944

FLANGE

- bearing

6шт.

2

F77924

BEARING

3шт.

F62107

COLLAR

1шт.

3

F35017

STOP - pivot

2шт.

4

FHO27581

PAD

- (475) (555 S/N 8377601)

1шт.

4

F38130

PAD

- (555 S/N 8377601 and after)

1шт.

5

FHO64592

RIVET

2шт.

111-361

CARRIAGE BOLT,Short NK, 3/8"-16 x 1 1/2", G5

BOLT, CARRIAGE, Short NK, 3/8"-16 x 1 1/2", G5

2шт.

11-820

BOLT,Short NK, 1/2"-13 x 1 1/4", G2

- 1/2" x 1-1/4" rhd. sq. nk.

2шт.

6

FH298158

NUT - adjusting

2шт.

7

FH499723

PLATE - pivot, R.H.

1шт.

219-57

LUBE NIPPLE,90 Degree Elbow, 1/4" - 28 NPTF

FITTING - grease 1/4"-28 x 90 degrees

1шт.

8

FH499731

PLATE - pivot, L.H.

1шт.

219-10

LUBE NIPPLE,1/4" - 28 NPTF

FITTING - grease 1/4"-28

1шт.

132-154

COTTER PIN,1/4" x 2"

Pin, Split (Cotter), 1/4" x 2"

2шт.

25-108

NUT,1/2"-13, G5

- 1/2" N.C. hex.

8шт.

9

FH453282

GRASS RING - R.H.

1шт.

13-820

BOLT,Hex, 1/2" - 13 x 1-1/4", Gr 5, Full Thd

4шт.

10

F37084

ROLL - conditioner, steel (Model 475)

1шт.

10

F35157

ROLL

- conditioner, steel (Model 555)

1шт.

11

F37085

ROLL - conditioner, rubber (Model 475)

1шт.

11

FH727347

ROLL - conditioner, rubber (Model 555)

1шт.

12

FH453266

GRASS RING - L.H.

1шт.

25-108

NUT,1/2"-13, G5

- 1/2" N.C. hex.

4шт.

13

FHO52282

BUSHING - 1-1/2" x 14 ga. mach.

2шт.

14

FHO50583

FLANGE

- bearing

2шт.

15

FHO51318

NO LONGER SERVICED

BEARING

1шт.

F59131

COLLAR

1шт.

16

FH499426

LINK - compression (Before S/N 8377601)

2шт.

16

F38155

LINK - compression (S/N 8377601 and after)

2шт.

17

FHO52266

BUSHING

- 1-1/4" x 14 ga. mach.

4шт.

18

132-75

HARDWARE,5/32" x 1 3/4"

PIN, SPLIT (COTTER), 5/32" x 1 3/4"

4шт.

19

FH499673

CRANK LEVER

BELLCRANK - L.H. (Before S/N 8377601)

1шт.

19

F38157

CRANK LEVER

BELLCRANK - L.H. (S/N 8377601 and after)

1шт.

20

FH499665

CRANK LEVER

BELLCRANK - R.H. (Before S/N 8377601)

1шт.

20

F38131

BELLCRANK - R.H. (S/N 8377601 and after)

1шт.

219-10

LUBE NIPPLE,1/4" - 28 NPTF

FITTING - grease 1/4"-28

2шт.

21

B18208

SNAP RING,#100, Ext

2шт.

22

H1521S

BUSHING

2шт.

23

FHO52761

BUSHING

- 3/4" x 14 ga.

2шт.

24

132-71

COTTER PIN,5/32" x 1 1/4"

Pin, Split (Cotter), 5/32" x 1 1/4"

2шт.

25

F38158

BRACE - shield (S/N 8377601 and after)

2шт.

26

F36361

DEFLECTOR

- side (475) (555 before S/N 8377601)

2шт.

26

F38214

DEFLECTOR - L.H. (555 S/N 8377601 and after)

1шт.

26

F38215

DEFLECTOR - R.H. (555 S/N 8377601 and after)

1шт.

11-616

CARRIAGE BOLT,Short NK, 3/8"-16 x 1", G2

BOLT, CARRIAGE, Short NK, 3/8"-16 x 1", G2

2шт.

19-616

BOLT,Hex, 1/2" - 20 x 2 1/2", Gr 8

- 3/8" x 1" N.C. plow

2шт.

26a

F36370

NUT

EXTENSION - L.H. (Serial No. 8367501 and after)

1шт.

26b

F36369

EXTENSION - R.H. (Serial No. 8367501 and after)

1шт.

27

FH453738

COVER

1шт.

28

FH453407

BOLT - tension adjusting

1шт.

29

FH499533

CABLE - draw, R.H

1шт.

30

FH451336

PULLEY

2шт.

31

FH499632

PIN - pulley

2шт.

32

FHO52233

BUSHING - 5/8" x 14 ga. mach.

1шт.

33

FH453563

CLAMP

4шт.

34

FH451328

PLUG - spring

1шт.

35

FH758391

SPRING - tensin

1шт.

36

FH299230

PLUG

- spring

1шт.

13-1040

BOLT,Hex, 5/8" - 11 x 2-1/2", Gr 5

1шт.

425-1410

JAM NUT,Jam, 5/8"-11, G5

- 5/8" N.C. hex. jam

1шт.

37

FH727537

TUBE - rubber

3шт.

38

F37337

FLANGE NUT

CABLE - draw, L.H. (Model 475)

1шт.

38

F35022

CABLE - draw, L.H. (Model 555)

1шт.

39

FH499418

SUPPORT - spring

1шт.

Выбрано товаров: 0