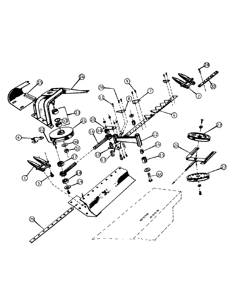
Запчасти Case IH 75 (A-16) - KNIFE AND KNIFE DRIVE

Схема запчастей Case IH 75 - (A-16) - KNIFE AND KNIFE DRIVE
FIT
1:1
100%

Артикул

Название

Примечание

Количество

1

483500R3

GUARD

knife double, end only

2шт.

REF: #1 - 483500R3 IS A STANDARD GUARD, NOWS THERE'S A DOUBLE HEAT TREATED GUARD PART NUMBER IS 187346A1.

1шт.

2

613838R2

GUARD

knife double, 28 for 15 ft., 34 for 18ft., 40 for 21 ft. and 48 for 25 ft. machines

1шт.

REF: #2 - 613838R2 IS A STANDARD GUARD, NOWS THERE'S A DOUBLE HEAT TREATED GUARD PART NUMBER IS 187350A1.

1шт.

3

NOT USED IN THIS APPLICATION

1шт.

4

613842R2

GUIDE

CLIP, hold-down, 9 for 15 ft., 10 for 18 ft., 13 for 21 ft. and 16 for 25 ft. machines

1шт.

5

M805

BOLT, 7/16-14 x 1-5/16 type 5 no. 3 plow, 42 for 15 ft., 52 for 18 ft., 58 for 21 ft. and 68 for 25 ft. machines

1шт.

5

M806

PLOW BOLT

BOLT, 7/16-14 x 1-9/16 type 5 no. 3 plow, 18 for 15 ft., 20 for 18 ft., 26 for 21 ft. and 32 for 25 ft. machines

1шт.

271501

SOCKET

NUT, 7/16-14 znd hex, 1 per bolt

1шт.

6

824873C91

KNIFE ASSY

w/chrome plated underserrated sections, 15 ft., Replaces 825816C91 by also ordering spacer, 823563C1, Composed of

1шт.

824639C1

END

ASSY, knife

1шт.

KNIFE ASSY, less end, 15 ft., Includes 825822C1, knife back bar, 56 sections, 457606R2 and 112 rivets, 19869R1 (NSS)

1шт.

825277C1

KNIFE SECTION

SECTION, underserrated half LH

1шт.

14773R1

RIVET,Oval Hd, .211" x 1 1/8""

5-1/2 x 1-1/8 pln o/hd

1шт.

14763R1

RIVET,Oval Hd, .203" x 7/8"

no. 6 x 7/8 pln o/hd

1шт.

823711C2

KNIFE SECTION

SECTION, underserrated full

4шт.

110949

RIVET, 1/4 x 15/16 pln but/hd sol

5шт.

28459R1

RIVET,But Hd, 1/4" x 1 3/16"

1/4 x 1-3/16 pln but/hd sol

3шт.

6

824874C91

KNIFE

ASSY, w/chrome plated underserrated sections, 18 ft., Replaces 825817C91 by also ordering spacer, 823563C1, Composed of

1шт.

824639C1

END

ASSY, knife

1шт.

KNIFE ASSY, less end, 18 ft., Includes 825823C1, knife back bar, 68 sections, 457606R2 and 136 rivets, 19869R1 (NSS)

1шт.

825277C1

KNIFE SECTION

SECTION, underserrated half LH

1шт.

14773R1

RIVET,Oval Hd, .211" x 1 1/8""

5-1/2 x 1-1/8 pln o/hd

1шт.

14763R1

RIVET,Oval Hd, .203" x 7/8"

no. 6 x 7/8 pln o/hd

1шт.

823711C2

KNIFE SECTION

SECTION, underserrated full

4шт.

110949

RIVET, 1/4 x 15/16 pln but/hd sol

5шт.

28459R1

RIVET,But Hd, 1/4" x 1 3/16"

1/4 x 1-3/16 pln but/hd sol

3шт.

6

824875C91

KNIFE

ASSY, w/chrome plated underserrated sections, 21 ft., Replaces 825818C91 by also ordering spacer, 823563C1, Composed of

1шт.

824639C1

END

ASSY, knife

1шт.

KNIFE ASSY, less end, 21 ft., Includes 825824C1, knife back bar, 80 sections, 457606R2 and 160 rivets, 19869R1 (NSS)

1шт.

825277C1

KNIFE SECTION

SECTION, underserrated half LH

1шт.

14773R1

RIVET,Oval Hd, .211" x 1 1/8""

5-1/2 x 1-1/8 pln o/hd

1шт.

14763R1

RIVET,Oval Hd, .203" x 7/8"

no. 6 x 7/8 pln o/hd

1шт.

823711C2

KNIFE SECTION

SECTION, underserrated full

4шт.

110949

RIVET, 1/4 x 15/16 pln but/hd sol

5шт.

28459R1

RIVET,But Hd, 1/4" x 1 3/16"

1/4 x 1-3/16 pln but/hd sol

3шт.

6

825965C91

KNIFE

1шт.

KNIFE ASSY, w/chrome plated flax sections, 21 ft., when stock of 825965C91 is exhausted, Order end, 824639C1, kit, 824692C91, section 825277C1, rivet, 14763R1, rivet 14773R1, four sections, 823713C1, five rivets, 110949, 3 rivets, 28459R1, knife back bar, 825824C1, eighty sections, 596321R1 and one hundred sixty rivets, 19869R1, Composed of

1шт.

825825C1

END

ASSY, knife

1шт.

KNIFE ASSY, less end, 21 ft., Includes knife back bar, 80 sections, 599616R1 and 160 rivets, 19869R1 (NSS)

1шт.

825282C1

KNIFE SECTION

SECTION, flax half LH

1шт.

12712R1

RIVET

no. 5-1/2 x 15/16 small oval-hd

2шт.

825281C1

KNIFE SECTION

SECTION, flax full

4шт.

87013867

RIVET,But Hd, 1/4" x 1"

1/4 x 1 button-hd small solid

8шт.

6

823097C91

KNIFE

ASSY, w/chrome plated underserrated sections, 25 ft., Order knife assy, 824699C91, knife assy, 823109C92, two sections, 457606R2, five rivets, 14763R1 and spacer, 823563C1, Composed of

1шт.

825825C1

END

ASSY, knife

1шт.

NSS

NOT SOLD SEPARAT

KNIFE ASSY, less end, 25 ft LH, Includes 825822C1, knife back bar, 54 sections, 457606R2 and 107 rivets, 19869R1

1шт.

NSS

NOT SOLD SEPARAT

KNIFE ASSY, less end, 25 ft RH, Includes 823123C1, knife back bar, knife extension splice bar, 825929C1, five rivets, 12712R1, 40 sections, 457606R2 and 75 rivets, 19869R1

1шт.

825277C1

KNIFE SECTION

SECTION, underserrated half LH

1шт.

12712R1

RIVET

no. 5-1/2 x 15/16 small oval-hd

2шт.

823711C2

KNIFE SECTION

SECTION, underserrated full

4шт.

110949

RIVET, 1/4 x 15/16 pln but/hd sol

5шт.

28459R1

RIVET,But Hd, 1/4" x 1 3/16"

1/4 x 1-3/16 pln but/hd sol

3шт.

6

824699C91

KNIFE

ASSY, w/chrome plated underserrated sections LH half of 25 ft knife, Composed of

1шт.

824639C1

END

ASSY, knife

1шт.

NSS

NOT SOLD SEPARAT

KNIFE ASSY, less end, 25 ft LH, Includes 825822C1, knife back bar, 54 sections, 457606R2 and 107 rivets, 19869R1

1шт.

825822C1

BAR

knife back

1шт.

825277C1

KNIFE SECTION

SECTION, underserrated half LH

1шт.

14773R1

RIVET,Oval Hd, .211" x 1 1/8""

5-1/2 x 1-1/8 pln o/hd

1шт.

14763R1

RIVET,Oval Hd, .203" x 7/8"

no. 6 x 7/8 pln o/hd

1шт.

823711C2

KNIFE SECTION

SECTION, underserrated full

4шт.

110949

RIVET, 1/4 x 15/16 pln but/hd sol

5шт.

28459R1

RIVET,But Hd, 1/4" x 1 3/16"

1/4 x 1-3/16 pln but/hd sol

3шт.

6

823109C92

KNIFE

ASSY, w/chrome plated underserrated sections RH half of 25 ft knife, Composed of

1шт.

NSS

NOT SOLD SEPARAT

BAR, knife back

1шт.

825929C1

BAR

knife extension splice

1шт.

14763R1

RIVET,Oval Hd, .203" x 7/8"

no. 6 x 7/8 pln o/hd

5шт.

457606R2

KNIFE SECTION

SECTION, underserrated full

40шт.

19869R1

RIVET, 5-1/2 x 9/16 cad o/hd Oval Hd, .211" x 9/16"

75шт.

7

457606R2

KNIFE SECTION

SECTION, underserrated full (.22 diameter holes), 56 for 15 ft., 68 for 18 ft., 80 for 21 ft. and 40 for 25 ft. machines

1шт.

7

596321R3

KNIFE SECTION

SECTION, overserrated full (.22 diameter holes), 56 for 15 ft., 68 for 18 ft. and 80 for 21 ft. machines, Replaces flax section, 599616R1

1шт.

7

823711C2

KNIFE SECTION

SECTION, underserrated full (.26 diameter holes)

4шт.

7

823713C1

KNIFE SECTION

SECTION, overserrated full, Replaces flax section, 825281C1 (.26 diameter holes)

4шт.

8

825277C1

KNIFE SECTION

SECTION, underserrated half LH

1шт.

8

825282C1

KNIFE SECTION

SECTION, flax half LH, Order section, 825277C1

1шт.

9

991014R91

KIT

RIVET, no. 5-1/2 x 9/16 CDP small oval-hd, 2 per section, 1 lb. package

1шт.

10

824639C1

END

ASSY, knife, Replaces end, 825825C1 by also ordering kit, 824692C91

1шт.

11

990325R91

RIVET

1/4 x 1 rd-hd, 1 lb. pkg.

8шт.

12

825826C11

ARM

ASSY, radius, Includes ref. nos. 14 and 15

1шт.

13

823274C1

SPACER

knife Pitman, Used only w/825828C91

1шт.

14

825836C1

SPACER

bearing

1шт.

15

825827C1

BUSHING

arm, rubber

3шт.

16

825828C92

PITMAN ASSY.

PITMAN ASSY, knife w/bearings

1шт.

823564C1

WASHER

Pitman bearing, under Pitman on knife head, Serial no. 10096 and below

1шт.

17

564991R91

BEARING

Pitman ball

2шт.

18

658006R11

COLLAR

W/SET SCREW, bearing locking

2шт.

83-1254

SET SCREW,Hex Soc, 1/4"-20 x 1/4"

SCREW, 1/4-20 x 1/4 cup-pt hdls set

2шт.

19

390310C1

WASHER,Flat, 3/4" Bolt, 13/16" ID x 1 1/2" OD x 0.134", HDN, ZND

.812 x 1.500 x .134 hardened

1шт.

20

825940C1

BAR

knife head

1шт.

189305

BOLT,Hex, 3/8" - 16 x 3 1/2", Gr 5

3/8-16 x 3-1/2 ZND hex-hd

1шт.

120382

LOCK WASHER,Helical Spring, 3/8"

WASHER, LOCK, 3/8"

1шт.

21

825830C92

FLYWHEEL

ASSY, knife drive w/bearing

1шт.

22

PIN (Order 825830C92)

1шт.

23

823424C91

BEARING SET

KIT, bearing service, Consists of

1шт.

BEARING

2шт.

9413972

LOCK NUT,3/4"-16, GB

NUT, 3/4-16 CDP p/t hex lock

1шт.

216389R1

SNAP RING,2.312", Int, #231

Ring, Snap, , brg 2.312", Int, #231

2шт.

390310C1

WASHER,Flat, 3/4" Bolt, 13/16" ID x 1 1/2" OD x 0.134", HDN, ZND

.812 x 1.500 x .134 hardened

1шт.

24

825829C1

SUPPORT

ASSY, flywheel

1шт.

25

825831C1

SHIELD

ASSY, wheel, crank, all machines except 25 ft.

1шт.

26

825908C1

BRACKET

ASSY, knife drive idler

1шт.

27

824960C91

PULLEY

knife drive idler, Replaces 574051R91

2шт.

28

MA133M

RIVET,23.81mm OD x 139.7mm L

no. 5-1/2 x 15/16 small oval-hd, Use as required, 1 lb. pkg.

1шт.

29

825926C1

BAR

SPACER, knife (35.25 long), 5 for 15 ft., 6 for 18 ft. and 7 for 21 and 25 ft. machines

1шт.

29

823270C1

BAR, knife guard spacer (46.25 long), 25 ft. machines only

1шт.

30

390310C1

WASHER,Flat, 3/4" Bolt, 13/16" ID x 1 1/2" OD x 0.134", HDN, ZND

.812 x 1.500 x .134 hardened

1шт.

31

9413972

LOCK NUT,3/4"-16, GB

NUT, 3/4-16 CDP p/t hex lock

1шт.

32

825929C1

BAR

knife extension splice, 25 ft. machines only

1шт.

12712R1

RIVET

no. 5-1/2 x 15/16 small oval-hd, splice bar to section and back bar

5шт.

33

216389R1

SNAP RING,2.312", Int, #231

Ring, Snap, , brg 2.312", Int, #231

2шт.

34

823563C1

SPACER

Pitman bearing, between knife head bar and Pitman, Serial no. 10097 and above

1шт.

35

19824R1

BOLT,Hex, 5/8" - 11 x 7 1/2", Gr 5

5/8 x 7-1/2 type 5, radius arm mounting

1шт.

280374

NUT,Hex, 5/8" - 11, Gr 5

5/8 type 5

1шт.

492-11062

BEARING WASHER,5/8"

WASHER, LOCK, 5/8"

1шт.

25556R1

WASHER,21/32" x 1 1/2" x .188", HDN

.656 x 1.500 x .188 phc hdn

4шт.

824692C91

KIT

knife head repair, Serial no. 10096 and below, Consists of

1шт.

823563C1

SPACER

Pitman bearing

1шт.

14763R1

RIVET,Oval Hd, .203" x 7/8"

no. 6 x 7/8 pln o/hd

1шт.

14772R1

RIVET, no. 6 x 1-1/8 stl o/hd

2шт.

110949

RIVET, 1/4 x 15/16 pln but/hd sol

2шт.

28459R1

RIVET,But Hd, 1/4" x 1 3/16"

1/4 x 1-3/16 pln but/hd sol

3шт.

Выбрано товаров: 121