Запчасти Case IH 75 (A-02) - MAIN FRAME AND CONNECTIONS

Схема запчастей Case IH 75 - (A-02) - MAIN FRAME AND CONNECTIONS
FIT
1:1
100%

Артикул

Название

Примечание

Количество

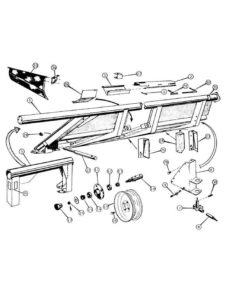
1

825804C2

FRAME ASSY, header, 15 ft. end delivery machines

1шт.

1

825805C1

FRAME ASSY, header, 18 ft. end delivery machines, serial no. 855 & below

1шт.

1

826049C2

FRAME ASSY, header, 18 ft. off center delivery machines, serial no. 856 and above

1шт.

1

825806C2

FRAME ASSY, header, 21 ft. off center delivery machines

1шт.

1

823088C1

FRAME ASSY, header, 25 ft. off center delivery machines

1шт.

2

825917C1

SHIELD, platform roller drive upper, 15 ft. and 18 ft. end delivery machines

1шт.

2

826052C1

SHIELD, platform roller drive upper, 18 ft. off center delivery machines

1шт.

2

825852C1

SHIELD, platform roller drive upper, 21 ft. off center delivery machines

1шт.

2

823090C1

SHIELD, platform roller drive upper, 25 ft. off center delivery machines

1шт.

3

825904C1

SHIELD, platform roller drive lower horizontal, 15 ft. and 18 ft. end delivery machines

1шт.

3

825905C1

SHIELD

platform roller drive lower, 18 ft., 21 ft. and 25 ft. off center delivery machines

1шт.

4

825953C1

SPACER, platform roller shield, 1/2 x 4.19

1шт.

5

825807C5

FRAME

ASSY, pivot

1шт.

6

825918C2

SUPPORT ASSY.

LEG ASSY, RH wheel pivot

1шт.

7

825919C2

BRACKET

ASSY, RH wheel pivot

1шт.

8

825884C2

SPINDLE

axle RH/trans, 10 in. long

1шт.

9

825920C1

ADJUSTER

ASSY, RH wheel

1шт.

10

825882C2

SPINDLE

axle LH, 10.5 in. long

1шт.

11

825885C91

HUB

W/ BEARING CUPS ASSY, wheel, 4 bolt wheel

2шт.

11

824255C91

HUB

W/BEARING CUPS ASSY, wheel, 5 bolt wheel

2шт.

12

651817R1

BEARING CUP

BEARING, wheel inner cup

2шт.

13

602957R91

BEARING ASSY,31.75mm ID x 59.13mm OD x 16mm W

ASSY, wheel inner cone

2шт.

14

651814R1

BEARING CUP

BEARING, wheel outer cup

2шт.

15

651818R91

ROLLER BEARING,31.77 mm ID x 16.08 mm

BEARING ASSY, wheel outer cone

2шт.

16

427640

SLOTTED NUT,3/4"-16, G5

NUT, 3/4-16 znd slt hex

2шт.

17

651194R1

CAP

hub, For 4 bolt wheels

2шт.

17

824257C1

CAP

hub, For 5 bolt wheels

2шт.

18

351079R1

BOLT,Hex Counter Shank, 1/2" - 20 x 23/32"

wheel

1шт.

19

455169R92

WHEEL

ASSY, 15 x 4-1/2 KB, 15 ft., 18 ft. and 21 ft. machines

2шт.

387897R91

VALVE STEM

VALVE, TR415

1шт.

19

823113C1

WHEEL

ASSY, 14 x 6 KB, 25 ft. machines, 4 bolt wheel, for use with 4 bolt wheel

2шт.

19

824089C1

RIM

WHEEL ASSY, 14 x 6 KB, 25 ft. machines, 5 bolt wheel

2шт.

387841R91

VALVE

TR413

1шт.

20

NOT USED IN THIS APPLICATION

1шт.

21

NOT USED IN THIS APPLICATION

1шт.

22

825957C91

CYLINDER

ASSY, platform lift hydraulic, refer to cyl 1 for components

1шт.

474845R91

STRIPPER PACKAGE

KIT, o-ring & seal

1шт.

23

825902C2

SHIELD

platform roller drive RH vertical, RH shield

1шт.

24

825916C2

SHIELD

platform roller drive RH vertical, LH shield

1шт.

25

825915C2

SHIELD

platform roller drive LH vertical

1шт.

26

825914C1

SHIELD

platform roller drive front, 18 ft., 21 ft. and 25 ft. machines

1шт.

27

825903C2

BRACKET, shield support

1шт.

28

174985C1

BOLT,Hex Serr, 1/2" - 13 x 1"

1/2-13 x 1 flange

6шт.

29

825850C1

PIN

drive roller, 1 for 15 ft. and 18 ft. end delivery machines, 2 for 18 ft., 21 ft. and 25 ft. off center delivery machines

1шт.

30

617939R1

PIN,5/16" x 1 1/2", Coiled

1шт.

31

823126C1

GUIDE

ASSY, belt tightener, 18 ft., 21 ft. and 25 ft. machines

1шт.

32

823125C1

ROD

TIGHTENER ASSY, belt, 18 ft., 21 ft. and 25 ft. machines

1шт.

33

825849C1

DEFLECTOR ASSY, windrow, 15 ft. machines only

1шт.

34

825879C1

BRACKET, deflector adjusting, 15 ft. machines only

1шт.

35

175311C1

REFLECTOR

red

1шт.

Выбрано товаров: 50