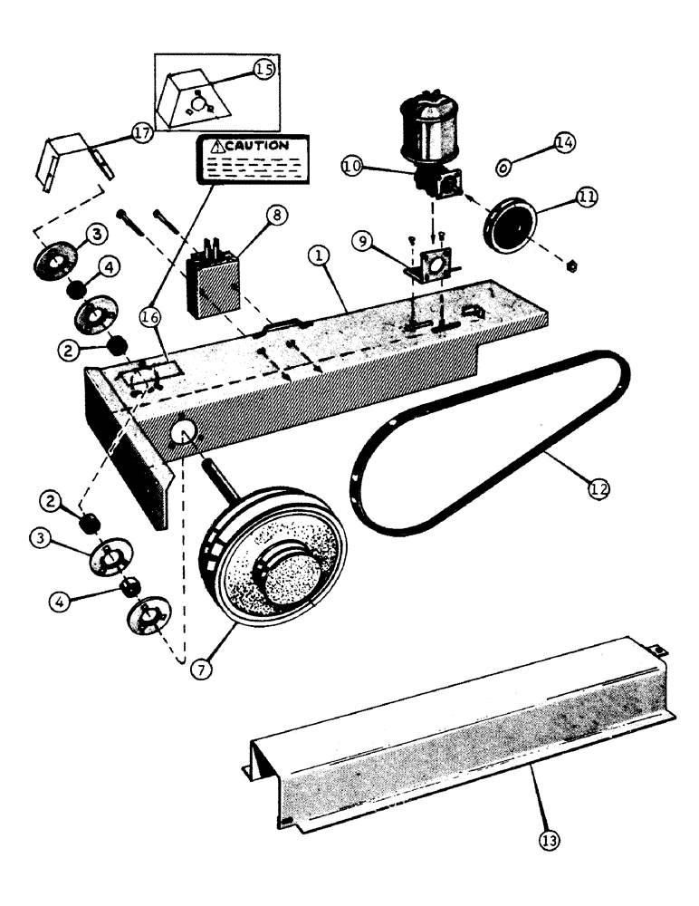
Запчасти Case IH 75 (A-06) - MAIN FRAME DRIVE AND CONNECTIONS

Схема запчастей Case IH 75 - (A-06) - MAIN FRAME DRIVE AND CONNECTIONS
FIT
1:1
100%

Артикул

Название

Примечание

Количество

1

825808C2

FRAME

ASSY, drive

1шт.

2

557995R11

COLLAR

ASSY, bearing locking

2шт.

115321

SET SCREW,Hex Skt, 5/16"-18 x 5/16"

SCREW, 5/16 x 5/16 pln c/pt hdl/hs set

2шт.

3

565631R1

BEARING CAP,2.441" ID x 4.4375" OD x 0.34375"

3-hole bearing mounting

4шт.

4

617667R92

BALL BEARING,31.75mm ID x 62mm OD x 18mm W

ASSY, shaft, without collar

2шт.

5

825907C1

SHAFT, not shown, Serial no. 3675 and below

1шт.

6

Q3638

KEY,Gib, 5/16" Sq x 2" Tap

1/4 x 5/16 x 2 in. long tapered, not shown, Serial no. 3675 and below

2шт.

7

823058C1

PULLEY

W/SHAFT, main drive, Replaces 825906C1

1шт.

8

826295C91

VALVE ASSY, hydraulic control, Replaces 825958C91, For components see list of parts under details of hydraulic control valve

1шт.

9

825893C1

BRACKET

hydraulic pump mounting

1шт.

10

825954C91

PUMP ASSY, hydraulic w/reservoir, For components see list of parts under details of hydraulic pump

1шт.

11

825894C1

PULLEY

hydraulic pump

1шт.

12

473468R2

V-BELT,0.56" W x 72.10" L

Hydraulic pump drive 0.56" W x 72.10" L

1шт.

13

825851C2

SHIELD, main drive pulley

1шт.

14

823071C1

BEARING, thrust washer, on pump shaft at pulley

1шт.

15

823204C1

SHIELD

PTO, order shield package 823203C91

1шт.

16

1253918C1

PRODUCT GRAPHIC

caution, on drives frame

1шт.

17

823205C2

SHIELD

rear PTO

1шт.

827936C1

RETAINER, shield

1шт.

823203C91

PACKAGE, PTO drive shield service, Consists of

1шт.

823127C91

SHIELD

W/PRODUCT GRAPHIC, PTO

1шт.

823205C2

SHIELD

rear PTO

1шт.

823132C1

SPACER

3/4 x 4.13

1шт.

823128C1

STRIP, front shield rubber

1шт.

Выбрано товаров: 24