Запчасти Case IH 750 (02) - ELECTRICAL, PRIOR TO P.I.N. 736

Схема запчастей Case IH 750 - (02) - ELECTRICAL, PRIOR TO P.I.N. 736
FIT
1:1
100%

Артикул

Название

Примечание

Количество

1

REF

INSTRUCTION

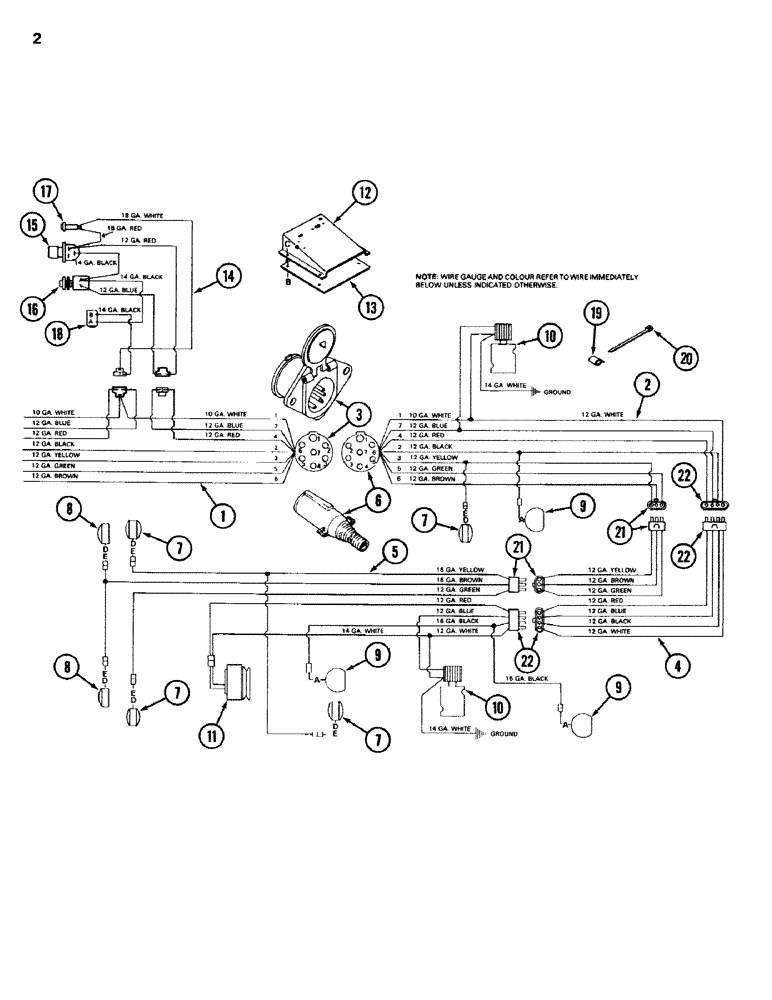
HARNESS - wiring, tractor

1шт.

2

90993C1

HARNESS

- wiring, with connectors and plug - 21 foot front unit

1шт.

2

1276724C1

HARNESS

- wiring, with connectors and plug - 25 foot front unit

1шт.

3

1281476C1

SOCKET/RECEPTACLE

RECEPTACLE - seven pole

1шт.

4

1276726C1

HARNESS

- wiring, with connectors - duplex hitch section

1шт.

5

91017C1

HARNESS

- wiring, with connectors - 21 foot rear unit

1шт.

5

1276727C1

HARNESS

- wiring, with connectors - 25 foot rear unit

1шт.

6

1960430C1

PLUG

- seven pole

1шт.

7

1960435C1

LIGHT

- amber, double faced

4шт.

7

9417866

BULB,C6, #1156, 12.8V

- replacement (no. 1156)

4шт.

d

120383

LOCK WASHER,Helical Spring, 7/16"

WASHER, LOCK, 7/16"

4шт.

e

NLS

NO LONGER SERVICED

NUT - hex, 7/16 inch NC

4шт.

8

1960436C1

LAMP

LIGHT - red

2шт.

8

9417866

BULB,C6, #1156, 12.8V

- replacement (no. 1156)

2шт.

d

120383

LOCK WASHER,Helical Spring, 7/16"

WASHER, LOCK, 7/16"

2шт.

e

271501

SOCKET

NUT - hex, 7/16 inch NC

2шт.

9

80756C1

LIGHT

- work

3шт.

9

373662R91

LAMP

SEALED BEAM - replacement (no. 4411)

3шт.

a

120394

WASHER,3/8", SAE

WASHER - flat, 13/32 inch ID

3шт.

10

REF

INSTRUCTION

VALVE - solenoid (see page 7 and 17)

2шт.

11

REF

INSTRUCTION

CLUTCH - electric (see page 51)

1шт.

12

1276729C1

BOX

- switch, top

1шт.

13

1276730C1

BOX

- switch, bottom

1шт.

b

88542

BOLT,Hex, 1/4"-20 x 1/2", Gr 5

- hex, 1/4 NC x 1/2 inch

6шт.

c

938016R1

FLANGE NUT,Flg, USR, 1/4"-20

- serrated flange lock, 1/4 inch NC

4шт.

14

1276731C1

HARNESS

- wiring, with connectors - switch box

1шт.

15

1276732C1

SWITCH

- control, rear unit clutch

1шт.

16

1276733C1

SWITCH

- hydraulic valve

1шт.

17

1276734C1

LIGHT

- indicator

1шт.

18

1276735C1

BREAKER

- circuit, 20 ampere, manual reset - with mount

1шт.

159920

SCREW,Cross Pan Hd, #10 - 24 x 1/2"

2шт.

131-1142

LOCK NUT,Hex, #10 - 24, Gr A

NUT, LOCK, #10-24, GA

2шт.

120614

NUT,Hex, #10 - 32

NUT, #10-32

2шт.

120217

LOCK WASHER,#10

WASHER, LOCK, #10

2шт.

19

1276725C1

CLIP

- wiring

10шт.

20

289862C1

CABLE TIE,3/16" x 7"

STRAP - cable lock

1шт.

21

1281491C1

PACKAGE

CONNECTOR KIT - 3 way

2шт.

22

1281490C1

CONNECTOR, ELEC

CONNECTOR KIT - 4 way

2шт.

Выбрано товаров: 38