Запчасти Case IH 750 (46) - MAIN DRIVES, FRONT UNIT

Схема запчастей Case IH 750 - (46) - MAIN DRIVES, FRONT UNIT
FIT
1:1
100%

Артикул

Название

Примечание

Количество

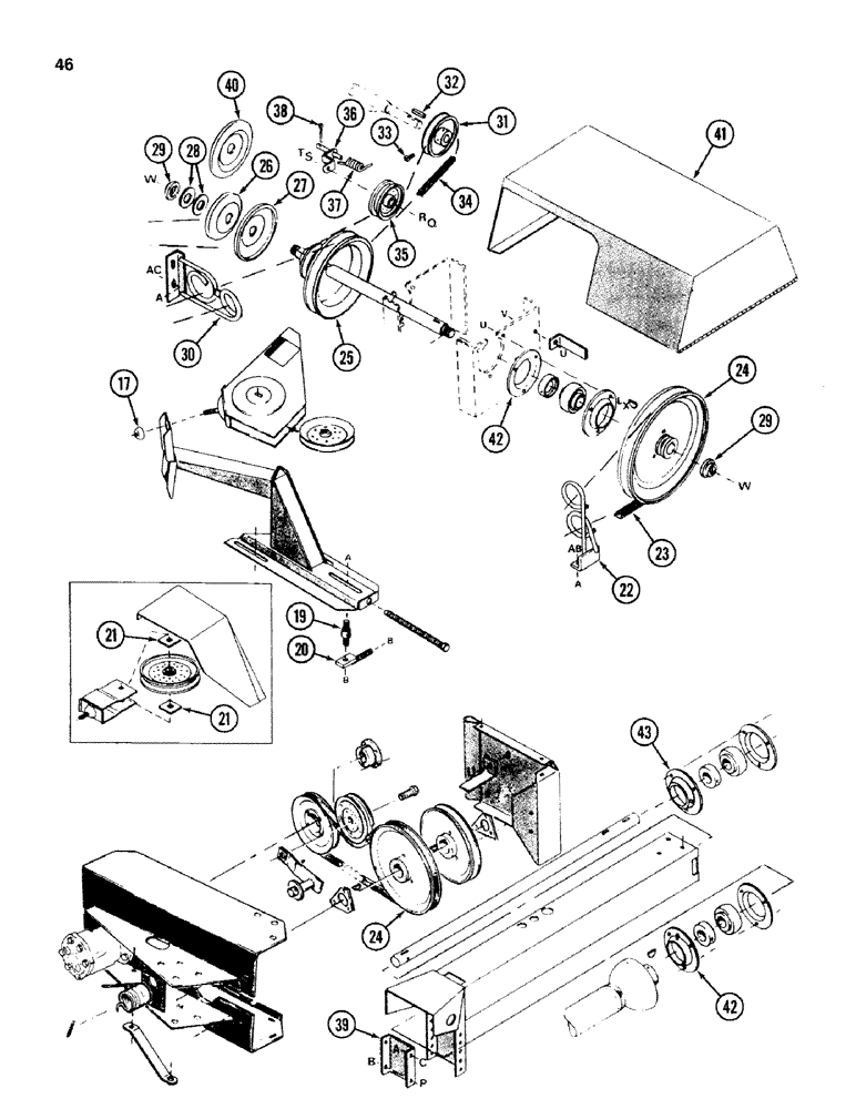
17

1276587C1

WASHER

- formed

2шт.

18

1276584C1

BOLT

- adjusting

1шт.

19

1276585C1

NUT

- machined

1шт.

20

1276586C1

BOLT

EYEBOLT - adjusting

1шт.

a

487374R1

BEARING LOCK NUT,Flg, USR, 1/2"-13

- serrated flange lock, 1/2 inch NC

1шт.

b

9413956

LOCK NUT,1/2"-13, GB

NUT - lock, 1/2 inch NC distorted thread

2шт.

21

80711C1

SQ HOLE WASHER

- square (prior to P.I.N. 2880)

4шт.

22

1276588C2

GUIDE

- belt (prior to P.I.N. 2880)

1шт.

a

487374R1

BEARING LOCK NUT,Flg, USR, 1/2"-13

- serrated flange lock, 1/2 inch NC

2шт.

ab

204060C1

BOLT,Hex Serr Flg, 1/2" - 13 x 1 1/4"

- flange head, 1/2 NC x 1-1/4 inch

2шт.

23

1276589C1

V-BELT,4120.00 mm L

Main Drive 4120.00 mm L

1шт.

24

1276572C1

PULLEY

- 12-1/2 inch (320 mm) OD

2шт.

25

1276592C1

SHAFT

- pulley assembly

1шт.

w

9413962

LOCK NUT,3/4"-10, GB

NUT - lock, 3/4 inch NC distorted thread

2шт.

26

1276593C1

PULLEY

- half, 5 inch (127 mm) OD (see note)

1шт.

27

1276594C1

PULLEY

- half, 6-3/8 inch (162 mm) OD

1шт.

28

1276595C1

SHIM

- pulley

6шт.

29

1276596C1

WASHER

S ASSEMBLY

1шт.

30

1276597C1

GUIDE

- belt

1шт.

a

487374R1

BEARING LOCK NUT,Flg, USR, 1/2"-13

- serrated flange lock, 1/2 inch NC

2шт.

ac

598813R1

CARRIAGE BOLT,Sht Sq Nk, 1/2" - 13 x 1", Gr 5

BOLT - round head square neck, 1/2 NC x 1 inch

2шт.

31

1276598C1

PULLEY

- driven

1шт.

32

Y24430

KEY,1/4" Sq x 1 1/2", Par

- 1/4 square x 1-1/2 inch

1шт.

33

426374

SET SCREW,Hex Soc, 3/8"-16 x 1/2"

SCREW - set, hex socket head, 3/8 NC x 1/2 inch

2шт.

34

1336591C1

BELT,886.00 mm L

Drive, Counter Shaft 886.00 mm L

1шт.

35

1276600C1

PULLEY

- idler, flat

1шт.

36

1276601C2

BRACKET

- idler

1шт.

q

180181

BOLT,Hex, 1/2" - 13 x 2", Gr 5

- hex, 1/2 NC x 2 inch

1шт.

r

120396

WASHER

- flat, 17/32 inch ID

1шт.

s

120384

WASHER,1/2"

LOCK, 1/2"

1шт.

t

120378

NUT,Hex, 1/2" - 13, Gr 5

NUT, 1/2"-13, G5

1шт.

37

1276602C1

SPRING

- torsion

1шт.

38

103409

PIN, SPLIT (COTTER),3/16" x 1 1/2"

1шт.

39

1276603C1

BRACKET

- support, drive frame (P.I.N. 516 and after)

1шт.

39

95625C1

CHANNEL

BRACKET - support, drive frame (prior to P.I.N. 516)

1шт.

a

487374R1

BEARING LOCK NUT,Flg, USR, 1/2"-13

- serrated flange lock, 1/2 inch NC

1шт.

c

174985C1

BOLT,Hex Serr, 1/2" - 13 x 1"

- flange head, 1/2 NC x 1 inch

1шт.

c

174985C1

BOLT,Hex Serr, 1/2" - 13 x 1"

- flange head, 1/2 NC x 1 inch

1шт.

b

9413956

LOCK NUT,1/2"-13, GB

NUT - lock, 1/2 inch NC distorted thread

1шт.

p

20546R1

SCREW,Hex, 1/2"-13 x 6", G5

BOLT - hex, 1/2 NC x 6 inch

1шт.

40

1276604C1

PULLEY

- half, 6-3/8 inch (162 mm) OD (see note)

1шт.

41

1276605C1

SHIELD

COLOR - drive

1шт.

88542

BOLT,Hex, 1/4"-20 x 1/2", Gr 5

- hex, 1/4 NC x 1/2 inch

4шт.

938016R1

FLANGE NUT,Flg, USR, 1/4"-20

- serrated flange lock, 1/4 inch NC

4шт.

42

670375R11

FLANGE

ASSEMBLY - bearing, with straight lube fitting

3шт.

43

80752C1

FLANGE

ASSEMBLY - bearing, with 45deg. lube fitting

1шт.

Выбрано товаров: 46