Запчасти Case IH 750 (48) - MAIN DRIVES, FRONT UNIT

Схема запчастей Case IH 750 - (48) - MAIN DRIVES, FRONT UNIT
FIT
1:1
100%

Артикул

Название

Примечание

Количество

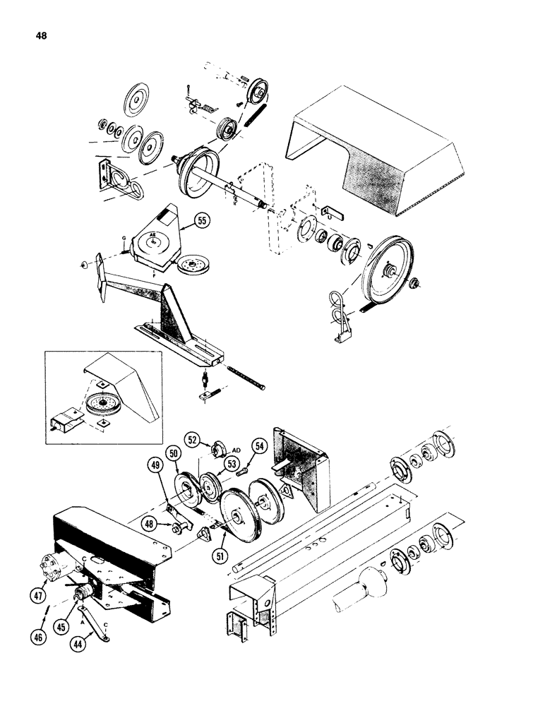
44

1281498C1

BRACE

- shield

1шт.

a

487374R1

BEARING LOCK NUT,Flg, USR, 1/2"-13

- serrated flange lock, 1/2 inch NC

1шт.

c

174985C1

BOLT,Hex Serr, 1/2" - 13 x 1"

- flange head, 1/2 NC x 1 inch

2шт.

45

1276606C1

SPRING

- torsion

1шт.

46

455183R1

LOCK PIN,5/16" x 2 1/2", Slotted

Pin, 5/16" x 2 1/2", Slotted

1шт.

47

REF

INSTRUCTION

PUMP - hydraulic (see page 13)

1шт.

48

495-11081

WASHER,3/4", SAE

- flat

1шт.

49

1276607C1

ARM

- idler

1шт.

50

1276613C1

PULLEY

- pump drive

1шт.

51

1276614C1

BELT

Pump Drive

1шт.

52

1276609C1

BUSHING

- splined

1шт.

ad

413-412

BOLT,Hex, 1/4" - 20 x 3/4", Gr 5

2шт.

53

F17080

PULLEY

- back, side idler

1шт.

54

180177

BOLT,Hex, 1/2" - 13 x 1 1/2", Gr 5

- hex, 1/2 NC x 1-1/2 inch

1шт.

55

1969298C1

BRACKET

- idler swivel (includes decal) (P.I.N. 2880 and after)

2шт.

f

9413960

LOCK NUT,5/8"-11, GB

NUT - lock, 5/8 inch NC

2шт.

g

28133R1

CARRIAGE BOLT,#3, 5/8" - 11 x 2", Gr 8

BOLT - flat head square neck, 5/8 NC x 2 inch

2шт.

Выбрано товаров: 17