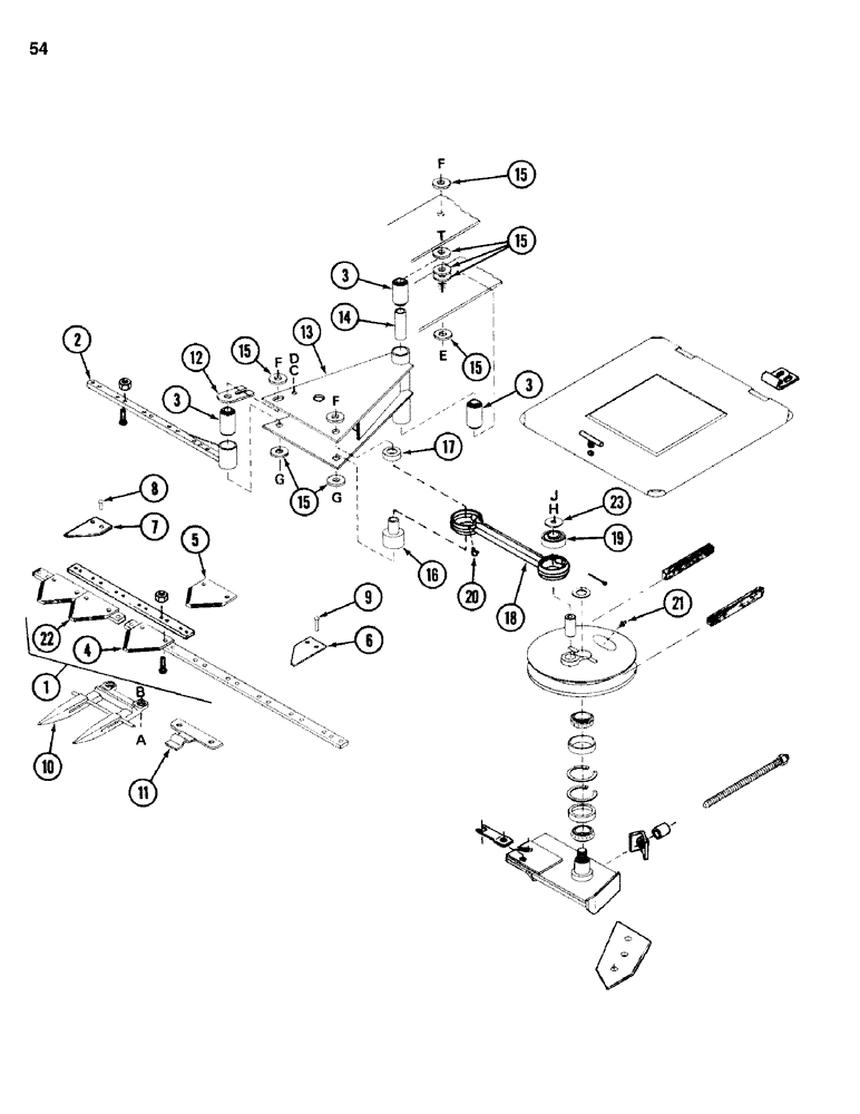
Запчасти Case IH 750 (54) - KNIFE DRIVE, FRONT UNIT

Схема запчастей Case IH 750 - (54) - KNIFE DRIVE, FRONT UNIT
FIT
1:1
100%

Артикул

Название

Примечание

Количество

1

1337024C1

KNIFE

ASSEMBLY - without head (21 foot)

1шт.

1

1969140C1

KNIFE

ASSEMBLY - without head (25 foot) includes ref. 4, 22, 31, 42 (10 and 43 (10)

1шт.

2

80646C1

HEAD

- knife, with bushing (ref. 3)

1шт.

3

825827C1

BUSHING

- rubber

3шт.

4

1960391C1

KNIFE

- left, 25 foot (see note)

1шт.

5

596321R3

KNIFE SECTION

SECTION - knife, top serrated

1шт.

6

825277C1

KNIFE SECTION

SECTION - half, left

1шт.

7

619078R1

KNIFE

SECTION - half, right

1шт.

8

28611R1

RIVET,Oval Hd, .203" x 5/8"

- round head, 0.208 diameter x 5/8 inch

1шт.

9

14771R1

BOLT (SPREADER)

RIVET - round head, 0.208 diameter x 1 inch (prior to P.I.N. 2280)

11шт.

10

613838R2

GUARD

- knife

1шт.

REF: #10 - 613838R2 IS A STANDARD GUARD, NOWS THERE'S A DOUBLE HEAT TREATED GUARD PART NUMBER IS 187350A1.

1шт.

10

483500R3

GUARD

- knife (first 3 at left end)

3шт.

REF: #10A - 483500R3 IS A STANDARD GUARD, NOWS THERE'S A DOUBLE HEAT TREATED GUARD PART NUMBER IS 187346A1.

1шт.

a

489243R1

BOLT,7/16"-14 x 1 1/4", G8

- flat head square neck, 7/16 NC x 1-1/4 inch (through guard only)

1шт.

a

489245R1

BOLT (SPREADER),7/16"-14 x 1 1/2", G8

BOLT - flat head square neck, 7/16 NC x 1-1/2 inch (through guard and clip)

1шт.

b

NLS

NO LONGER SERVICED

NUT - hex, 7/16 inch NC

1шт.

11

613842R2

GUIDE

CLIP - hold down

1шт.

12

80654C1

SPACER

- knife head

1шт.

c

598809R1

CARRIAGE BOLT,Sht Sq Nk, 3/8" - 16 x 3/4", Gr 5

BOLT - round head square neck, 3/8 NC x 3/4 inch

1шт.

d

482256R1

BEARING LOCK NUT,Flg, USR, 3/8"-16

- serrated flange lock, 3/8 inch NC

1шт.

13

80655C1

ARM

- radius, with bushings (ref. 3) and spacer (ref. 14)

1шт.

f

9413960

LOCK NUT,5/8"-11, GB

NUT - lock, 5/8 inch NC distorted thread

3шт.

g

271731

SHAFT,Hex, 5/8" - 11 x 4", Gr 5

- hex, 5/8 NC x 4 inch

2шт.

e

23830R1

BOLT,Hex, 5/8" - 11 x 9 1/2", Gr 5

- hex, 5/8 NC x 9-1/2 inch

1шт.

t

464623R1

WASHER

- flat, 5/8 inch ID

2шт.

14

80656C1

SPACER

- radius arm

1шт.

15

585556R1

WASHER,16.67mm ID x 38.1mm OD x 4.76mm Thk

- flat, 21/32 ID x 1-1/2 inch OD

1шт.

16

80657C1

PIN

- pitman

1шт.

17

80658C1

SPACER

- pitman

1шт.

18

80659C1

PITMAN

- with bearings/without collars (includes items 19 and 20)

1шт.

h

120382

LOCK WASHER,Helical Spring, 3/8"

WASHER, LOCK, 3/8"

1шт.

j

180138

BOLT,Hex, 3/8" - 16 x 3", Gr 5

- hex, 3/8 NC x 3 inch

1шт.

19

80660C1

BEARING, BALL,22.23mm ID x 52mm OD x 15mm W

BEARING - without collar, re-lube

2шт.

20

16964R91

FITTING

- lube, 90 degree

2шт.

21

219-8

LUBE NIPPLE,1/4" - 28 NPTF

NIPPLE, LUBE, , straight 1/4"-28 NPT x .54" lg

1шт.

22

1960392C1

KNIFE

- 25 foot right (see note)

1шт.

22

1960393C1

KNIFE

- 30 foot right (see note)

1шт.

23

3420H

WASHER - flat

1шт.

Выбрано товаров: 39