Запчасти Case IH 750 (12) - HYDRAULICS, RESERVOIR AND PUMP

Схема запчастей Case IH 750 - (12) - HYDRAULICS, RESERVOIR AND PUMP
FIT
1:1
100%

Артикул

Название

Примечание

Количество

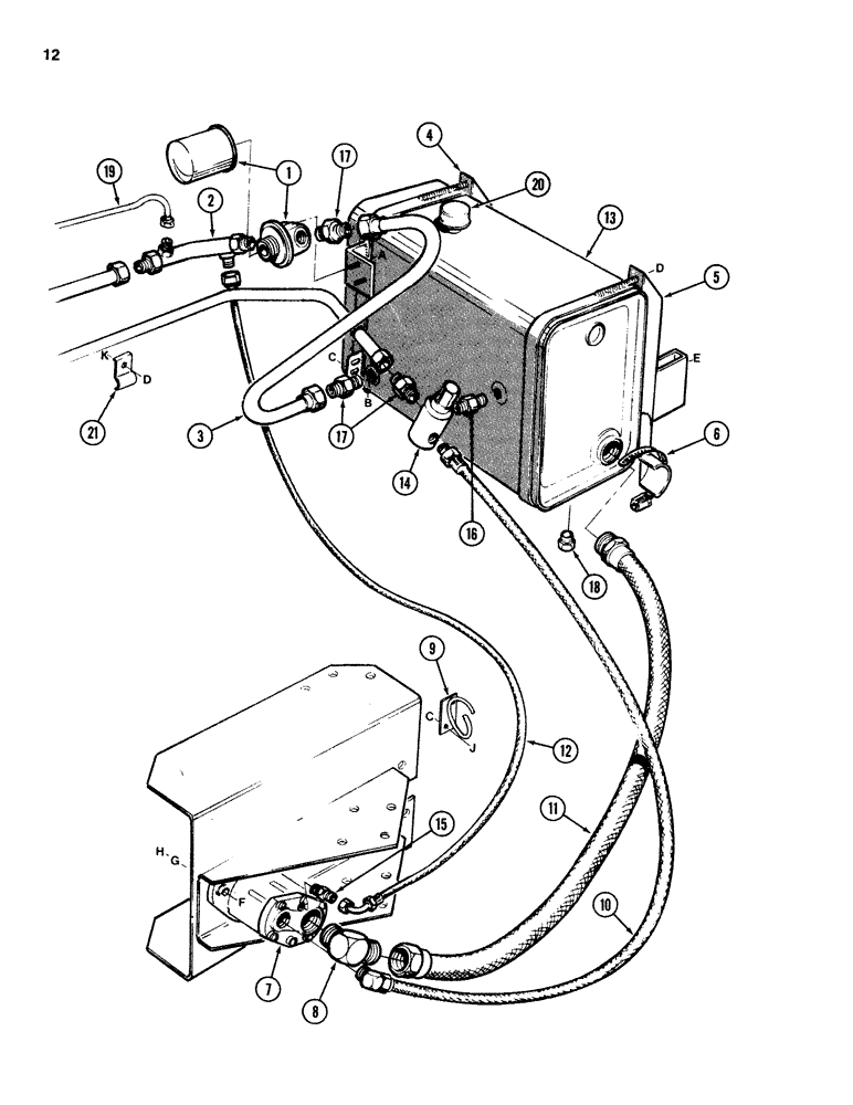
1

1276809C1

HEAD

- filter, with element

1шт.

1276810C1

ELEMENT

- filter, replacement

1шт.

1336896C1

HEAD

- filter, without element

1шт.

a

174856C1

BOLT,Hex Serr, 5/16" - 18 x 1/2"

- flange head, 5/16 NC x 1/2 inch

2шт.

2

1276811C1

MANIFOLD

- return line

1шт.

3

1276812C1

TUBE,19 mm OD

ASSEMBLY - filter to tank

1шт.

4

1276813C1

BRACKET

MOUNT - tank, rear

1шт.

b

541313R1

BOLT,Hex Serr Flg, 3/8" - 16 x 3/4"

- flange head, 3/8 NC x 3/4 inch

2шт.

c

482256R1

BEARING LOCK NUT,Flg, USR, 3/8"-16

- serrated flange lock, 3/8 inch NC

2шт.

5

1276776C1

BRACKET

MOUNT - tank, front

1шт.

d

9413953

LOCK NUT,3/8"-16, GB

NUT - lock, 3/8 inch NC distorted thread

2шт.

e

174985C1

BOLT,Hex Serr, 1/2" - 13 x 1"

- flange head, 1/2 NC x 1 inch

4шт.

6

681209C1

HOSE CLAMP,#32, 1.56/2.50 Type F Worm, W/liner

CLAMP - hose, gear type

1шт.

7

1276778C1

PUMP

- hydraulic

1шт.

343700R1

O-RING,-155, 70 Duro, 3.987" ID x .103" Thk

- 4 inch ID x 3/32 inch diameter

1шт.

631883C1

SEAL

- oil, shaft

1шт.

80676C1

SEAL KIT

KIT - for pump 1276778C1

1шт.

f

180177

BOLT,Hex, 1/2" - 13 x 1 1/2", Gr 5

- hex, 1/2 NC x 1-1/2 inch

2шт.

g

120384

WASHER,1/2"

LOCK, 1/2"

2шт.

h

120378

NUT,Hex, 1/2" - 13, Gr 5

NUT, 1/2"-13, G5

2шт.

8

84530

ELBOW,90 Degree, 1 5/8"-12, 37 Degree x 1 5/8"-12, O-Ring

- male, 90 degree

1шт.

307915R1

O-RING,0.118" Thk x 1.475" ID, -920, Cl 6, 90 Duro

- for elbow 9410982

1шт.

9

1276779C1

HOOK

LOOP - hose guide

1шт.

j

154273C1

BOLT,Hex Serr, 3/8" - 16 x 1", Spcl

- flange head, 3/8 NC x 1 inch

2шт.

c

482256R1

BEARING LOCK NUT,Flg, USR, 3/8"-16

- serrated flange lock, 3/8 inch NC

2шт.

10

1276800C1

HOSE

ASSEMBLY - high pressure

1шт.

11

1276801C1

HYDRAULIC HOSE,31.75 mm ID x 1890 .00 mm

- Suction 31.75 mm ID x 1890 .00 mm

1шт.

12

1276802C1

HOSE

ASSEMBLY - case drain

1шт.

13

1276803C1

TANK

RESERVOIR - oil

1шт.

14

1276804C1

VALVE

- relief

1шт.

15

9410202

HYD CONNECTOR,9/16"-18, 37 Degree x 9/16"-18, O-Ring

CONNECTOR - male, 3/8 inch

1шт.

364839R1

O-RING,0.078" Thk x 0.468" ID, -906, Cl 6, 90 Duro

6-1, 90 Duro, .468" ID x .078" Thk, for connector 9410202

1шт.

16

443983

PIPE

NIPPLE - hex, 1/2 pipe

1шт.

17

9402711

HYD CONNECTOR,1 1/16"-12, 37 Degree x 3/4"-14, NPTF

CONNECTOR - male, 3/4 inch

3шт.

18

50057K

PLUG

- magnetic

1шт.

19

90991C1

TUBE,.375" OD

ASSEMBLY - case drain (21 foot unit)

1шт.

19

1276824C1

TUBE,9.53 mm OD

ASSEMBLY - case drain (25 foot unit)

1шт.

20

1276807C1

FILLER

/BREATHER - reservoir

1шт.

21

1276808C1

CLIP

CLAMP - vertical

2шт.

d

9413953

LOCK NUT,3/8"-16, GB

NUT - lock, 3/8 inch NC distorted thread

1шт.

k

113-233

BOLT,Hex, 3/8" - 16 x 1-3/4", Gr 5

- hex, 3/8"-16 NC x 1-3/4", grade 5

1шт.

Выбрано товаров: 0