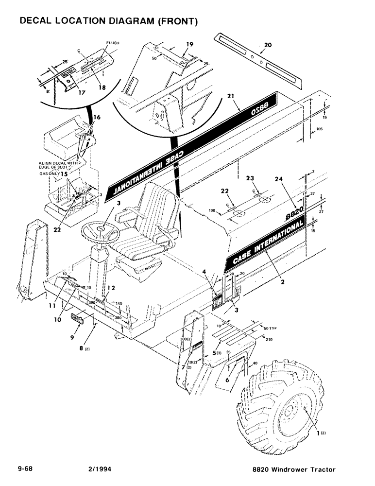
Запчасти Case IH 8820 (9-68) - DECAL LOCATION DIAGRAM, FRONT (09) - CHASSIS/ATTACHMENTS

Схема запчастей Case IH 8820 - (9-68) - DECAL LOCATION DIAGRAM, FRONT (09) - CHASSIS/ATTACHMENTS
16
10
9
3
3
11
2
5
21
12
24
22
19
22
8
6
18
15
17
1
4
7
23
20
FIT
1:1
100%

Артикул

Название

Примечание

Количество

1

7178858

DECAL

- Torque Notice

2шт.

2

700710027

DECAL

- CASE INTERNATIONAL

1шт.

item#2-grey decal saying "case ih" is 700714239. tm.6-2-97

1шт.

3

700706950

DECAL

- Tire Pressure and RPM

1шт.

4

78311

DECAL

- Caution

1шт.

5

6849178

WALL

Tread - Safety (10 Foot Bulk)

3шт.

6

779223

DECAL

- Notice, Do not tow...

2шт.

7

700706022

DECAL

- WARNING

2шт.

8

700708112

NUT

1/4 Palnut

2шт.

9

A181437

EMBLEM CASE/IH

Medallion Case IH

1шт.

10

700708489

DECAL

- Reel

1шт.

11

7178932

DECAL

- WARNING

1шт.

12

700708490

DECAL

- Header

1шт.

13

700708114

DECAL

- Insert

1шт.

14

700704951

DECAL

- CAUTION

1шт.

15

700707251

DECAL

- Choke (Gas Only)

1шт.

16

700706290

DECAL

- Parking Brake

1шт.

17

700709452

DECAL

- Reel Speed

1шт.

18

700709902

DECAL

- Draper

1шт.

19

7889306

DECAL

- Grease Symbol

1шт.

20

700705144

DECAL

- Headliner

1шт.

21

700710028

DECAL

- 8820 CASE INTERNATIONAL

1шт.

22

7079791

DECAL

- Fuel Tank

1шт.

23

8888703

DECAL

- Oil Reservoir

1шт.

24

700710026

DECAL

- 8820

1шт.

Выбрано товаров: 0