Запчасти Case IH 8820 (2-24) - CYLINDER HEAD & COVERS, THERMOSTAT, AND HOUSING, DIESEL (02) - ENGINE

Схема запчастей Case IH 8820 - (2-24) - CYLINDER HEAD & COVERS, THERMOSTAT, AND HOUSING, DIESEL (02) - ENGINE
16
19
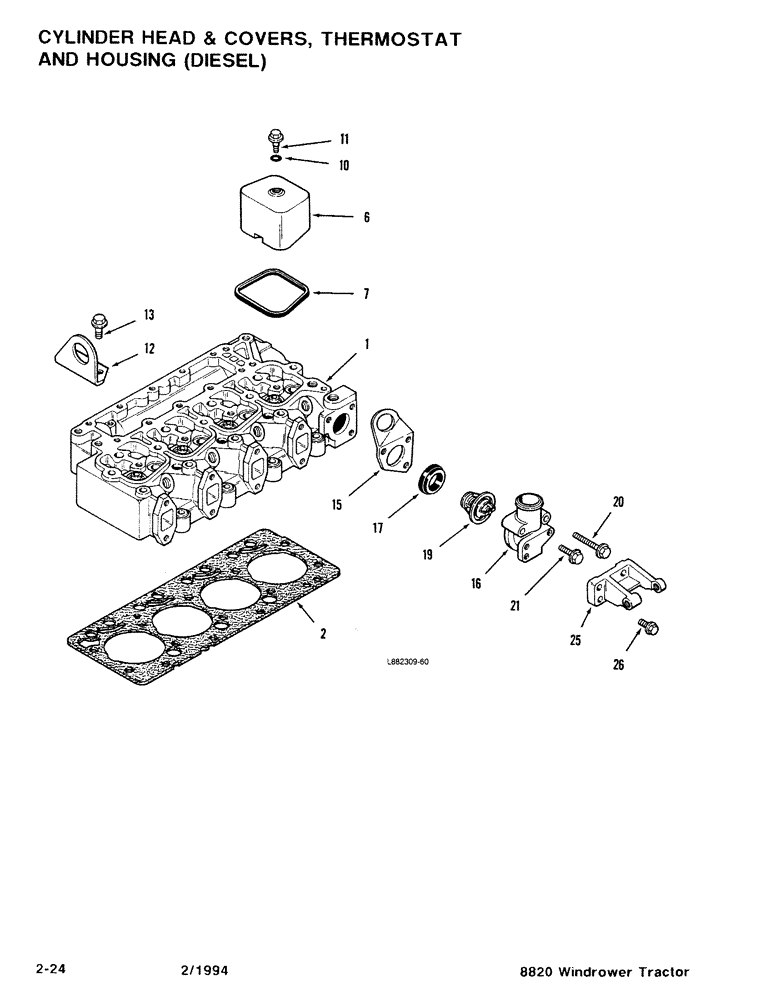
7
13
25
21
1
20
6
15
10
12
17
2
11
26
FIT
1:1
100%

Артикул

Название

Примечание

Количество

1

REF

INSTRUCTION

Head - Cylinder, Engine

1шт.

2

J921393

GASKET

- Cylinder Head, Standard

1шт.

J921395

CYLINDER HEAD GASKET

- Cylinder Head, 0.25 mm Thicker (2 Notches)

1шт.

J921397

GASKET

- Cylinder Head, 0.50 mm Thicker (3 Notches)

1шт.

6

J902604

COVER

- Rocker

1шт.

7

J902666

GASKET

Seal - Rocker Cover

4шт.

10

J910824

O-RING,0.07" Thk x 0.364" ID, -12, Cl 5, 75 Duro

- Cover Bolt

4шт.

11

J907049

BOLT,Hex

- Special, 8M x 1.25 x 21.25 mm)

4шт.

12

J908118

BRACKET

- Lifting, Rear

1шт.

13

854-12025

BOLT,Hvy Hex, M12 x 25mm, Cl 10.9

2шт.

15

J903757

BRACKET

- Lifting, Front THERMOSTAT AND HOUSING

1шт.

16

J914409

HOUSING

- Thermostat THERMOSTAT AND HOUSING

1шт.

17

J920020

GASKET

- Housing THERMOSTAT AND HOUSING

1шт.

19

NSS

NOT SOLD SEPARAT

Thermostat - Water, 95 Degree C (Order Kit A77736) THERMOSTAT AND HOUSING

1шт.

20

845-8070

BOLT,Hvy Hex, M8 x 70mm, Cl 8.8

Thermostat and housing Hex Flg, M8 x 70, 8.8

2шт.

21

845-8035

BOLT,Hvy Hex, M8 x 35mm, Cl 8.8

- Hex Flange, 8 mm - 1.25 x 35 mm, Thermostat and housing

1шт.

25

J910713

SUPPORT

- Alternator Mounting THERMOSTAT AND HOUSING

1шт.

26

845-8025

BOLT,Hex Flg, M8 x 25mm, Cl 8.8

- hex flange head, 8 - 1.25 x 25 mm, Thermostat and housing

3шт.

Выбрано товаров: 18