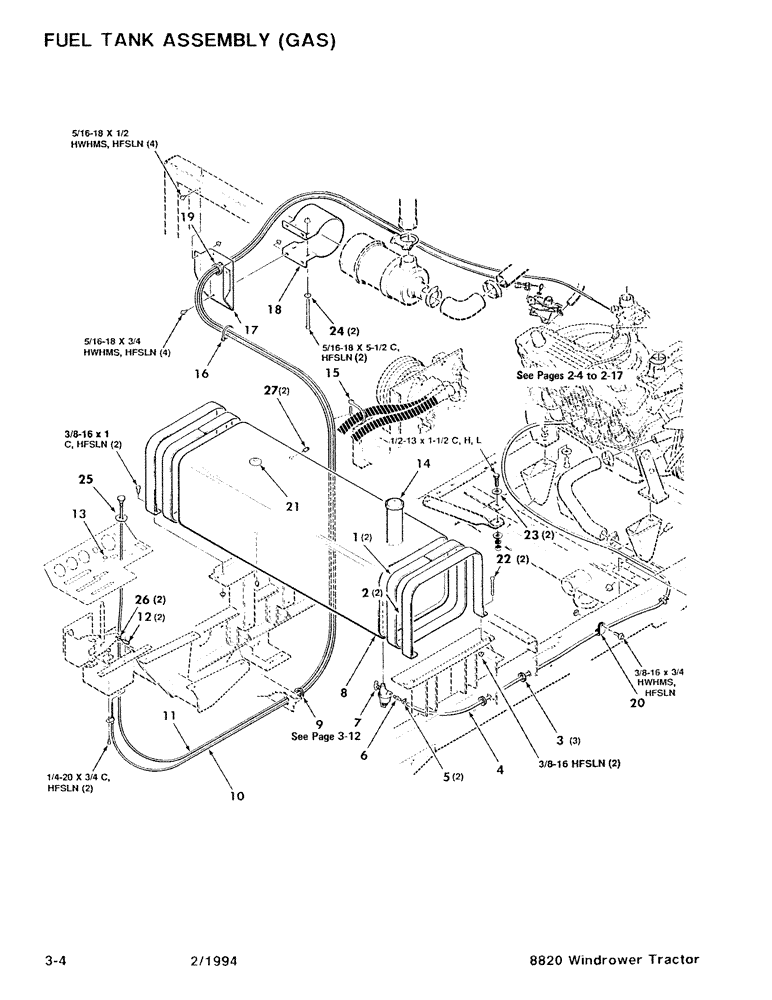
Запчасти Case IH 8820 (3-04) - FUEL TANK ASSEMBLY, GAS (03) - FUEL SYSTEM

Схема запчастей Case IH 8820 - (3-04) - FUEL TANK ASSEMBLY, GAS (03) - FUEL SYSTEM
11
4
1
7
13
24
10
20
15
9
16
3
5
8
14
23
26
18
22
6
27
2
12
21
25
17
19
FIT
1:1
100%

Артикул

Название

Примечание

Количество

1

700111015

LINER

- Felt

2шт.

2

700111119

SECURING STRAP

Strap - Tank

2шт.

3

8827172

GROMMET

3шт.

4

700111077

RIGID TUBE,0.312" ID, 98.425" Length

Line - Fuel

1шт.

5

7721020

HOSE CLAMP

Clamp

2шт.

6

7746662

INSERT

Connector

1шт.

7

720714

STRAINER ASSY.

Strainer - Fuel

1шт.

8

700705627

RESERVOIR, HYDRAULIC

Tank - Fuel

1шт.

9

827758

GROMMET

1шт.

10

700707233

CABLE

Control - Throttle

1шт.

11

700704968

CABLE

- Control, Choke

1шт.

12

7041932

ROD, CONNECTING

Connector

2шт.

13

7745052

BUSHING

Snap - on Button

1шт.

14

700708089

CAP

- Tank, Fuel

1шт.

15

722470

MOUNTING CLIP

Tie - Cable

1шт.

16

7724347

STRAP

Tie - Cable

1шт.

17

700111118

SUPPORT

- Mounting, Air Cleaner

1шт.

18

6602734

CLAMP

- Air Cleaner

1шт.

19

8027179

GROMMET

1шт.

20

755744

CLAMP

- Hose

2шт.

21

700706468

SENDER UNIT

Sender - Fuel Level

1шт.

The gasket for ref # 21, sendor is 14556. bj 7/9/99

1шт.

22

703595

HYDRAULIC SYSTEM,Hex, 3/8" - 16 x 3", Gr 5, Full Thd

3/8-16 x 3 FTC

2шт.

23

705541

WASHER,0.53" ID x 1.06" OD x 0.14" Thk

1/2 Hardened Plain Washer

2шт.

24

705525

WASHER

5/16 Hardened Plain Washer

2шт.

25

705657

WASHER

3/8 Narrow Plain Washer

1шт.

26

705699

WASHER,#12

No. 12 Narrow Plain Washer

2шт.

27

217-430

PLUG,Hex Soc, 1/8" - 27 NPTF

1/8-27 NPTF Pipe Plug,Assy, Ignition to Starter Switch, 12 Gauge, Black Includes: (2) Ref. 16

2шт.

7703457

HYD CONNECTOR,Hex, 1/4" - 20 x 3/4", Gr 5

1/4-20 x 3/4 C

2шт.

702076

SCREW

5/16-18 x 5-1/2 C

2шт.

703249

BOLT,Hex, 3/8" - 16 x 1", Gr 5

3/8-16 x 1 C

2шт.

701235

BOLT,1/2" - 13 x 1 1/2", Gr 5

1/2-13 x 1-1/2 C

1шт.

7883317

SCREW,Hex Washer, 5/16" - 18 x 1/2"

5/16-18 x 1/2 HWHMS

4шт.

7883325

BOLT,Hex, 5/16" - 18 x 3/4", Gr 120M

5/16-18 x 3/4 HWHMS

4шт.

7883374

SCREW,Hex Washer, 3/8" - 16 x 3/4"

3/8-16 x 3/4 HWHMS

1шт.

704031

NUT

1/2-13 H

1шт.

704221

NUT

1/4-20 HFSLN

2шт.

704239

FRONT AXLE

5/16-18 HFSLN

10шт.

704247

NUT

3/8-16 HFSLN

5шт.

Выбрано товаров: 39