Запчасти Case IH 8820 (3-10) - AIR BREATHER ASSEMBLY, DIESEL (03) - FUEL SYSTEM

Схема запчастей Case IH 8820 - (3-10) - AIR BREATHER ASSEMBLY, DIESEL (03) - FUEL SYSTEM
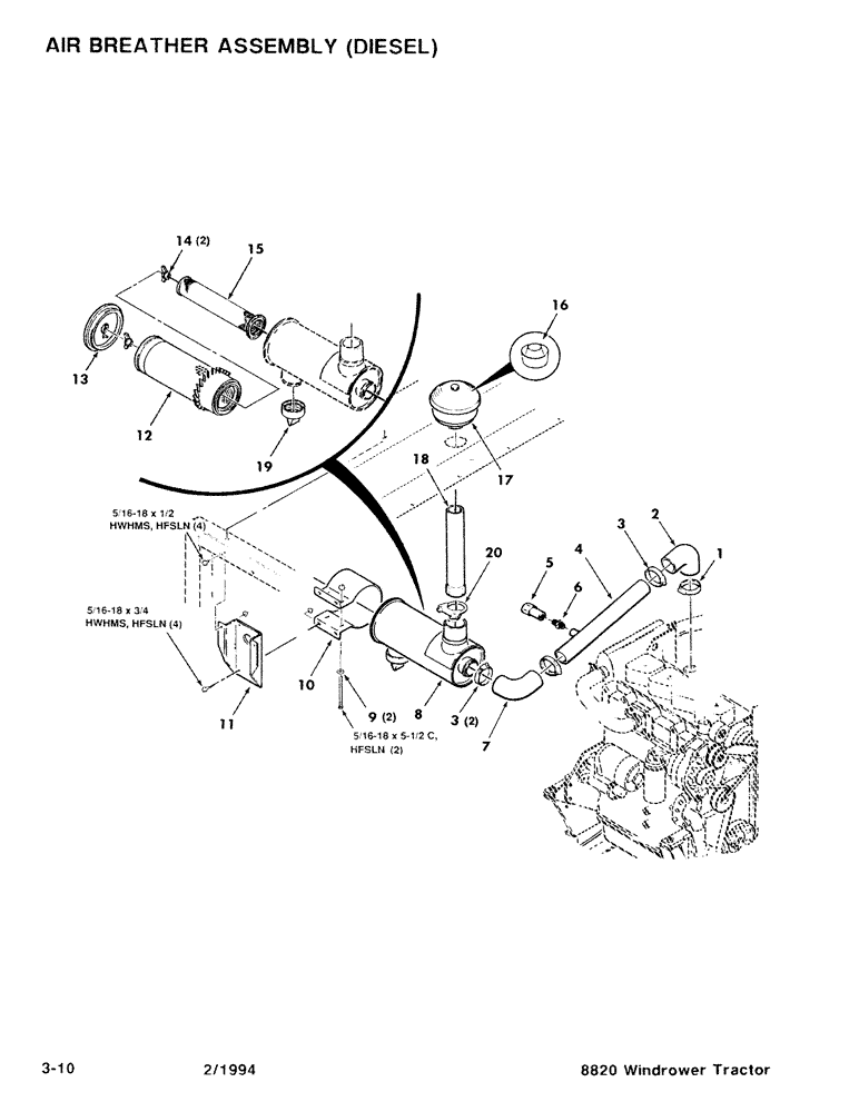
10
7
14
16
3
17
13
9
4
20
15
18
12
6
5
3
1
11
19
8
2
FIT
1:1
100%

Артикул

Название

Примечание

Количество

1

7720063

CLAMP

- Hose

1шт.

2

700708472

HOSE

- Air Intake

1шт.

3

720870

CLAMP

- Hose

3шт.

4

700117924

TUBE

- Air Intake

1шт.

5

700707040

INDICATOR

- Service

1шт.

6

8798225

ADAPTER

1шт.

7

700708468

FLEXIBLE HOSE

Hose - Air Intake

1шт.

8

700709660

AIR CLEANER

Assembly

1шт.

9

705525

WASHER

5/16 Hardened Plain Washer

2шт.

10

6602734

CLAMP

1шт.

11

700111118

SUPPORT

- Mounting

1шт.

12

700709750

ELEMENT

- Primary

1шт.

13

700709752

COVER

1шт.

14

7741218

NUT, WING

Nut

2шт.

15

700709751

ELEMENT

- Secondary

1шт.

16

7041494

BOWL

- Pre-Cleaner

1шт.

17

700708221

AIR PRE-CLEANER ASSY

Pre-Cleaner

1шт.

18

700708464

SUPPORT,76.2 mm OD, 375 mm Length

Tube - Exhaust Extension

1шт.

19

700709753

DUST VALVE

Valve - Dust

1шт.

20

722769

CLAMP

- Exhaust

1шт.

702076

SCREW

5/16-18 x 5-1/2 C

2шт.

7883317

SCREW,Hex Washer, 5/16" - 18 x 1/2"

5/16-18 x 1/2 HWHMS

4шт.

7883325

BOLT,Hex, 5/16" - 18 x 3/4", Gr 120M

5/16-18 x 3/4 HWHMS

4шт.

704239

FRONT AXLE

5/16-18 HFSLN

10шт.

Выбрано товаров: 0