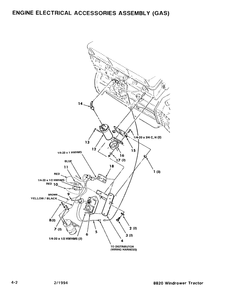
Запчасти Case IH 8820 (4-02) - ENGINE ELECTRICAL ACCESSORIES ASSEMBLY, GAS (04) - ELECTRICAL SYSTEMS

Схема запчастей Case IH 8820 - (4-02) - ENGINE ELECTRICAL ACCESSORIES ASSEMBLY, GAS (04) - ELECTRICAL SYSTEMS
4
1
16
8
7
6
3
11
15
12
17
13
18
10
9
2
14
5
FIT
1:1
100%

Артикул

Название

Примечание

Количество

1

6489231

SPACER

2шт.

2

705533

WASHER

3/8 Hardened Plain Washer

2шт.

3

873083

SCREW

3/8-16 x 1-1/2 FTC

2шт.

4

6829600

MOUNTING PARTS

Strap - Mounting, Ignition

1шт.

5

8025694

HARNESS

- Wire

1шт.

6

8021974

CONTROL

Unit

1шт.

7

495-31022

WASHER,#10

No. 10 Plain Washer

2шт.

8

704445

NUT

No. 10-32 H

2шт.

9

743021

SCREW

1шт.

10

8020745

ELECTRICAL WIRE

Wire - Electrical

1шт.

11

8020729

RELAY

- Electrical

1шт.

12

700709182

COIL

1шт.

13

700709184

SCREW

- Special (includes Nut)

1шт.

14

700710068

ELECTRICAL WIRE

Wire - Coil

1шт.

15

7724180

BRACKET

- Coil

1шт.

16

700709183

BRACKET

- Coil

1шт.

17

705517

WASHER

1/4 Hardened Plain Washer

2шт.

18

HFI8021966

RESISTOR

- Ballast

1шт.

7703457

HYD CONNECTOR,Hex, 1/4" - 20 x 3/4", Gr 5

1/4-20 x 3/4 C

2шт.

7883267

BOLT,Hex, 1/4" - 20 x 1/2", Gr 120M

1/4-20 x 1/2 HWHMS

3шт.

7883283

SCREW,Hex Washer, 1/4" - 20 x 1"

1/4-20 x 1 HWHMS

1шт.

704007

NUT,1/4"-20, G5

1/4-20 H

2шт.

Выбрано товаров: 22