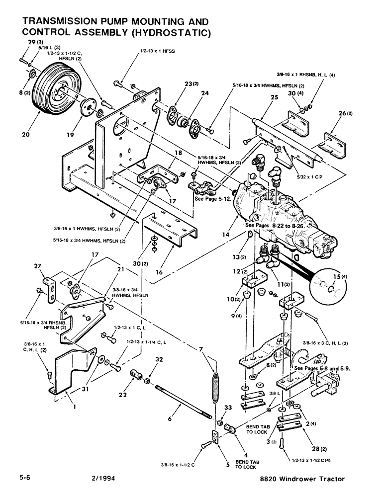
Запчасти Case IH 8820 (5-06) - TRANSMISSION PUMP MOUNTING AND CONTROL ASSEMBLY, HYDROSTATIC (05) - STEERING

Схема запчастей Case IH 8820 - (5-06) - TRANSMISSION PUMP MOUNTING AND CONTROL ASSEMBLY, HYDROSTATIC (05) - STEERING
14
11
23
5
31
15
1
2
30
27
4
24
10
26
3
9
21
20
16
33
26
13
6
7
17
25
8
18
29
12
30
19
8
32
17
22
FIT
1:1
100%

Артикул

Название

Примечание

Количество

1

700110948

SUPPORT

- Pump, Left Front

1шт.

2

700117552

WASHER

4шт.

3

700117550

STRAP

2шт.

4

CAS51383

END

Rod End - Right Hand Thread

1шт.

5

700111560

LOCKING TAB

Tab - Locking

1шт.

6

700111159

ROD

- Link

1шт.

7

758441

SPRING

- Tension

1шт.

8

100-1198

SNAP RING,#98, Ext

Retaining Ring - External

4шт.

9

700701287

BUSHING

Mounting Bushing

4шт.

10

700110910

ARM

- Steering

2шт.

11

8046997

ELBOW

90deg. Elbow (Includes Item 15)

2шт.

12

7746068

ELBOW

90deg. Elbow (Includes Item 15)

2шт.

13

61309

WOODRUFF KEY,#91, 1/4" x 3/4"

1/4 x 3/4 Woodruff Key

2шт.

14

700710304

HYDRAULIC PUMP

Pump - Tandem, Complete (5500 PSI)

1шт.

15

738476

O-RING

4шт.

16

700110886

MOUNTING PLATE

Mounting - Channel, Right

1шт.

17

714592

BUSHING

Flange Bearing

2шт.

18

700111156

SUPPORT

Angle - Support

1шт.

19

700110941

HUB

- Sheave

1шт.

20

700110946

PULLEY

Sheave - 3-Groove

1шт.

21

700110998

SUPPORT

- Pump, Left Rear

1шт.

22

700705523

SPHERICAL BEARING,9.52 mm ID x 12.7 mm

Rod End - Left Hand Thread

1шт.

23

711952

LINE

- Bearing

2шт.

24

700705522

SPHERICAL BEARING,19.05 mm ID x 47 mm OD x 21.44 mm

Bearing - Spherical, Less Collar

1шт.

25

700110992

SHAFT

- Rocker

1шт.

26

700110997

LATCH

2шт.

27

700111002

BRACKET

Mounting - Spring

1шт.

28

700117551

LOCKING TAB

Tab - Locking

2шт.

29

700705614

BOLT,Hex, 5/16" - 18 x 1 1/2", Gr 5

5/16-18 x 1-1/2 FTC

3шт.

30

80702

WASHER,0.44" ID x 1" OD x 0.08" Thk

3/8 Hardened Plain Washer

6шт.

31

705541

WASHER,0.53" ID x 1.06" OD x 0.14" Thk

1/22 Hardened Plain Washer

1шт.

32

700705510

NUT

3/8-24 H (Left Hand Thread)

1шт.

33

704304

NUT

3/8-24 H

1шт.

703249

BOLT,Hex, 3/8" - 16 x 1", Gr 5

3/8-16 x 1 C

2шт.

703603

SCREW

3/8-16 x 1-1/2 C

5шт.

7704205

HYDRAULIC VALVE

3/8-16 x 3 C

2шт.

703959

BOLT,Hex, 1/2" - 13 x 1", Gr 5, Full Thd

1/2-13 x 1 C

1шт.

7701188

BOLT,Hex, 1/2" - 13 x 1 1/4", Gr 5

1/2-13 x 1-1/4 C

1шт.

701235

BOLT,1/2" - 13 x 1 1/2", Gr 5

1/2-13 x 1-1/2 C

2шт.

700013

CARRIAGE BOLT,Sq Nk, 5/16" - 18 x 3/4", Gr 5

5/16-18 x 3/4 RHSNB

2шт.

700047

BOLT

3/8-16 x 1 RHSNB

4шт.

7883325

BOLT,Hex, 5/16" - 18 x 3/4", Gr 120M

5/16-18 x 3/4 HWHMS

6шт.

7883374

SCREW,Hex Washer, 3/8" - 16 x 3/4"

3/8-16 x 3/4 HWHMS

2шт.

7883382

BOLT,Hex, 3/8" - 16 x 1", Gr 120M

3/8-16 x 1 HWHMS

2шт.

7701592

FLANGE BOLT,Hex Serr, 1/2" - 13 x 1"

1/2-13 x 1 HFSS

1шт.

704023

NUT,3/8"-16, G5

3/8-16 H

8шт.

231-5145

SERRATED NUT,Flg, USR, 5/16"-18

5/16-18 HFSLN

8шт.

704247

NUT

3/8-16 HFSLN

4шт.

704254

NUT,Flg, USR, 1/2"-13

1/2-13 HFSLN

2шт.

705020

LOCK WASHER

5/16"

3шт.

705038

CONTROL VALVE

3/8"

9шт.

Выбрано товаров: 51