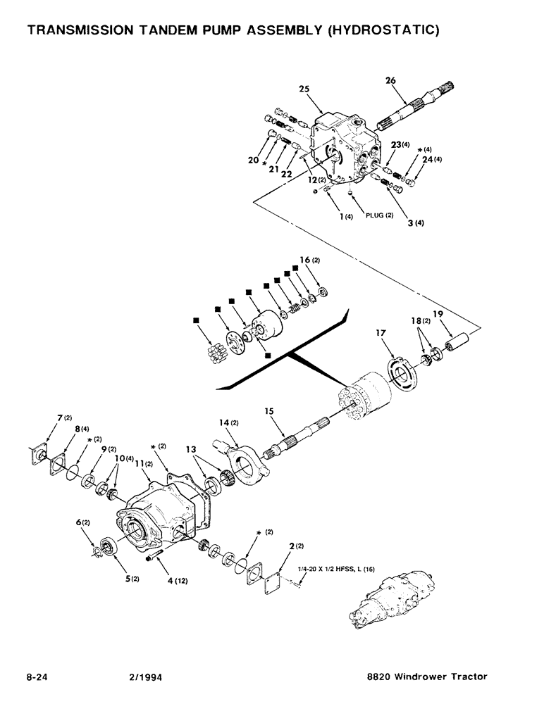
Запчасти Case IH 8820 (8-24) - TRANSMISSION TANDEM PUMP ASSEMBLY, HYDROSTATIC (08) - HYDRAULICS

Схема запчастей Case IH 8820 - (8-24) - TRANSMISSION TANDEM PUMP ASSEMBLY, HYDROSTATIC (08) - HYDRAULICS
12
15
18
25
19
11
3
4
7
22
21
6
24
*
*
13
23
16
26
5
10
14
17
1
*
2
8
9
20
*
*
FIT
1:1
100%

Артикул

Название

Примечание

Количество

700704953

HYDRAULIC PUMP

Hydrostatie Tandem Pump Complete (5500 PSI)

1шт.

1

8730160

PIN

Roll Pin

4шт.

2

8730400

COVER

- Pintle

2шт.

3

8732810

SPRING

4шт.

4

7071913

BOLT

12-Point Flanged Screw

12шт.

5

700705451

SEAL

Seal

1шт.

6

740712

OIL SEAL

Retaining Ring

1шт.

7

8730236

COVER

- Seal, Pintle

2шт.

8

8730079

SHIM

Kit

4шт.

9

8730269

SPACER

- Bearing, Pintle

4шт.

10

700711750

KIT

Bearing Set

4шт.

11

8730137

HOUSING

2шт.

12

8730178

PIN

Roll Pin

2шт.

13

8730053

BEARING SET

Bearing Set

2шт.

14

8730103

YOKE

2шт.

15

8730111

SHAFT

- Main Input

1шт.

15

8730145

KIT

Bearing Spacer Kit

2шт.

17

8730020

PLATE

Wafer Plate - Right Hand Rotation

1шт.

8730038

PLATE

Wafer Plate - Left Hand Rotation

1шт.

18

8730046

BEARING SET

Bearing Set

2шт.

19

8730186

COUPLING

1шт.

20

8730228

PLUG

1шт.

21

8730210

SPRING

1шт.

22

8730152

VALVE POPPET

Check Valve

1шт.

23

700711591

VALVE, CHECK

Replenishing Check and Relief Valve

4шт.

24

8732612

HEAD (CYLINDER)

Plug

4шт.

25

8730202

BLOCK

- Valve

1шт.

26

8730129

SHAFT

- Intermediate

1шт.

409-748

BOLT,Hex Flg, 1/4" - 20 x 1/2", Spcl

1/4-20 x 1/2 HFSS

16шт.

705012

LOCK WASHER

1/4"

16шт.

700705452

SEAL KIT

Seal Repair Kit Includes: Ref. marked with asterisks on the art.

1шт.

8730350

KIT

Rotating Group Kit (Includes items marked with Square in art.)

2шт.

Выбрано товаров: 32