Запчасти Case IH 8820 (9-08) - HEADER AND REEL LIFT CONTROL ASSEMBLY (09) - CHASSIS/ATTACHMENTS

Схема запчастей Case IH 8820 - (9-08) - HEADER AND REEL LIFT CONTROL ASSEMBLY (09) - CHASSIS/ATTACHMENTS
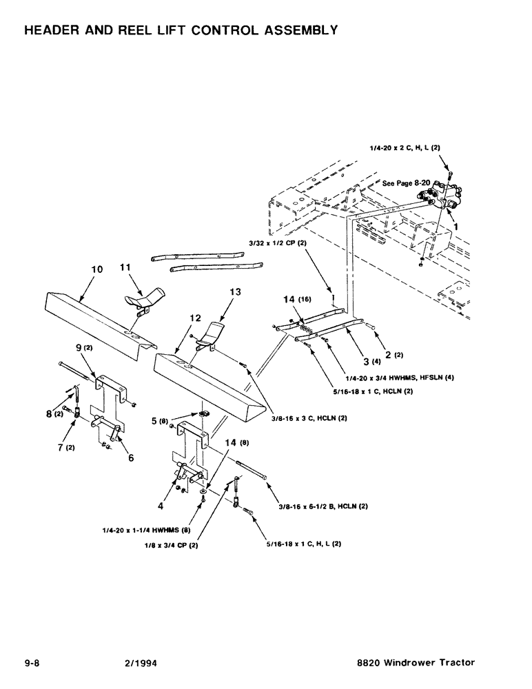
9
7
6
14
10
14
12
11
8
4
2
5
13
3
FIT
1:1
100%

Артикул

Название

Примечание

Количество

1

700707512

CONTROL VALVE

Valve - Control

1шт.

2

863449

PIN

3/16 x 3/4 Clevis Pin

2шт.

3

700116529

TIE-ROD

Link

4шт.

4

700116521

TUBE

- Left, Rocker Shaft

1шт.

5

74740

NUT

Speed Nut

8шт.

6

700116524

TUBE

- Right, Rocker Shaft

1шт.

7

700703692

ADJUSTMENT ROD

Rod End

2шт.

8

700116528

ROD

2шт.

9

700116527

SUPPORT

2шт.

10

700118449

SUPPORT

- Right

1шт.

11

700116520

PEDAL

- Reel Lift

1шт.

12

700116527

SUPPORT

- Left

2шт.

13

700116515

PEDAL

- Header Lift

1шт.

14

705517

WASHER

1/4 Hardened Plain Washer

24шт.

7701485

BOLT,Hex, 1/4" - 20 x 2", Gr 5

1/4-2 x 2 C

2шт.

703579

BOLT,Hex, 5/16" - 18 x 1", Gr 5, Full Thd

5/16-18 x 1 C

4шт.

7704205

HYDRAULIC VALVE

3/8-16 x 3 C

2шт.

702365

BOLT

3/8-16 x 6-1/2 B

2шт.

7883275

SCREW,Hex Washer, 1/4" - 20 x 3/4"

1/4-20 x 3/4 HWHMS

4шт.

7883291

SCREW,Hex Washer, 1/4" - 20 x 1 1/4"

1/4-20 x 1-1/4 HWHMS

8шт.

704007

NUT,1/4"-20, G5

1/4-20 H

2шт.

704015

NUT,5/16"-18, G5

5/16-18 H

2шт.

7883317

SCREW,Hex Washer, 5/16" - 18 x 1/2"

5/16-18 x 1/2 HWHMS

4шт.

704619

SUPPORT

5/16-18 HCLN

2шт.

704635

NUT

3/8-16 HCLN

4шт.

705012

LOCK WASHER

1/4"

2шт.

705020

LOCK WASHER

5/16"

2шт.

Выбрано товаров: 27