Запчасти Case IH 8820 (9-10) - HEADER DRIVE CONTROL CABLE ASSEMBLY (09) - CHASSIS/ATTACHMENTS

Схема запчастей Case IH 8820 - (9-10) - HEADER DRIVE CONTROL CABLE ASSEMBLY (09) - CHASSIS/ATTACHMENTS
5
8
1
7
2
4
2
3
1
6
FIT
1:1
100%

Артикул

Название

Примечание

Количество

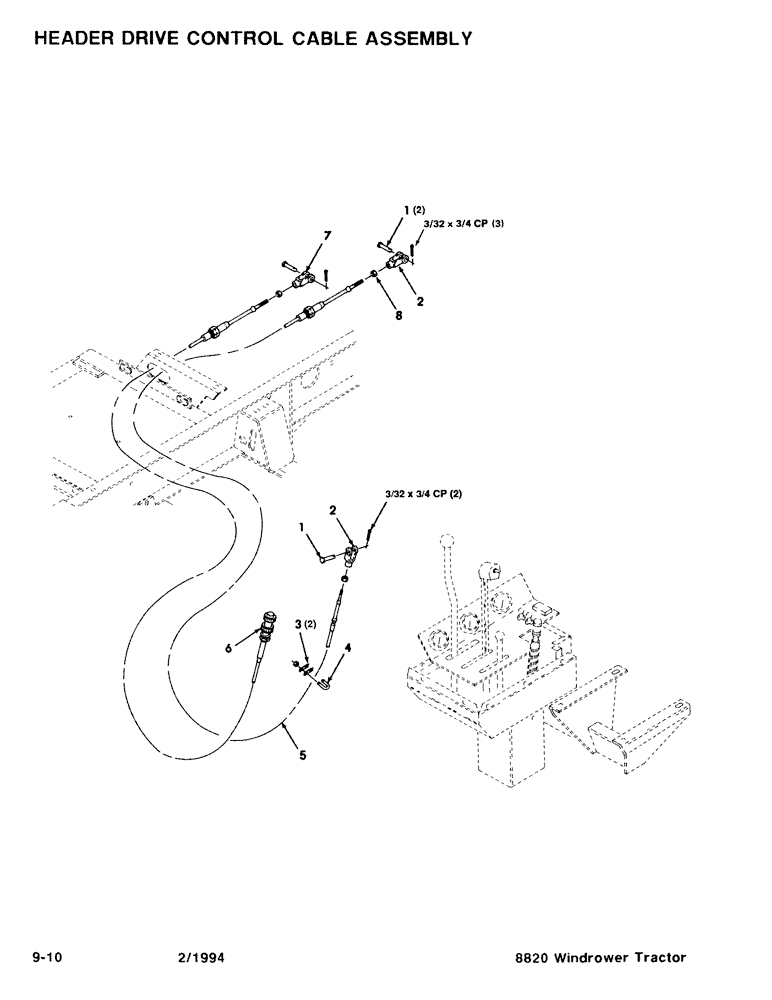
1

63925

PIN

1/4 x 3/4 Clevis Pin

3шт.

2

51200162

CLEVIS

3шт.

3

700121109

ADJUSTING PLATE

Shim

2шт.

4

700709794

U-BOLT

with Nuts

2шт.

5

700709789

CABLE

- Control

1шт.

6

700709788

CABLE

Assembly - Control

1шт.

7

766212

FORK

Clevis

1шт.

8

774133

NUT

1/4-28 Hex Jam Nut

2шт.

Выбрано товаров: 8