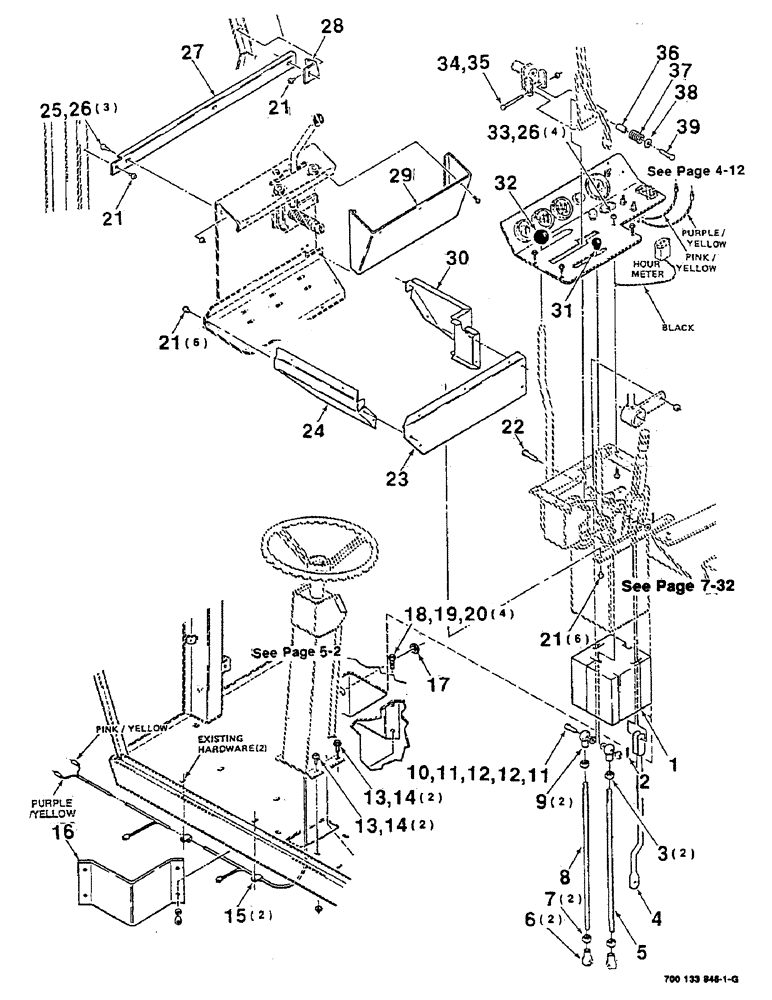
Запчасти Case IH 8825HP (07-28) - CONSOLE ASSEMBLY, OPERATORS, SERIAL NUMBER CFH127001 THRU CFH127599 (09) - CHASSIS

Схема запчастей Case IH 8825HP - (07-28) - CONSOLE ASSEMBLY, OPERATORS, SERIAL NUMBER CFH127001 THRU CFH127599 (09) - CHASSIS
29
11
4
9
27
21
15
26
6
25
5
17
10
23
33
8
34
1
21
13
35
20
12
36
11
13
12
22
37
21
7
3
30
32
18
21
14
28
16
31
24
26
38
39
2
19
14
FIT
1:1
100%

Артикул

Название

Примечание

Количество

1

700704959

PLUG

- foam

1шт.

2

432-612

COTTER PIN,3/32" x 3/4"

PIN , SPLIT (COTTER), 3/32" x 3/4"

1шт.

3

425-116

NUT,3/8" - 24, Gr 5

2шт.

4

700110982

ROD

- brake

1шт.

5

700111010

ROD

- link

1шт.

6

700705523

SPHERICAL BEARING,9.52 mm ID x 12.7 mm

ROD END, LH thread

2шт.

7

129-323

SPECIAL NUT,3/8"-24, G5, LH

2шт.

8

700111012

ROD

- link

1шт.

9

CAS51383

END

ROD END

2шт.

10

413-620

BOLT,Hex, 3/8" - 16 x 1-1/4", Gr 5

1шт.

11

425-106

NUT,3/8"-16, Cl 5

2шт.

12

492-11038

LOCK WASHER,3/8"

2шт.

13

121-115

SERRATED BOLT,Hex, 5/16" - 18 x 3/4"

4шт.

14

231-5145

SERRATED NUT,Flg, USR, 5/16"-18

NUT, Flg, USR, 5/16"-18

4шт.

15

515-2295

CLAMP,3/8", Insul, 5/16" Bolt

Wire 3/8", Insul, 5/16" Bolt

2шт.

16

700110018

CLAMP

1шт.

17

248-21110

GROMMET,1" ID x 1 3/8" Groove Dia

1шт.

18

413-824

BOLT,Hex, 1/2" - 13 x 1-1/2", Gr 5

4шт.

19

425-108

NUT,1/2" - 13, Gr 5

NUT, , Hex 1/2"-13, G5

4шт.

20

80679

LOCK WASHER,1/20.507 CST ZND

WASHER, LOCK, 1/2"

4шт.

21

187-1036

SELF-TAP SCREW,Hex Washer, 1/4" - 20 x 1/2"

1/4-20 X 1/2 HWHTCTS

14шт.

22

700111557

SCREW

3/8-16 X 1-1/2 C, special

1шт.

23

700111073

PANEL

- inside

1шт.

24

700111076

PANEL

- front

1шт.

25

7883275

SCREW,Hex Washer, 1/4" - 20 x 3/4"

1/4-20 X 3/4 HWHMS

3шт.

26

231-5144

SERRATED NUT,Flg, USR, 1/4"-20

7шт.

27

700121018

CHANNEL

1шт.

28

700121017

BRACKET

ANGLE

1шт.

29

700121029

COVER

1шт.

30

700111075

PANEL

- rear

1шт.

31

173808C1

KNOB

1шт.

32

721258

KNOB

1шт.

33

163-14

SCREW,Hex Wshr Hd, 1/4" - 20 x 1"

1/4-20 X 1 HWHMS

4шт.

34

413-644

BOLT,Hex, 3/8" - 16 x 2-3/4", Gr 5

C Hex, 3/8"-16 x 2 3/4", G5

1шт.

35

231-4116

NUT,3/8"-16, GB

3/8-16 HTLN GR/B

1шт.

36

700111576

SPACER

1шт.

37

58131

TUBE

- compression

1шт.

38

496-21034

WASHER,11/32" x 11/16" x 0.89", HDN

1шт.

39

413-528

BOLT,Hex, 5/16" - 18 x 1-3/4", Gr 5

1шт.

Выбрано товаров: 39