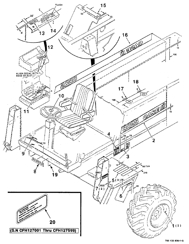
Запчасти Case IH 8825HP (09-02) - DECAL LOCATION DIAGRAM, FRONT (09) - CHASSIS

Схема запчастей Case IH 8825HP - (09-02) - DECAL LOCATION DIAGRAM, FRONT (09) - CHASSIS
12
11
14
1
19
4
10
13
7
16
8
15
2
20
3
9
18
5
6
17
FIT
1:1
100%

Артикул

Название

Примечание

Количество

1

7178858

DECAL

- torque note

2шт.

2

700715525

DECAL

- stripe, left

1шт.

3

700718078

DECAL

- RPM (S.N. CFH127600 and later)

1шт.

4

700714229

DECAL

- warning

1шт.

5

6849178

WALL

TREAD - safety

3шт.

6

779223

DECAL

- notice

1шт.

7

700713551

DECAL

- danger

2шт.

8

186882A1

EMBLEM CASE/IH

MEDALLION - Case IH

1шт.

9

7178932

DECAL

- warning

1шт.

10

700711983

DECAL

- lens

1шт.

11

700704951

DECAL

- caution

1шт.

12

700706290

DECAL

- parking break

1шт.

13

700709452

DECAL

- reel control

1шт.

14

700709902

DECAL

- draper control

1шт.

15

7889306

DECAL

- grease symbol

1шт.

16

700715526

DECAL

- stripe, right

1шт.

17

7079791

DECAL

- fuel tank

1шт.

18

8888703

DECAL

- oil reservoir

1шт.

19

1324788C1

NUT

.250 SELF THREAD

1шт.

20

700706950

DECAL

- RPM (S.N. CFH127001 thru CFH127599)

1шт.

Выбрано товаров: 20