Запчасти Case IH 8830 (7-52) - AIR CONDITIONER COMPRESSOR & MOUNTING ASSY., DIESEL ENG., SERIAL NUMBER CFH0028001 THRU CFH0028805 (09) - CHASSIS

Схема запчастей Case IH 8830 - (7-52) - AIR CONDITIONER COMPRESSOR & MOUNTING ASSY., DIESEL ENG., SERIAL NUMBER CFH0028001 THRU CFH0028805 (09) - CHASSIS
16
13
9
27
6
21
26
16
15
5
3
19
14
5
2
14
19
11
25
20
1
14
7
14
18
14
12
10
4
23
2
7
17
24
22
16
8
FIT
1:1
100%

Артикул

Название

Примечание

Количество

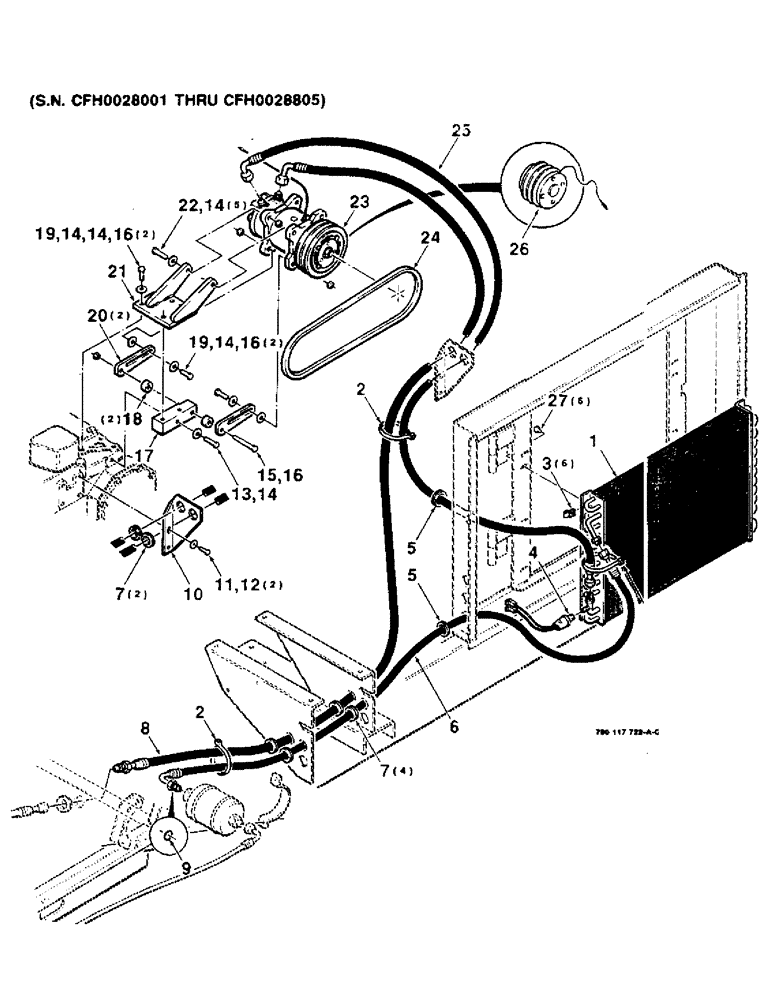
1

700706187

CONDENSER

CONDENSOR

1шт.

2

722470

MOUNTING CLIP

TIE - cable

3шт.

3

74807

NUT

1/4-20 SPEED NUT

6шт.

4

7722929

SWITCH

- pressure

1шт.

5

8027179

GROMMET

2шт.

6

700705093

FLEXIBLE HOSE

HOSE ASSEMBLY (Includes item 9)

1шт.

7

8827172

GROMMET

6шт.

8

700708478

HOSE

ASSEMBLY

1шт.

9

7744063

O-RING

1шт.

10

700117926

SUPPORT

- mounting, hose

1шт.

11

700708358

BOLT,Hex, M8 x 1.25 x 16mm, Cl 8.8, Full Thd

M8 X 1.25 X 16 C

2шт.

12

1703321

WASHER,M8 x 16 x 1.6

8 PLAIN WASHER

2шт.

13

7703200

BOLT

M10 X 1.5 X 55 C

1шт.

14

1705318

WASHER

10 PLAIN WASHER

12шт.

15

700708764

BOLT,Hex, M10 x 1.5 x 95mm, Cl 8.8

M10 X 1.5 X 95 C

1шт.

16

832-41310

NUT,M10 x 1.5, Cl 10

NUT, LOCK, M10 x 1.5, Cl 10

5шт.

17

700119650

SUPPORT

- compressor

1шт.

18

6606594

BUSHING

2шт.

19

7702319

BOLT

M10 X 1.5 X 35 C

4шт.

20

700119652

STRAP

- adjustment

2шт.

21

700119647

MOUNTING PARTS

SUPPORT - compressor

1шт.

22

700708349

BOLT,Hex, M10 x 1.5 x 25mm, Cl 8.8, Full Thd

M10 X 1.5 X 25 C

5шт.

23

7807944

AIRCOND. COMPRESSOR

(Includes item 26)

1шт.

7807944R

REMAN-ANEROID

8830 - AIR CONDITIONER COMPRESSOR & MOUNTING ASSY., DIESEL ENG., SERIAL NUMBER CFH0028001 THRU CFH0028805

1шт.

7807944C

CORE-COMPRESSOR

Return Number

1шт.

24

700708217

V-BELT,1169.70 mm L

1шт.

25

700708477

HOSE

1шт.

26

700709771

CLUTCH

ASSEMBLY

1шт.

27

7883267

BOLT,Hex, 1/4" - 20 x 1/2", Gr 120M

1/4-20 X 1/2 HWHMS

6шт.

Выбрано товаров: 29