Запчасти Case IH 8830 (9-04) - DECAL LOCATION DIAGRAM, REAR (09) - CHASSIS

Схема запчастей Case IH 8830 - (9-04) - DECAL LOCATION DIAGRAM, REAR (09) - CHASSIS
12
18
19
3
17
20
10
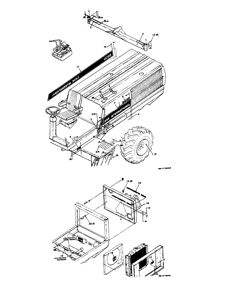
1
13
5
9
4
8
11
14
3
6
15
7
16
3
FIT
1:1
100%

Артикул

Название

Примечание

Количество

1

7178858

DECAL

- torque notice

2шт.

2

779223

DECAL

- notice, do not tow . . .

1шт.

3

6849178

WALL

TREAD - safety (10 ft. bulk)

5шт.

4

700713551

DECAL

- warning

1шт.

5

78311

DECAL

- caution, list of . . .

1шт.

6

700704977

DECAL

- RPM

1шт.

7

700710141

DECAL

- CASE International

1шт.

8

700710140

DECAL

- 8830, left

1шт.

9

8888703

DECAL

- oil reservoir

1шт.

10

7079791

DECAL

- fuel tank

1шт.

11

700710142

DECAL

- 8830, combo, right

1шт.

12

700707251

DECAL

- choke (Gas only)

1шт.

13

878660

REFLECTOR

- red

2шт.

14

700709867

DECAL

- slot, camloc

2шт.

15

1973426C1

DECAL

- CASE International

1шт.

16

779355

EMBLEM CASE/IH

DECAL - SMV emblem

1шт.

17

779348

DECAL

- notice, negative ground

1шт.

18

8178212

DECAL

- danger, acid

1шт.

19

700706208

DECAL

- danger, jump starting

1шт.

20

700708866

BUSHING

DECAL - washer, camloc

2шт.

Выбрано товаров: 20