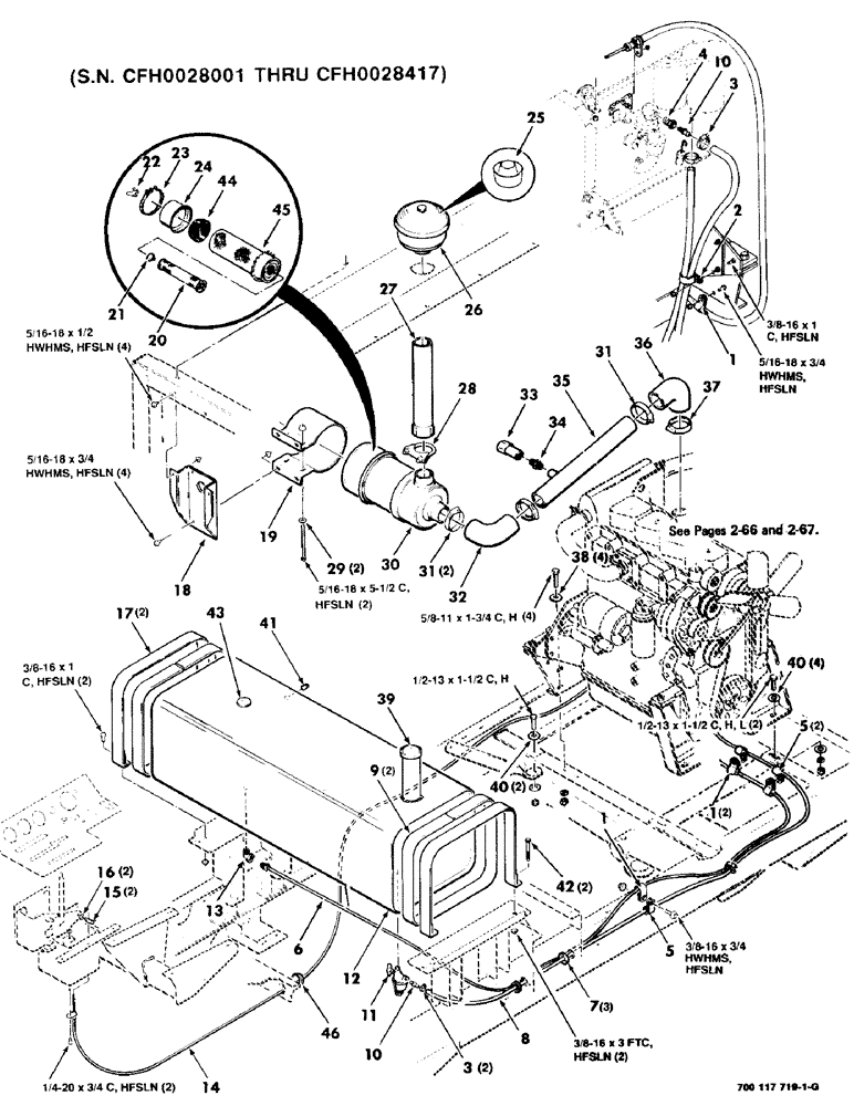
Запчасти Case IH 8830 (3-10) - FUEL TANK AND AIR BREATHER ASSEMBLY, DIESEL, SERIAL NUMBER CFH0028001 THRU CFH0028417 (03) - FUEL SYSTEM

Схема запчастей Case IH 8830 - (3-10) - FUEL TANK AND AIR BREATHER ASSEMBLY, DIESEL, SERIAL NUMBER CFH0028001 THRU CFH0028417 (03) - FUEL SYSTEM
28
24
15
3
17
34
44
4
8
29
10
23
12
1
22
42
40
5
26
30
31
43
16
10
14
39
38
5
36
2
33
46
32
37
25
19
7
41
18
21
1
13
6
1
3
45
40
9
35
20
31
27
11
FIT
1:1
100%

Артикул

Название

Примечание

Количество

1

755744

CLAMP

- line

4шт.

2

7898737

CLAMP

- line

1шт.

3

7721020

HOSE CLAMP

CLAMP - hose

3шт.

4

46201

BUSHING

- reducer

1шт.

5

751487

CLAMP

- line

3шт.

6

700708199

LINE

HOSE - fuel line

1шт.

7

8827172

GROMMET

3шт.

8

700117901

LINE

- fuel

1шт.

9

700111015

LINER

- felt

2шт.

10

7746662

INSERT

CONNECTOR

2шт.

11

720714

STRAINER ASSY.

STRAINER - fuel

1шт.

12

700705627

RESERVOIR, HYDRAULIC

TANK - fuel

1шт.

13

7846231

ELBOW

1/8 NPTF STREET ELL

1шт.

14

700705628

CABLE

CONTROL - throttle

1шт.

15

7041932

ROD, CONNECTING

CONNECTOR

2шт.

16

705699

WASHER,#12

NO. 12 PLAIN WASHER

2шт.

17

700111119

SECURING STRAP

STRAP - fuel tank

2шт.

18

700111118

SUPPORT

- mounting

1шт.

19

6602734

CLAMP

1шт.

20

700708236

ELEMENT

- secondary

1шт.

21

700708238

NUT

1шт.

22

7741218

NUT, WING

WINGED NUT WITH GASKET

1шт.

23

7741226

CLAMP

- canister

2шт.

24

700708237

BOWL

CUP ASSEMBLY

1шт.

25

7041494

BOWL

- pre-cleaner

1шт.

26

700708221

AIR PRE-CLEANER ASSY

PRE-CLEANER

1шт.

27

700708464

SUPPORT,76.2 mm OD, 375 mm Length

TUBE - exhaust extension

1шт.

28

722769

CLAMP

- exhaust

1шт.

29

705525

WASHER

5/16 HARDENED PLAIN WASHER

2шт.

30

700708223

AIR CLEANER

ASSEMBLY

1шт.

31

720649

CLAMP

- hose

3шт.

32

700708468

FLEXIBLE HOSE

HOSE - air intake

1шт.

33

700707040

INDICATOR

SERVICE INDICATOR

1шт.

34

8798225

ADAPTER

1шт.

35

700117924

TUBE

- air intake

1шт.

36

700708472

HOSE

- air intake

1шт.

37

7720063

CLAMP

- hose

1шт.

38

705582

WASHER

5/8 HARDENED PLAIN WASHER

4шт.

39

700708089

CAP

- fuel tank

1шт.

40

705541

WASHER,0.53" ID x 1.06" OD x 0.14" Thk

1/2 HARDENED PLAIN WASHER

6шт.

41

46409

PLUG

1шт.

42

703595

HYDRAULIC SYSTEM,Hex, 3/8" - 16 x 3", Gr 5, Full Thd

3/8-16 X 3 FTC

2шт.

43

700706468

SENDER UNIT

SENDER - fuel, level

1шт.

The gasket for ref # 43, sendor is 14556. bj 7/9/99

1шт.

44

722215

BAFFLE

1шт.

45

700708235

ELEMENT

- primary

1шт.

46

827758

GROMMET

1шт.

7703457

HYD CONNECTOR,Hex, 1/4" - 20 x 3/4", Gr 5

1/4-20 X 3/4 C

2шт.

702076

SCREW

5/16-18 X 5-1/2 C

2шт.

703249

BOLT,Hex, 3/8" - 16 x 1", Gr 5

3/8-16 x 1 C

3шт.

701235

BOLT,1/2" - 13 x 1 1/2", Gr 5

1/2-13 X 1-1/2 C

3шт.

703793

BOLT,Hex, 5/8" - 11 x 1 3/4", Gr 5, Full Thd

5/8-11 X 1-3/4 C

4шт.

7883317

SCREW,Hex Washer, 5/16" - 18 x 1/2"

5/16-18 X 1/2 HWHMS

4шт.

7883325

BOLT,Hex, 5/16" - 18 x 3/4", Gr 120M

5/16-18 X 3/4 HWHMS

8шт.

Выбрано товаров: 54