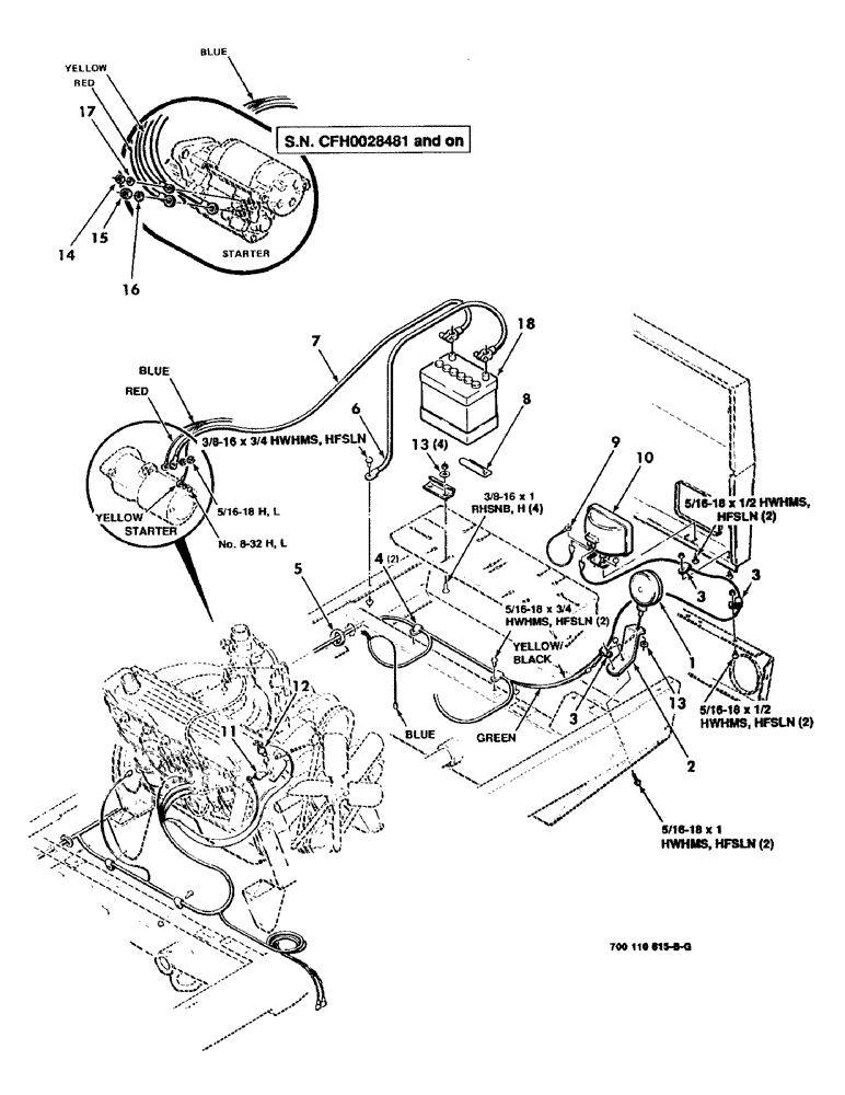
Запчасти Case IH 8830 (4-06) - ENGINE WIRING ASSEMBLY, REAR SECTION, GAS ENGINE (04) - ELECTRICAL SYSTEMS

Схема запчастей Case IH 8830 - (4-06) - ENGINE WIRING ASSEMBLY, REAR SECTION, GAS ENGINE (04) - ELECTRICAL SYSTEMS
3
5
12
1
17
8
16
15
7
13
4
18
9
10
3
6
2
13
3
14
11
FIT
1:1
100%

Артикул

Название

Примечание

Количество

1

700706634

STOP LIGHT

TAIL LIGHT (S.N. CFH0028001 thru -0028558)

1шт.

700710290

LAMP, TAIL

TAIL LIGHT (S.N. CFH0028559 and on)

1шт.

2

700115525

MOUNTING PARTS

MOUNTING - tail light

1шт.

3

700708090

CLAMP

- wiring

3шт.

4

751487

CLAMP

- wiring

2шт.

5

248-21114

GROMMET,1 1/2" ID x 1 3/4" Groove Dia

1шт.

6

721068

CABLE

- ground, battery

1шт.

7

7025422

HARNESS

CABLE - positive, battery

1шт.

8

6827695

CLAMP BRACKET

HOLDDOWN

2шт.

9

700705124

WIRE

- electrical

1шт.

10

700705183

HEADLAMP

LIGHT - flood

1шт.

11

700705649

TEMPERATURE SENDER

SENDER - temperature

1шт.

12

700707228

SENDER UNIT

SWITCH - temperature

1шт.

700712184

SWITCH

- temperature

1шт.

13

705533

WASHER

3/8 HARDENED PLAIN WASHER

5шт.

14

7704513

NUT

M4 X 0.7 H

1шт.

15

829-1408

NUT,Hex, M8 x 1.25, Cl 10.9

M8X 1.25 H

1шт.

16

700700324

SPRING WASHER

M8 L

1шт.

17

700703071

WASHER

M4 L

1шт.

18

B24F72

WET BATTERY

(600 amp)

1шт.

B2472

DRY BATTERY

BATTERY (600 amp) optional

1шт.

700047

BOLT

3/8-16 X 1 RHSNB

4шт.

7883317

SCREW,Hex Washer, 5/16" - 18 x 1/2"

5/16-18 X 1/2 HWHMS

4шт.

7883374

SCREW,Hex Washer, 3/8" - 16 x 3/4"

5/16-18 X 3/4 HWHMS

2шт.

7883333

BOLT,Hex, 5/16" - 18 x 1", Gr 120M

5/16-18 X 1 HWHMS

2шт.

7883325

BOLT,Hex, 5/16" - 18 x 3/4", Gr 120M

3/8-16 X 3/4 HWHMS

1шт.

Выбрано товаров: 26