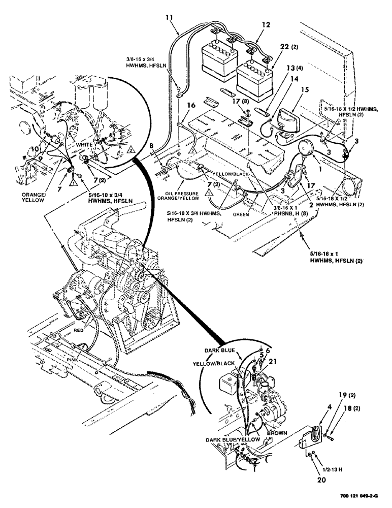
Запчасти Case IH 8830 (4-10) - ENGINE WIRING ASSEMBLY, REAR SECTION, DIESEL (04) - ELECTRICAL SYSTEMS

Схема запчастей Case IH 8830 - (4-10) - ENGINE WIRING ASSEMBLY, REAR SECTION, DIESEL (04) - ELECTRICAL SYSTEMS
17
14
3
3
15
12
7
21
11
19
22
4
16
8
1
13
5
2
10
9
20
18
3
7
7
17
6
FIT
1:1
100%

Артикул

Название

Примечание

Количество

1

700706634

STOP LIGHT

TAIL LIGHT (S.N. CFH0028001 thru -0028455)

1шт.

700710290

LAMP, TAIL

TAIL LIGHT (S.N. CFH0028481 and on)

1шт.

2

700115525

MOUNTING PARTS

MOUNTING - tail light

1шт.

3

700708090

CLAMP

- line

3шт.

4

700117931

SHIELD

- starter

1шт.

5

700712184

SWITCH

- temperature

1шт.

6

700708219

TEMPERATURE SENDER

SENDER - temperature

1шт.

7

751487

CLAMP

- line

5шт.

8

248-21114

GROMMET,1 1/2" ID x 1 3/4" Groove Dia

- rubber

1шт.

9

700708220

SWITCH

- pressure

1шт.

10

7846926

ADAPTER

BUSHING

1шт.

11

700705652

ELECTRIC CABLE

CABLE - battery, positive

1шт.

12

700705651

GROUND CABLE

CABLE - battery, negative

1шт.

13

6827695

CLAMP BRACKET

HOLDDOWN - battery

4шт.

14

700705124

WIRE

- electrical

1шт.

15

700705183

HEADLAMP

LIGHT

1шт.

16

722868

CABLE

WIRE - electrical

1шт.

17

705533

WASHER

3/8 HARDENED PLAIN WASHER

9шт.

18

7771843

SCREW

M 12 X 1.75 X 16 C

2шт.

19

1705037

WASHER

M 12 P

2шт.

20

705541

WASHER,0.53" ID x 1.06" OD x 0.14" Thk

1/2 HARDENED PLAIN WASHER

1шт.

21

46243

ADD. ERRANT LIGHT

1/2 X 1/4 REDUCER BUSHING

1шт.

22

B24F72

WET BATTERY

(600 amp)

1шт.

B2472

DRY BATTERY

BATTERY (600 amp) optional

1шт.

700047

BOLT

3/8-16 X 1 RHSNB

8шт.

7883317

SCREW,Hex Washer, 5/16" - 18 x 1/2"

5/16-18 X 1/2 HWHMS

4шт.

7883325

BOLT,Hex, 5/16" - 18 x 3/4", Gr 120M

5/16-18 X 3/4 HWHMS

3шт.

7883374

SCREW,Hex Washer, 3/8" - 16 x 3/4"

3/18-16 X 3/4 HWHMS

1шт.

7883333

BOLT,Hex, 5/16" - 18 x 1", Gr 120M

5/16-18 X 1 HWHMS

2шт.

Выбрано товаров: 29