Запчасти Case IH 8830 (8-06) - TRANSMISSION MOTORS AND HYDRAULIC LINE ASSEMBLIES (08) - HYDRAULICS

Схема запчастей Case IH 8830 - (8-06) - TRANSMISSION MOTORS AND HYDRAULIC LINE ASSEMBLIES (08) - HYDRAULICS
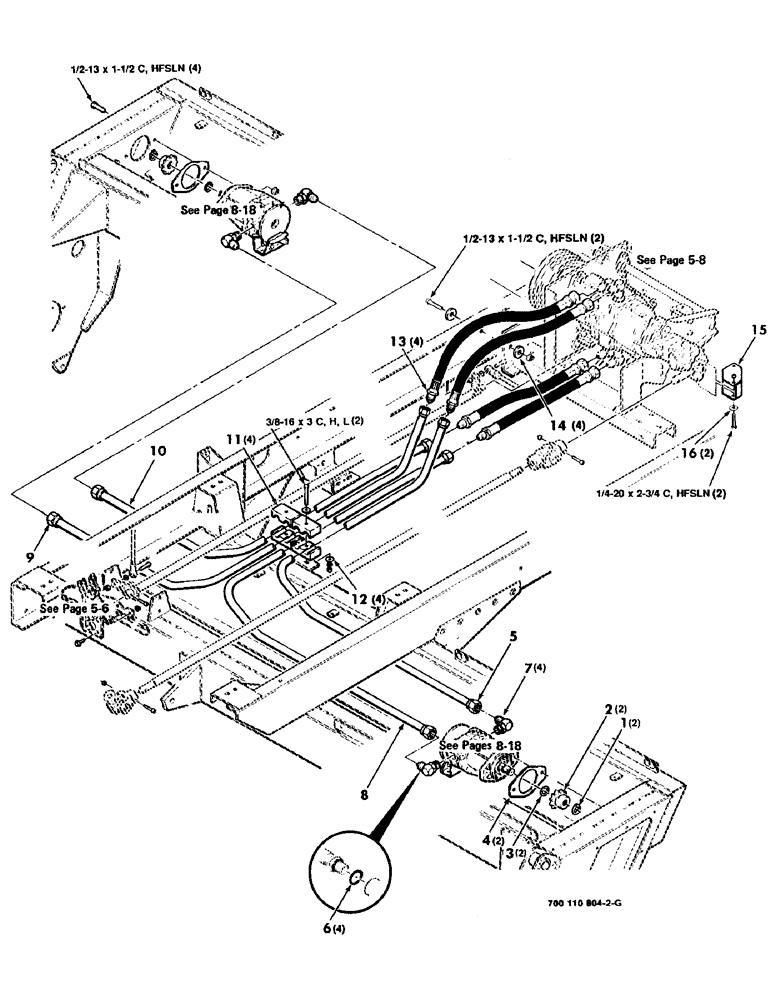
13
6
7
14
11
3
10
15
2
1
4
5
12
8
16
9
FIT
1:1
100%

Артикул

Название

Примечание

Количество

1

100-1198

SNAP RING,#98, Ext

- external

2шт.

2

7849912

SPROCKET ASSY.

SPROCKET - 11-tooth

2шт.

3

730127

CIRCLIP

RETAINING RING

2шт.

4

744144

GASKET

2шт.

5

700705511

TUBE

LINE - hydraulic, left, rear

1шт.

6

738476

O-RING

4шт.

7

7746068

ELBOW

90 DEGREE ELBOW WITH O-RING

4шт.

8

700705513

TUBE

LINE - hydraulic, left, front

1шт.

9

700705512

TUBE

LINE - hydraulic, right, front

1шт.

10

700705514

RIGID TUBE

LINE - hydraulic, right, rear

1шт.

11

8029167

LINE

BLOCK - line, hydraulic

4шт.

12

705533

WASHER

3/8 HARDENED PLAIN WASHER

4шт.

13

7073174

HOSE

- Hydraulic

4шт.

14

700120270

WASHER

- special

4шт.

15

700111142

SHIELD

1шт.

16

705517

WASHER

1/4 HARDENED PLAIN WASHER

2шт.

7773856

BOLT,Hex, 1/4" - 20 x 2 3/4", Gr 5

1/4-20 X 2-3/4 C

2шт.

7704205

HYDRAULIC VALVE

3/8-16 X 3 C

2шт.

701235

BOLT,1/2" - 13 x 1 1/2", Gr 5

1/2-13 X 1-1/2 C

6шт.

Выбрано товаров: 19